GM Service Manual Online
For 1990-2009 cars only
Makes
🢒
Oldsmobile
🢒
2001
🢒
Bravada
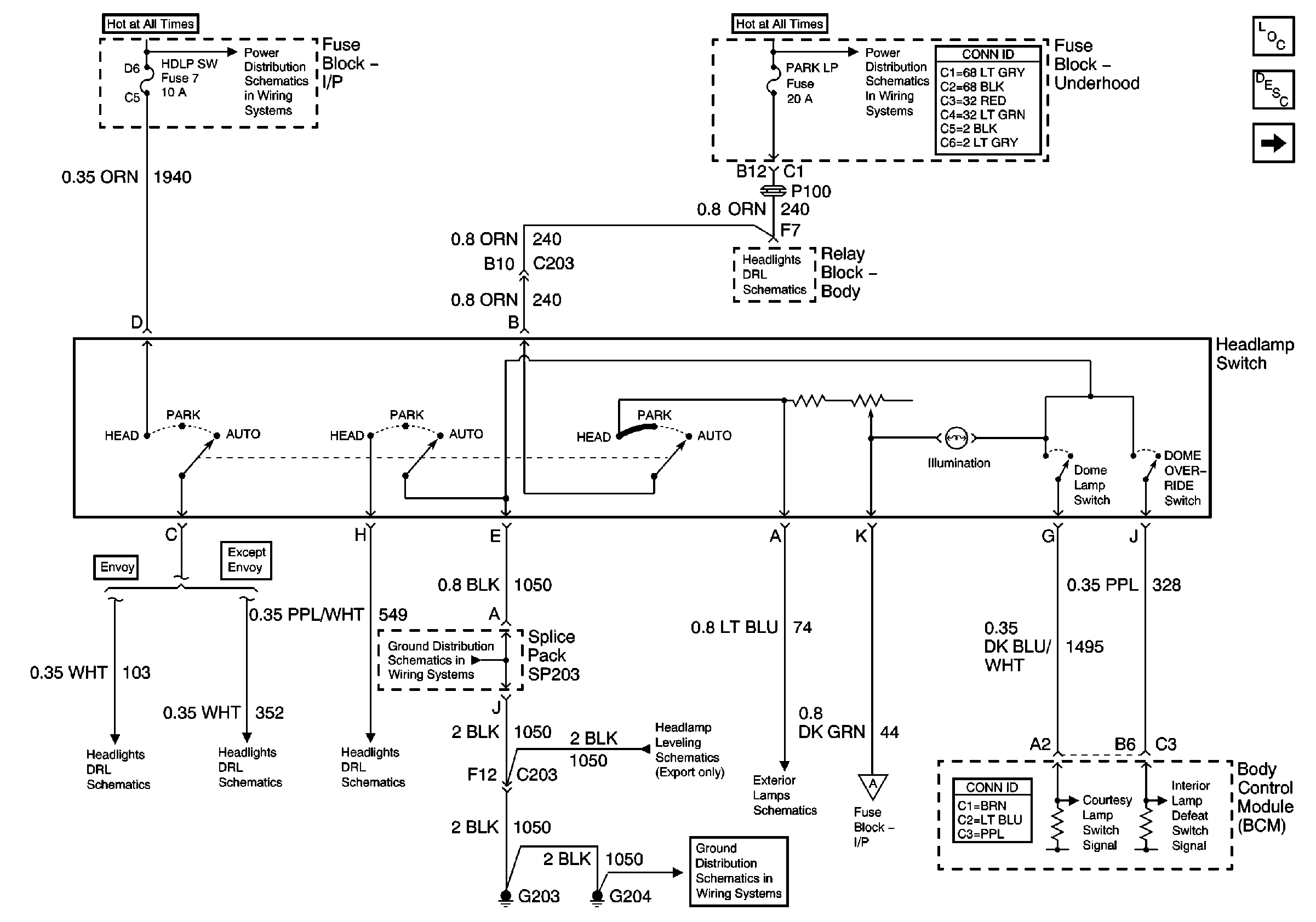
🢒 Headlamp Switch
Headlamp Switch
Headlamp Switch
Master Electrical Component List
Interior Lighting Systems Description and Operation
ILLUM Fuse 12
AUX PWR, RDO BATT and HDLP SW Fuses
B+ Bus Bar
Headlamp Grounding Relay and BCM (Except Envoy)
Headlamp Switch and BCM (Envoy/Diamond Edition 1SK)
Headlamp Switch, Ambient Light Sensor and BCM
Headlamp Switch, Ambient Light Sensor and BCM
G203 and G204 (Pickup)
Headlamp Switch, Ambient Light Sensor and BCM
Park/Turn Signal Lamps, Marker and License Lamps, Rear(Pickup)
ILLUM Fuse 12
G203 and G204 (Pickup)