GM Service Manual Online
For 1990-2009 cars only
Makes
🢒
Oldsmobile
🢒
2001
🢒
Bravada
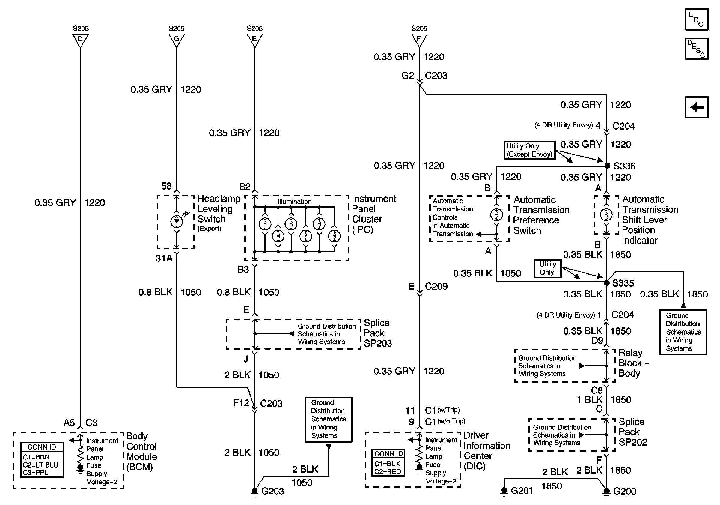
🢒 Instrument Panel Cluster, BCM, and Automatic Transmission Indicators
Instrument Panel Cluster, BCM, and Automatic Transmission Indicators
Instrument Panel Cluster, BCM, and Automatic Transmission Indicators
Master Electrical Component List
Interior Lighting Systems Description and Operation
Steering Wheel Controls
ILLUM Fuse 12
ILLUM Fuse 12
ILLUM Fuse 12
ILLUM Fuse 12
G203 and G204 (Pickup)
Automatic Transmission Preference Switch
G200, G201 and G207 (Utility)
G200, G201 and G207 (Utility)
G200, G201 and G207 (Utility)
G203 and G204 (Pickup)