GM Service Manual Online
For 1990-2009 cars only
Makes
🢒
Oldsmobile
🢒
2003
🢒
Bravada
🢒 Class 2 Communication
Class 2 Communication
Class 2 Dimming Communication
Master Electrical Component List
Interior Lighting Systems Description and Operation
Dimming Control
Overhead Console, Vanity, and Courtesy Lamps
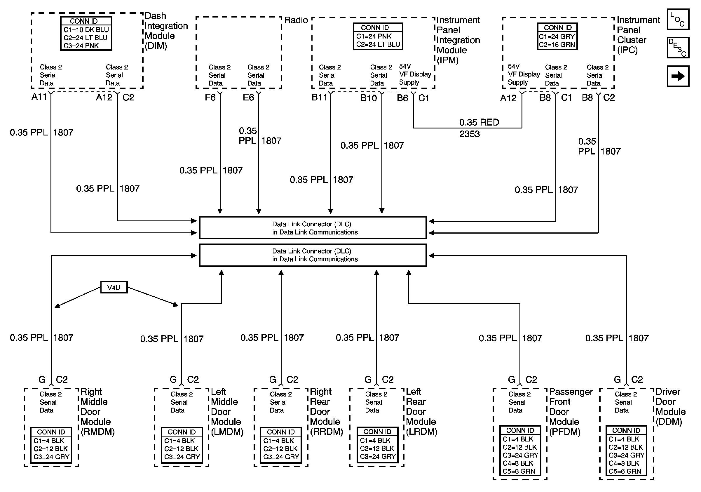
Class 2 Serial Data (3 of 3)
Class 2 Serial Data (1 of 3)