GM Service Manual Online
For 1990-2009 cars only
Figure 1:

B+ Bus - Underhood Fuse Block


Object Number: 1276871  Size: FS
Master Electrical Component List
B+ Bus - Rear Fuse Block
Figure 2:

B+ Bus - Rear Fuse Block


Object Number: 1276874  Size: FS
Master Electrical Component List
ACCY/RUN/START, RUN, and START Bus Bars
B+ Bus - Underhood Fuse Block
Figure 3:

ACCY/RUN/START, RUN, and START Bus Bars


Object Number: 1276875  Size: FS
Master Electrical Component List
ACCY/RUN and RUN/START Bus Bars
B+ Bus - Rear Fuse Block
Figure 4:

ACCY/RUN and RUN/START Bus Bars


Object Number: 1276878  Size: FS
Master Electrical Component List
CIGAR, ABS, ATC, BLOWER, ECAS, IPC/DIC, FLASH, ST/LP, ELEK BRK, and TRAILER Fuses
ACCY/RUN/START, RUN, and START Bus Bars
Figure 5:

CIGAR, ABS, ATC, BLOWER, ECAS, IPC/DIC, FLASH, ST/LP, ELEK BRK, and TRAILER Fuses


Object Number: 1276880  Size: FS
Master Electrical Component List
COILS, AIR, EAP, TBC 1, PCM B, LOW HDLP-RT, LOW HDLP-LT, HI HDLP-LT, and HI HDLP-RT Fuses
ACCY/RUN and RUN/START Bus Bars
Figure 6:

COILS, AIR, EAP, TBC 1, PCM B, LOW HDLP-RT, LOW HDLP-LT, HI HDLP-LT, and HI HDLP-RT Fuses


Object Number: 1276881  Size: FS
Master Electrical Component List
CANISTER VENT, TAC, INJ A, and INJ B Fuses - 5.3L
CIGAR, ABS, ATC, BLOWER, ECAS, IPC/DIC, FLASH, ST/LP, ELEK BRK, and TRAILER Fuses
Figure 7:

CANISTER VENT, TAC, INJ A and INJ B Fuses - 5.3L


Object Number: 1276883  Size: FS
Master Electrical Component List
LGM/DSM, OH BATT/ONSTAR, RADIO, and HVAC B Fuses
COILS, AIR, EAP, TBC 1, PCM B, LOW HDLP-RT, LOW HDLP-LT, HI HDLP-LT, and HI HDLP-RT Fuses
Figure 8:

LGM/DSM, OH BATT/ONSTAR, RADIO, and HVAC B Fuses


Object Number: 1276885  Size: FS
Master Electrical Component List
SUNROOF, AUX PWR 1, AUX PWR 2, RR HVAC, TBC 2, TBC 3, TBC 4, and TBC 5 Fuses
CANISTER VENT, TAC, INJ A, and INJ B Fuses - 5.3L
Figure 9:

SUNROOF, AUX PWR 1, AUX PWR 2, RR HVAC, TBC 2, TBC 3, TBC 4, and TBC 5 Fuses


Object Number: 1276887  Size: FS
Master Electrical Component List
DDM, PDM, AMP Fuses, SEATS, LT DOORS, RT DOORS Circuit Breakers
LGM/DSM, OH BATT/ONSTAR, RADIO, and HVAC B Fuses
Figure 10:

DDM, PDM, AMP Fuses, SEATS, LT DOORS, and RT DOORS Circuit Breakers


Object Number: 1276888  Size: FS
Master Electrical Component List
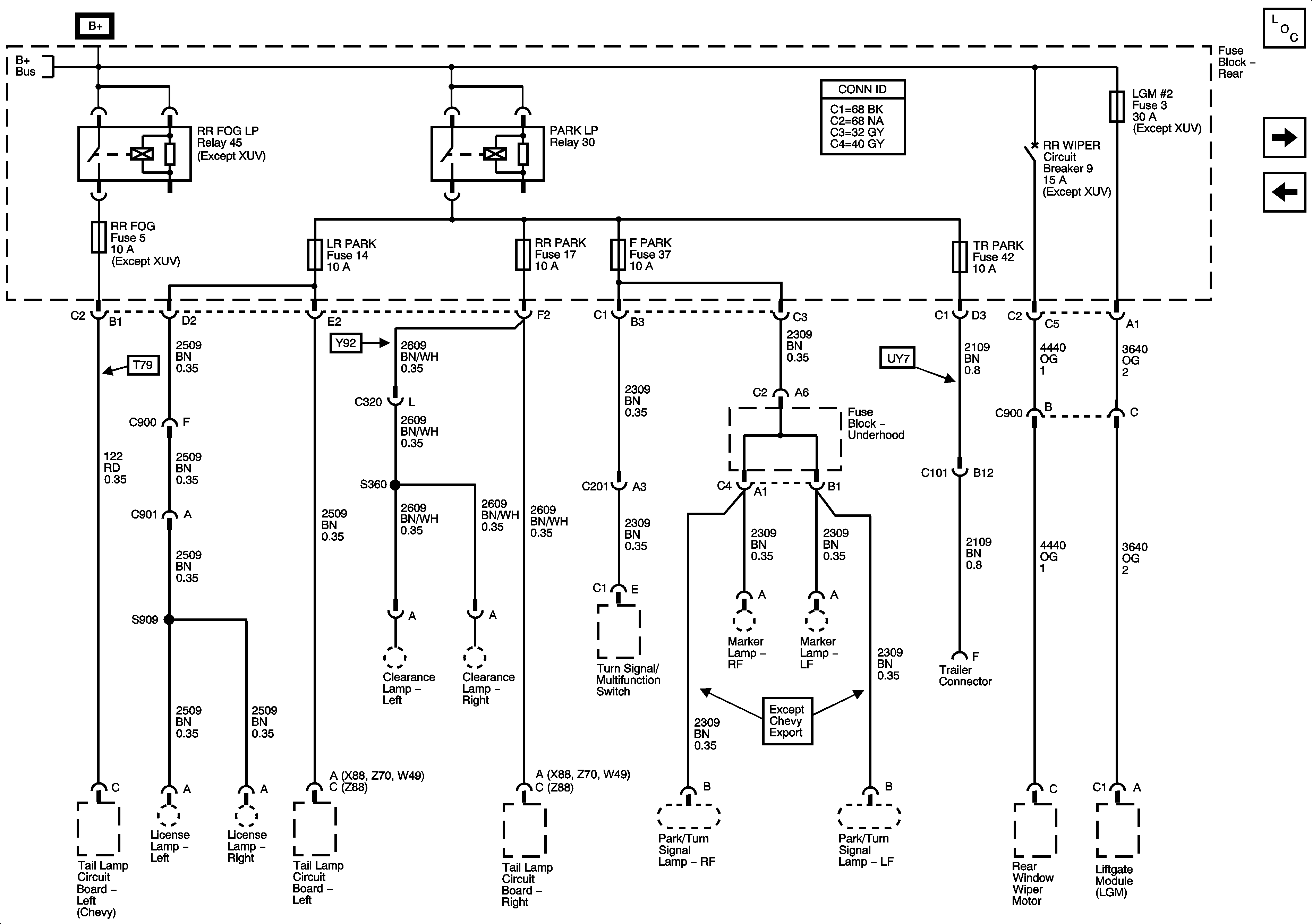
RR FOG, LR PARK, TR PARK, RR PARK, F PARK, LGM #2 Fuses, and RR WIPER Circuit Breaker
SUNROOF, AUX PWR 1, AUX PWR 2, RR HVAC, TBC 2, TBC 3, TBC 4, and TBC 5 Fuses
Figure 11:

RR FOG, LR PARK, TR PARK, RR PARK, F PARK, LGM #2 Fuses, and RR WIPER Circuit Breaker


Object Number: 1276892  Size: FS
Master Electrical Component List
ROOF, PWR LATCH, EGM #2, and EGM/DSM Fuses, and ROOF REG, MIDGATE REG, and ENDGLASS REG Circuit Breakers - XUV
DDM, PDM, AMP Fuses, SEATS, LT DOORS, RT DOORS Circuit Breakers
Figure 12:

ROOF, PWR LATCH, EGM #2, and EGM/DSM Fuses, and ROOF REG, MIDGATE REG, and ENDGLASS REG Circuit Breakers - XUV


Object Number: 1276896  Size: FS
Master Electrical Component List
TRL L TRN, TRL R TRN, LT TURN, and RT TURN Fuses
RR FOG, LR PARK, TR PARK, RR PARK, F PARK, LGM #2 Fuses, and RR WIPER Circuit Breaker
Figure 13:

TRL L TRN, TRL R TRN, LT TURN, and RT TURN Fuses


Object Number: 1276900  Size: FS
Master Electrical Component List
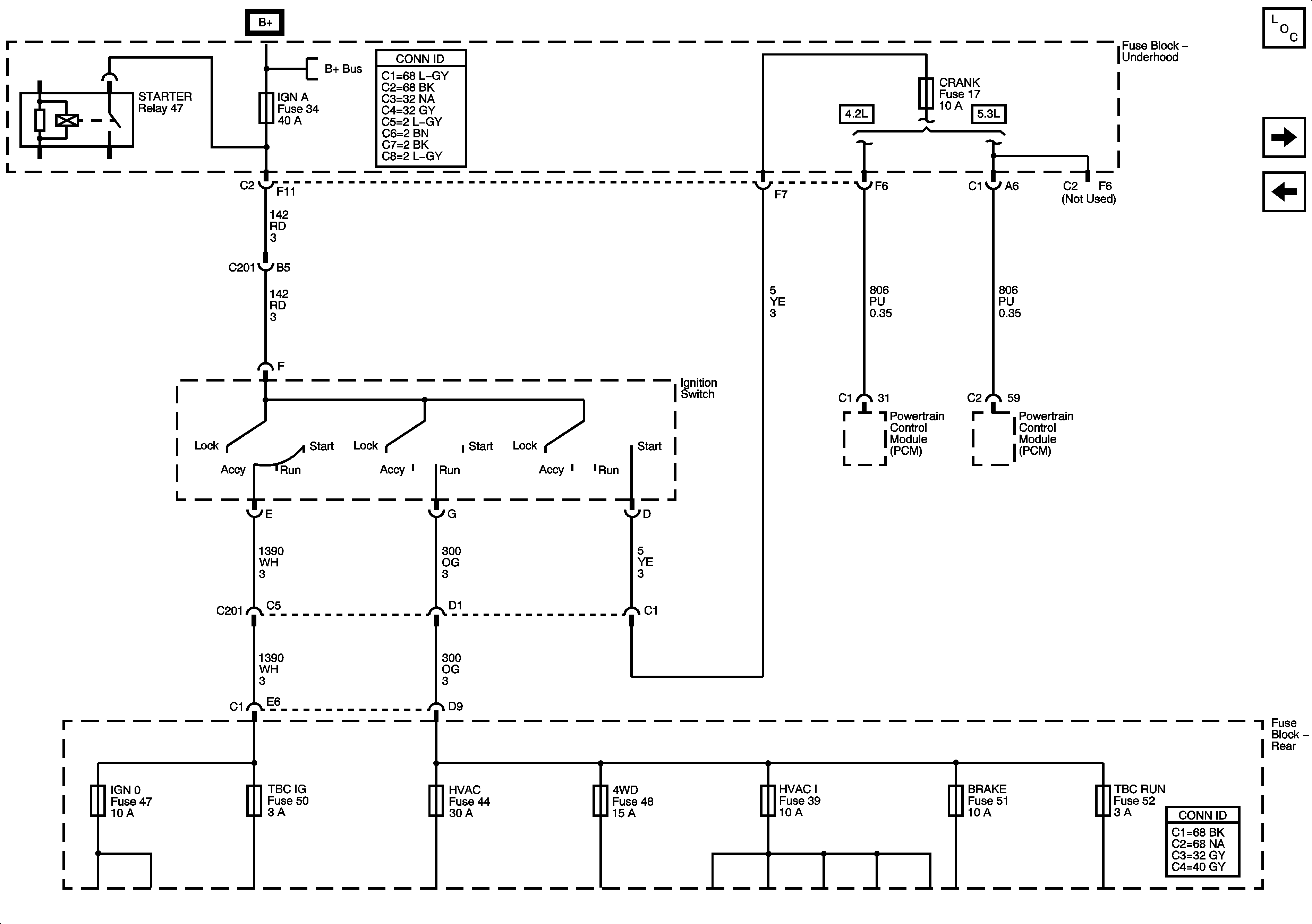
IGN 0, TBC IG, TBC ACC, FRT WPR, and RAIN Fuses
ROOF, PWR LATCH, EGM #2, and EGM/DSM Fuses, and ROOF REG, MIDGATE REG, and ENDGLASS REG Circuit Breakers - XUV
Figure 14:

IGN 0, TBC IG, TBC ACC, FRT WPR, and RAIN Fuses


Object Number: 1276901  Size: FS
Master Electrical Component List
IGN E, TBC IGN 1, BACKUP, BTSI, and TRLR B/U Fuses
TRL L TRN, TRL R TRN, LT TURN, and RT TURN Fuses
Figure 15:

IGN E, TBC IGN 1, BACKUP, BTSI, and TRLR B/U Fuses


Object Number: 1276903  Size: FS
Master Electrical Component List
PCM I and AIR SOL Fuses - 4.2L
IGN 0, TBC IG, TBC ACC, FRT WPR, and RAIN Fuses
Figure 16:

PCM I and AIR SOL Fuses - 4.2L


Object Number: 1276904  Size: FS
Master Electrical Component List
PCM I, O2A, O2B, and ENG I Fuses - 5.3L
IGN E, TBC IGN 1, BACKUP, BTSI, and TRLR B/U Fuses
Figure 17:

PCM I, O2A, O2B, and ENG I Fuses - 5.3L


Object Number: 1276905  Size: FS
Master Electrical Component List
O2, TAC, SIR, ENG I, HVAC, and 4WD Fuses
PCM I and AIR SOL Fuses - 4.2L
Figure 18:

O2, TAC, SIR, ENG I, HVAC, and 4WD Fuses


Object Number: 1276907  Size: FS
Master Electrical Component List
HVAC I, BRAKE, and TBC RUN Fuses
PCM I, O2A, O2B, and ENG I Fuses - 5.3L
Figure 19:

HVAC I, BRAKE, and TBC RUN Fuses


Object Number: 1276908  Size: FS
Master Electrical Component List
O2, TAC, SIR, ENG I, HVAC, and 4WD Fuses