GM Service Manual Online
For 1990-2009 cars only
Makes
🢒
Oldsmobile
🢒
2004
🢒
Bravada - 2WD
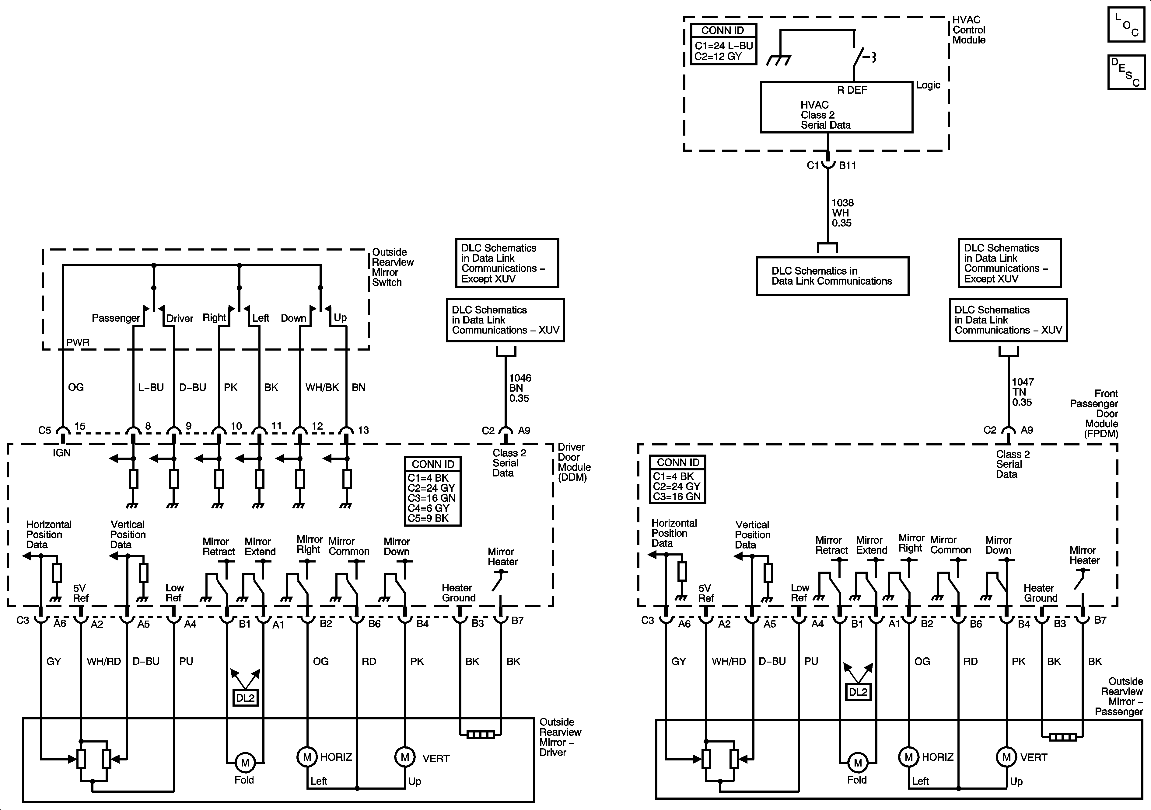
🢒 04 S/T Utility Outside Mirror Schematics
04 S/T Utility Outside Mirror Schematics
Master Electrical Component List
Outside Mirror Description and Operation Power Mirrors
SP306 - Except XUV
SP306 - XUV
Power, Ground, Data Link Connector, and SP205
SP306 - Except XUV
SP306 - XUV