GM Service Manual Online
For 1990-2009 cars only
Figure 1:

Cell 14: G100, G106, G301, and G101 (1 of 2)


Object Number: 497506  Size: FS
Power and Grounding Components
Handling ESD Sensitive Parts Notice
Handling ESD Sensitive Parts Notice
Handling ESD Sensitive Parts Notice
SIR Handling Caution
SIR Handling Caution
Handling ESD Sensitive Parts Notice
Cell 14: G101 (2 of 2)
Cell 14: G101 (2 of 2)
Figure 2:

Cell 14: G101 (2 of 2)


Object Number: 497509  Size: FS
Power and Grounding Components
Cell 14: G104
Cell 14: G100, G106, G301, and G101 (1 of 2)
Cell 14: G100, G106, G301, and G101 (1 of 2)
Handling ESD Sensitive Parts Notice
Handling ESD Sensitive Parts Notice
Handling ESD Sensitive Parts Notice
Handling ESD Sensitive Parts Notice
Figure 3:

Cell 14: G104


Object Number: 497514  Size: FS
Power and Grounding Components
Cell 14: G104 and Hood Ajar Switch
Cell 14: G101 (2 of 2)
Handling ESD Sensitive Parts Notice
Figure 4:

Cell 14: G102 and G105 (1 of 4)


Object Number: 497522  Size: FS
Power and Grounding Components
Cell 14: G105 (2 of 4)
Cell 14: G104 and Hood Ajar Switch
Cell 14: G105 (2 of 4)
Power Distribution Schematics
Handling ESD Sensitive Parts Notice
Figure 5:

Cell 14: G105 (2 of 4)


Object Number: 497527  Size: FS
Power and Grounding Components
Cell 14: G105 (3 of 4)
Cell 14: G102 and G105 (1 of 4)
Handling ESD Sensitive Parts Notice
Handling ESD Sensitive Parts Notice
Cell 14: G104 and Hood Ajar Switch
Cell 14: G105 (3 of 4)
Cell 14: G105 (4 of 4)
Figure 6:

Cell 14: G105 (3 of 4)


Object Number: 497531  Size: FS
Power and Grounding Components
Cell 14: G105 (4 of 4)
Cell 14: G105 (2 of 4)
Handling ESD Sensitive Parts Notice
Handling ESD Sensitive Parts Notice
Cell 14: G105 (2 of 4)
Figure 7:

Cell 14: G105 (4 of 4)


Object Number: 497533  Size: FS
Power and Grounding Components
Cell 14: G201 (1 of 2)
Cell 14: G105 (3 of 4)
Handling ESD Sensitive Parts Notice
Handling ESD Sensitive Parts Notice
Handling ESD Sensitive Parts Notice
Handling ESD Sensitive Parts Notice
Handling ESD Sensitive Parts Notice
Handling ESD Sensitive Parts Notice
Cell 14: G105 (2 of 4)
Figure 8:

Cell 14: G201 (1 of 2)


Object Number: 497537  Size: FS
Power and Grounding Components
Cell 14: G201 (2 of 2)
Cell 14: G105 (4 of 4)
Handling ESD Sensitive Parts Notice
Cell 14: G201 (2 of 2)
Figure 9:

Cell 14: G201 (2 of 2)


Object Number: 497540  Size: FS
Power and Grounding Components
Cell 14: G202
Cell 14: G201 (1 of 2)
Handling ESD Sensitive Parts Notice
Handling ESD Sensitive Parts Notice
Handling ESD Sensitive Parts Notice
Handling ESD Sensitive Parts Notice
Handling ESD Sensitive Parts Notice
Cell 14: G201 (1 of 2)
Figure 10:

Cell 14: G202


Object Number: 497563  Size: FS
Power and Grounding Components
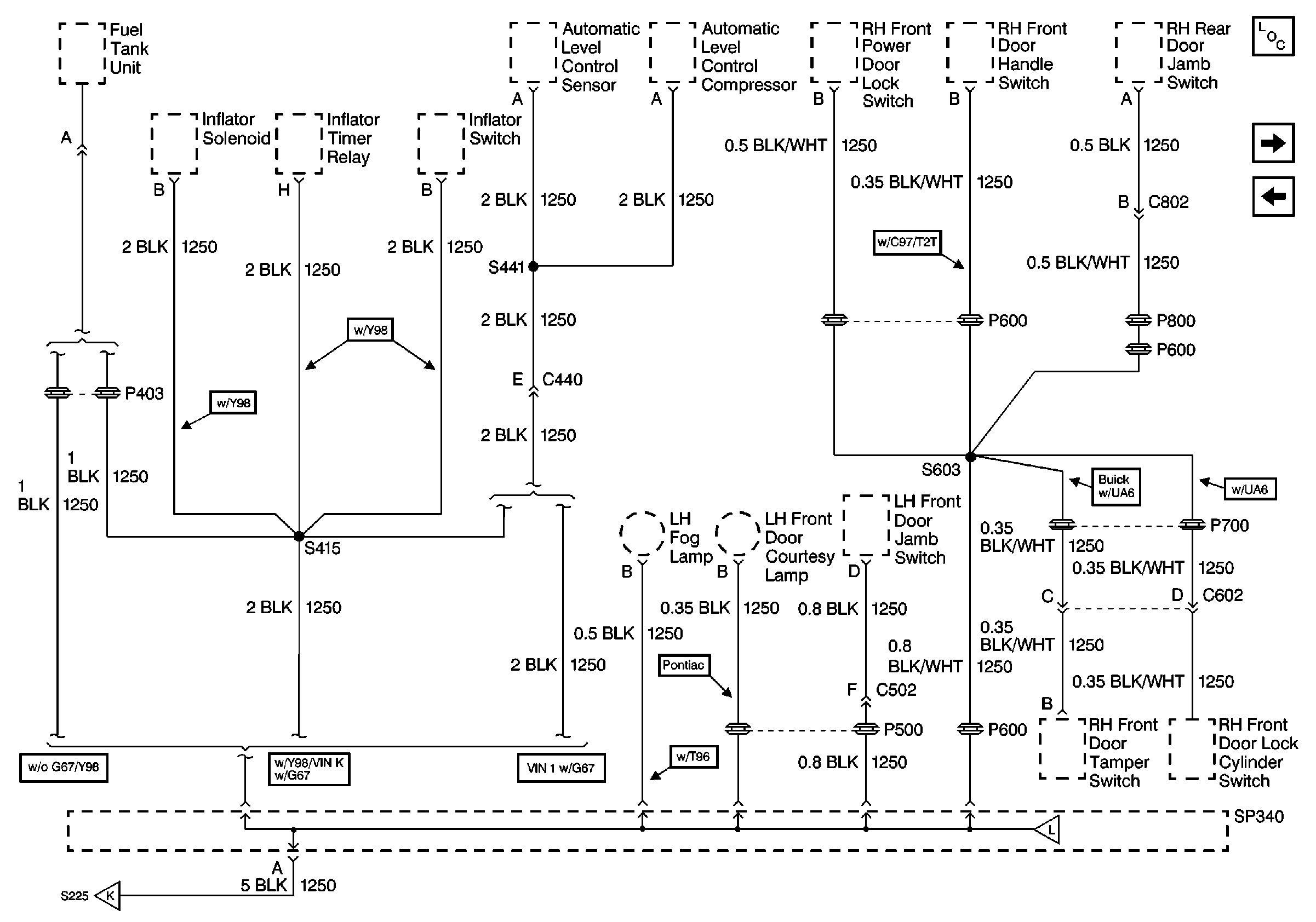
Cell 14: G202 continued
Cell 14: G201 (2 of 2)
Handling ESD Sensitive Parts Notice
Handling ESD Sensitive Parts Notice
Handling ESD Sensitive Parts Notice
Handling ESD Sensitive Parts Notice
SIR Handling Caution
Cell 14: G202 continued
Cell 14: G202 continued
Cell 14: G202 continued - Buick
Cell 14: G202 continued - Pontiac
Cell 14: G202 continued - Oldsmobile
Cell 14: G402 - Buick
Cell 14: G402 - Pontiac
Cell 14: G402 - Oldsmobile
Figure 11:

Cell 14: G202 continued


Object Number: 497572  Size: FS
Power and Grounding Components
Cell 14: G202 continued
Cell 14: G202
Cell 14: G202
Figure 12:

Cell 14: G202 continued


Object Number: 497577  Size: FS
Power and Grounding Components
Cell 14: G202 continued
Cell 14: G202 continued
Cell 14: G202
Cell 14: G202 continued
Figure 13:

Cell 14: G202 continued


Object Number: 497582  Size: FS
Power and Grounding Components
Cell 14: G202 continued - Buick
Cell 14: G202 continued
Handling ESD Sensitive Parts Notice
Handling ESD Sensitive Parts Notice
Handling ESD Sensitive Parts Notice
Cell 14: G202 continued
Figure 14:

Cell 14: G202 continued - Buick


Object Number: 497586  Size: FS
Power and Grounding Components
Cell 14: G202 continued - Pontiac
Cell 14: G202 continued
Handling ESD Sensitive Parts Notice
Handling ESD Sensitive Parts Notice
Cell 14: G202
Figure 15:

Cell 14: G202 continued - Pontiac


Object Number: 497590  Size: FS
Power and Grounding Components
Cell 14: G202 continued - Oldsmobile
Cell 14: G202 continued - Buick
Handling ESD Sensitive Parts Notice
Handling ESD Sensitive Parts Notice
Handling ESD Sensitive Parts Notice
Handling ESD Sensitive Parts Notice
Handling ESD Sensitive Parts Notice
Handling ESD Sensitive Parts Notice
Cell 14: G202
Figure 16:

Cell 14: G202 continued - Oldsmobile


Object Number: 497593  Size: FS
Power and Grounding Components
Cell 14: G402 - Buick
Cell 14: G202 continued - Pontiac
Cell 14: G202
Handling ESD Sensitive Parts Notice
Figure 17:

Cell 14: G402 - Buick


Object Number: 497594  Size: FS
Power and Grounding Components
Cell 14: G402 - Pontiac
Cell 14: G202 continued - Oldsmobile
Cell 14: G202
Figure 18:

Cell 14: G402 - Pontiac


Object Number: 497596  Size: FS
Power and Grounding Components
Cell 14: G402 - Oldsmobile
Cell 14: G402 - Buick
Cell 14: G202
Figure 19:

Cell 14: G402 - Oldsmobile


Object Number: 497598  Size: FS
Power and Grounding Components
Cell 14: G402 - Pontiac
Cell 14: G202