GM Service Manual Online
For 1990-2009 cars only

Headlamp Bracket Replacement Buick/Pontiac

Removal Procedure

  1. Remove the headlamp. Refer to Headlamp Replacement in Lighting Systems.

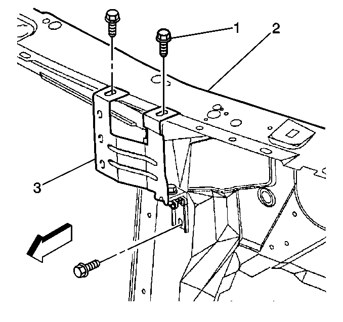
  2. Object Number: 309409  Size: SH
  3. Remove the bolts (1) that retain the headlamp mounting bracket (3) to the radiator support (2).
  4. Remove the headlamp mounting bracket (3).

Installation Procedure


    Object Number: 309409  Size: SH
  1. Install the headlamp mounting bracket (3).
  2. Install the bolts (1) in order to retain the headlamp mounting bracket (3).
  3. Tighten
    Tighten the bolts to 9.5 N·m (84 lb in).

  4. Install the headlamp. Refer to Headlamp Replacement in Lighting Systems.

Headlamp Bracket Replacement Regency

Removal Procedure

  1. Remove the headlamp. Refer to Headlamp Replacement in Lighting Systems.
  2. Remove the grille. Refer to Air Inlet Grille Panel Replacement .

  3. Object Number: 309411  Size: SH
  4. Remove the nuts (2) retaining the headlamp mounting bracket (1) to the fender.
  5. Remove the bolts (5) retaining the headlamp mounting bracket (1) to the radiator support (3).
  6. Remove the headlamp mounting bracket (1).

Installation Procedure


    Object Number: 309411  Size: SH
  1. Install the headlamp mounting bracket (1).
  2. Notice: Use the correct fastener in the correct location. Replacement fasteners must be the correct part number for that application. Fasteners requiring replacement or fasteners requiring the use of thread locking compound or sealant are identified in the service procedure. Do not use paints, lubricants, or corrosion inhibitors on fasteners or fastener joint surfaces unless specified. These coatings affect fastener torque and joint clamping force and may damage the fastener. Use the correct tightening sequence and specifications when installing fasteners in order to avoid damage to parts and systems.

  3. Install the bolts (5) in order to retain the headlamp mounting bracket (1).
  4. Tighten
    Tighten the bolts to 9.5 N·m (84 lb in).

  5. Install the nuts (2) in order to retain the headlamp mounting bracket (1) to the fender.
  6. Tighten
    Tighten the nuts to 9.5 N·m (84 lb in).

  7. Install the grille. Refer to Air Inlet Grille Panel Replacement .
  8. Install the headlamp. Refer to Headlamp Replacement in Lighting Systems.