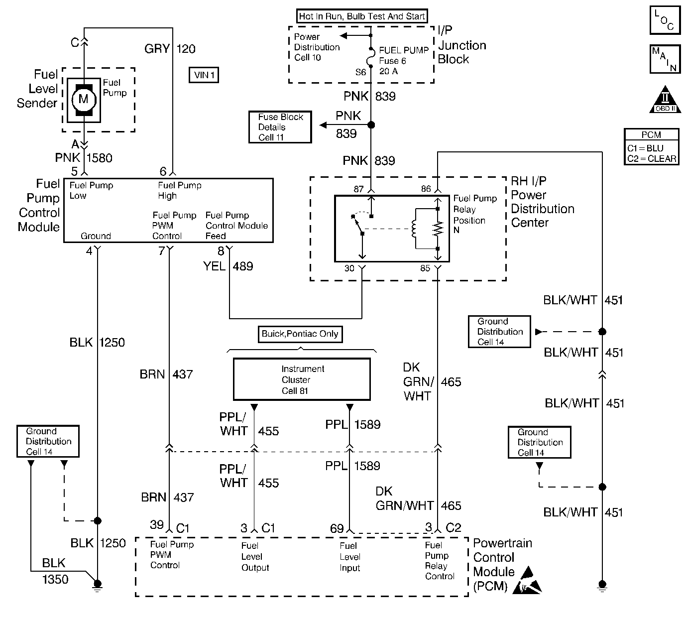
Output Driver Modules (ODMs) are used by the PCM to turn on many of the current-driven devices that are needed to control various engine and Transaxle functions. Each ODM is capable of controlling up to 7 separate outputs by applying ground to the device which the PCM is commanding ON. Unlike the Quad Driver Modules (QDMs) used in prior model years, ODMs have the capability of diagnosing each output circuit individually. DTC P1667 set indicates an improper voltage level has been detected on ODM A output 3, which controls the Fuel Pump Speed Control PWM signal to the fuel pump control module.
| • | The ignition is ON. |
| • | An improper voltage level has been detected on the Fuel Pump speed control PWM circuit. |
| • | The above conditions are present for at least 30 seconds. |
| • | The PCM will not illuminate the malfunction indicator lamp (MIL). |
| • | The PCM will store conditions which were present when the DTC set as Failure Records data only. This information will not be stored as Freeze Frame data. |
| • | A History DTC will clear after 40 consecutive warm-up cycles have occurred without a malfunction. |
| • | The DTC can be cleared by using the scan tool Clear Info function. |
Check for the following conditions:
| • | Poor connection at the PCM or fuel pump control module. |
| Inspect harness connectors for backed out terminals, improper mating, broken locks, improperly formed or damaged terminals, and poor terminal to wire connection. |
| • | Damaged harness. |
| Inspect the wiring harness for damage. |
| • | If the harness appears to be OK, disconnect the PCM, turn the ignition ON and observe a digital multimeter connected between the fuel pump speed control PWM circuit and ground at the PCM harness connector while moving connectors and wiring harnesses related to the fuel pump control module. A change in voltage will indicate the location of the malfunction. |
Reviewing the Fail Records vehicle mileage since the diagnostic test last failed may help determine how often the condition that caused the DTC to be set occurs. This may assist in diagnosing the condition.
Numbers below Refer to the step numbers on the Diagnostic Table.
Normally, ignition feed voltage should be present on the control circuit with the PCM disconnected and the ignition turned ON.
Checks for a shorted component or a short to B+ on the control circuit. Either condition would result in a measured current of over 500 milliamps. Also checks for a component that is going open while being operated, resulting in a measured current of 0 milliamps.
Checks for a short to voltage on the control circuit.
This vehicle is equipped with a PCM which utilizes an Electrically Erasable Programmable Read Only Memory (EEPROM). When the PCM is being replaced, the new PCM must be programmed.
Step | Action | Values | Yes | No | ||||||
|---|---|---|---|---|---|---|---|---|---|---|
1 | Was the Powertrain On-Board Diagnostic (OBD) System Check performed? | -- | ||||||||
Is voltage near the specified value? | B+ | |||||||||
Does the current reading remain between the specified values? | 0.001-0.5 Amp (1-500 mA) | |||||||||
Is voltage at the specified value? | 0 V | |||||||||
5 | Locate and repair short to voltage in the fuel pump speed control PWM circuit. Refer to Wiring Repairs in Wiring Systems. Is action complete? | -- | -- | |||||||
6 | Check the ignition feed fuse for the fuel pump relay. Is the fuse blown? | -- | ||||||||
7 |
Is action complete? | -- | -- | |||||||
8 |
Is voltage near the specified value? | B+ | ||||||||
9 |
Was a problem found? | -- | ||||||||
10 |
Was a problem found? | -- | ||||||||
11 |
Does the test lamp flash ON and OFF? | -- | ||||||||
12 |
Was a problem found? | -- | ||||||||
13 | Locate and repair open in the ignition feed circuit.
Refer to Wiring Repairs in Wiring Systems. Is action complete? | -- | -- | |||||||
14 | Replace the fuel pump control module. Refer to Fuel Pump Control Module Replacement . Is action complete? | -- | -- | |||||||
|
Important:: The replacement PCM must be programmed. Refer to Powertrain Control Module Replacement/Programming . Replace the PCM. Is action complete? | -- | -- | ||||||||
16 |
Was a problem found? | -- | ||||||||
17 | Replace the fuel pump relay. Refer to Fuel Pump Relay Replacement . Is action complete? | -- | ||||||||
18 |
Does the scan tool indicate DTC P1667 failed this ign? | -- | System OK |