GM Service Manual Online
For 1990-2009 cars only
Makes
🢒
Oldsmobile
🢒
1999
🢒
Intrigue
🢒
Brakes
🢒
Antilock Brake System - Delco VI
🢒 Antilock Brake System Schematics
Figure
1:
Cell 44: EBTCM, Power, Grounds, and Brake Modulator
ABS Components
ABS Description
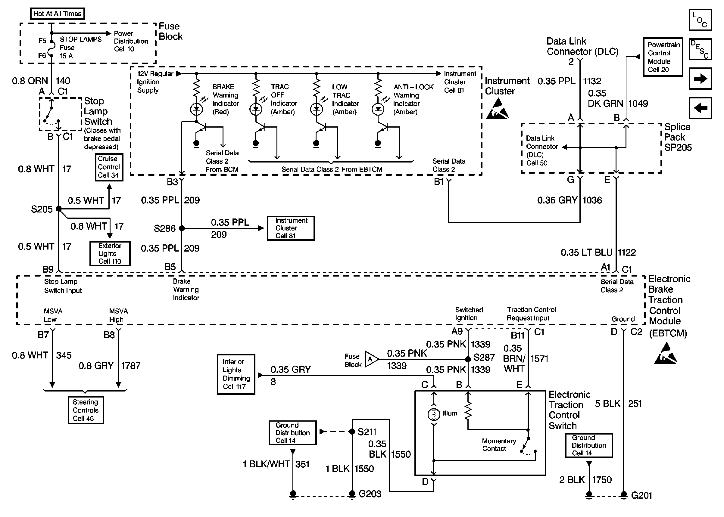
Cell 44: EBTCM, Cluster Indicators, Class 2, and Traction Control Switch
Cell 10: Battery, Generator, EBTCM, and Underhood Accessory Wiring Junction Block
Cell 10: ABS, and BTSI Fuses
Cell 44: EBTCM, Cluster Indicators, Class 2, and Traction Control Switch
Cell 51: BCM Power, DRL Link, Fog Lamps, and Horn
Cell 10: ABS BCM, CD CHANGER, CIGAR LTR AUX POWER, INADV POWER BUS,and RADIO HVAC RFA CLUSTER DATA LINK Fuses
Handling Electrostatic Discharge Sensitive Parts Notice
Figure
2:
Cell 44: EBTCM, Cluster Indicators, Class 2, and Traction Control Switch
ABS Components
ABS Description
Cell 44: EBTCM, and Wheel Speed Sensors
Cell 44: EBTCM, Power, Grounds, and Brake Modulator
Power, Ground, DLC and MIL
Cell 10: DOOR LOCKS, HAZARD, HIGH BLOWER, POWER MIRRORS, and STOP LAMPS Fuses
Cell 81: Low Engine Coolant Level Switch, Engine Coolant Level Indicator Module, PCM and SDM
Cell 81: Low Engine Coolant Level Switch, Engine Coolant Level Indicator Module, PCM and SDM
Handling Electrostatic Discharge Sensitive Parts Notice
Handling Electrostatic Discharge Sensitive Parts Notice
Cell 14: LH IP Ground G201
Cell 14: LH IP Ground G203
Cell 117: Power, Instrument Cluster, Headlamp Switch, Steering Wheel Control Switch,
Cell 45: EBTCM, Power, Ground, Class 2, and MSVA Actuator
Cell 110: Power, Stop Lamp Switch, Stop Lamps, CHMSL Lamps
Cell 34: Power, Ground, Steering Wheel Control and Stop Lamp Switch
Cell 44: EBTCM, Power, Grounds, and Brake Modulator
Cell 81: Brake Fluid Level Indicator Switch and EBTCM
Cell 50
Figure
3:
Cell 44: EBTCM, and Wheel Speed Sensors
ABS Components
ABS Description
Cell 44: EBTCM, Cluster Indicators, Class 2, and Traction Control Switch
Handling Electrostatic Discharge Sensitive Parts Notice
Notice Twisted Wires