GM Service Manual Online
For 1990-2009 cars only
Makes
🢒
Oldsmobile
🢒
1999
🢒
Intrigue
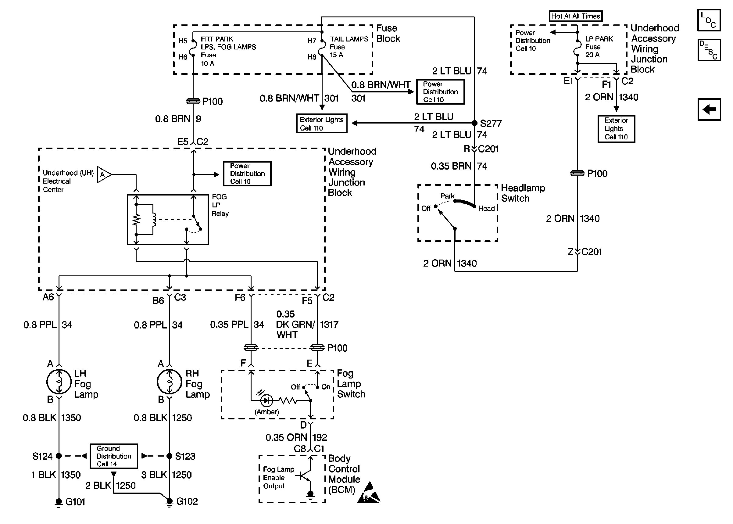
🢒 Cell 103: Power, Fog Lamps, Headlamp Switch, Fog Lamp Switch, BCM
Cell 103: Power, Fog Lamps, Headlamp Switch, Fog Lamp Switch, BCM
Cell 103: Power, Fog Lamps, Headlamp Switch, Fog Lamp Switch, BCM
Lighting Systems Components
Fog Lights Circuit Description
Cell 103: Power, Instrument Cluster, Headlamp Switch, Headlamps
Cell 110: Power, DRL Control Module, BCM, Headlamp Switch, Park Brake Indicator Switch
Cell 10: HDLP L, HDLP R, and LP PARK Fuses
Cell 110: Power, Hazard Warning Switch, Turn Signal Switch, Turn Signal Lamps, Instrument Cluster
Cell 110: Power, Hazard Warning Switch, Turn Signal Switch, Turn Signal Lamps, Instrument Cluster
Cell 110: Power, Hazard Warning Switch, Turn Signal Switch, Turn Signal Lamps, Instrument Cluster
Cell 103: Power, Instrument Cluster, Headlamp Switch, Headlamps
Cell 14: Forward Lamp Grounds G101, and G102
Handling ESD Sensitive Parts Notice