GM Service Manual Online
For 1990-2009 cars only
Makes
🢒
Oldsmobile
🢒
1999
🢒
Intrigue
🢒 Cell 34: PCM, Instrument Cluster and Ground
Cell 34: PCM, Instrument Cluster and Ground
Cell 34: PCM, Instrument Cluster and Gound
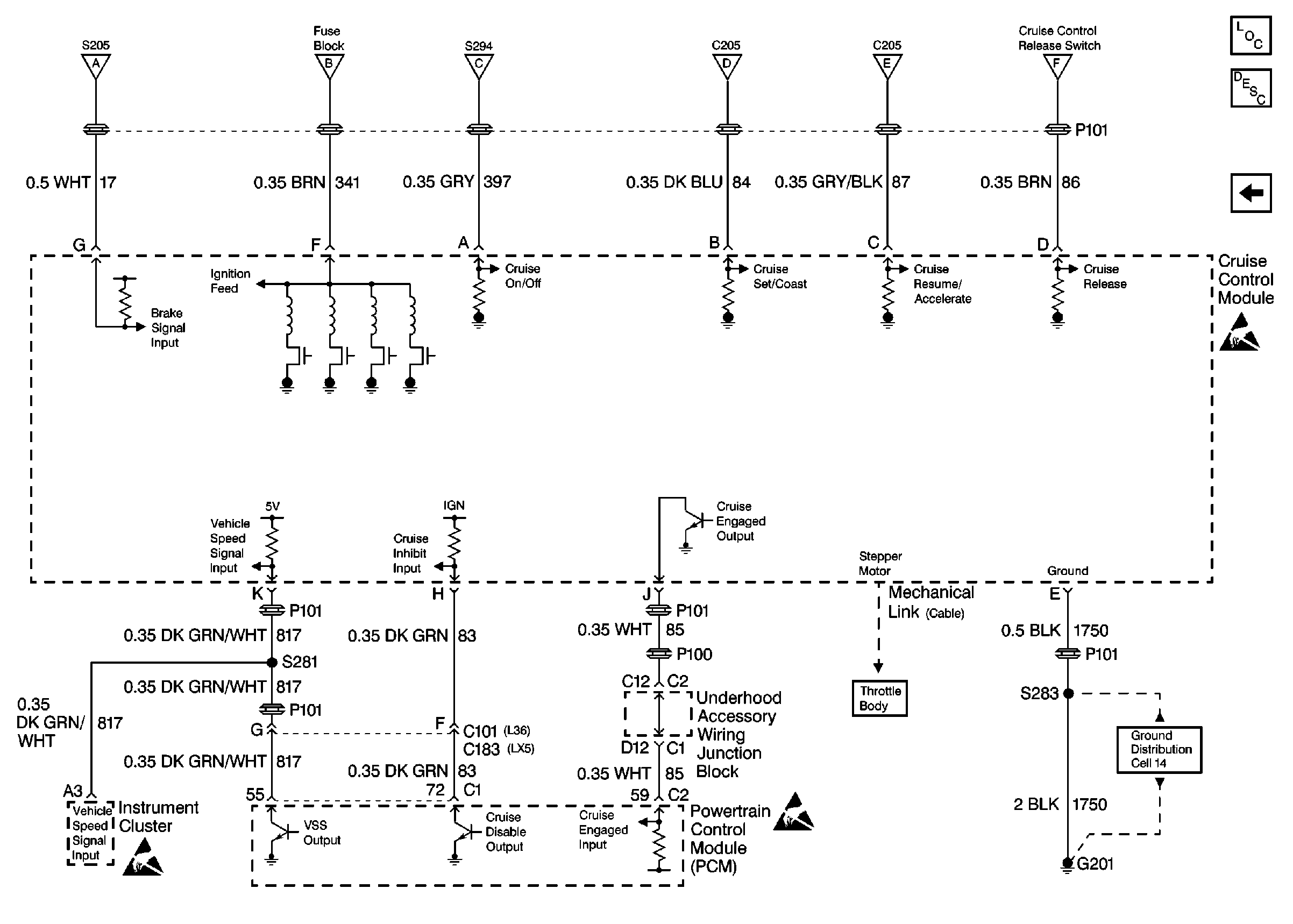
Cruise Control Components
Cruise Control System Circuit Description
Cell 34: Power, Ground, Steering Wheel Control and Stop Lamp Switch
Handling ESD Sensitive Parts Notice
Cell 14: LH IP Ground G201
Handling ESD Sensitive Parts Notice
Handling ESD Sensitive Parts Notice
Cell 34: Power, Ground, Steering Wheel Control and Stop Lamp Switch
Cell 34: Power, Ground, Steering Wheel Control and Stop Lamp Switch
Cell 34: Power, Ground, Steering Wheel Control and Stop Lamp Switch
Cell 34: Power, Ground, Steering Wheel Control and Stop Lamp Switch
Cell 34: Power, Ground, Steering Wheel Control and Stop Lamp Switch
Cell 34: Power, Ground, Steering Wheel Control and Stop Lamp Switch