GM Service Manual Online
For 1990-2009 cars only

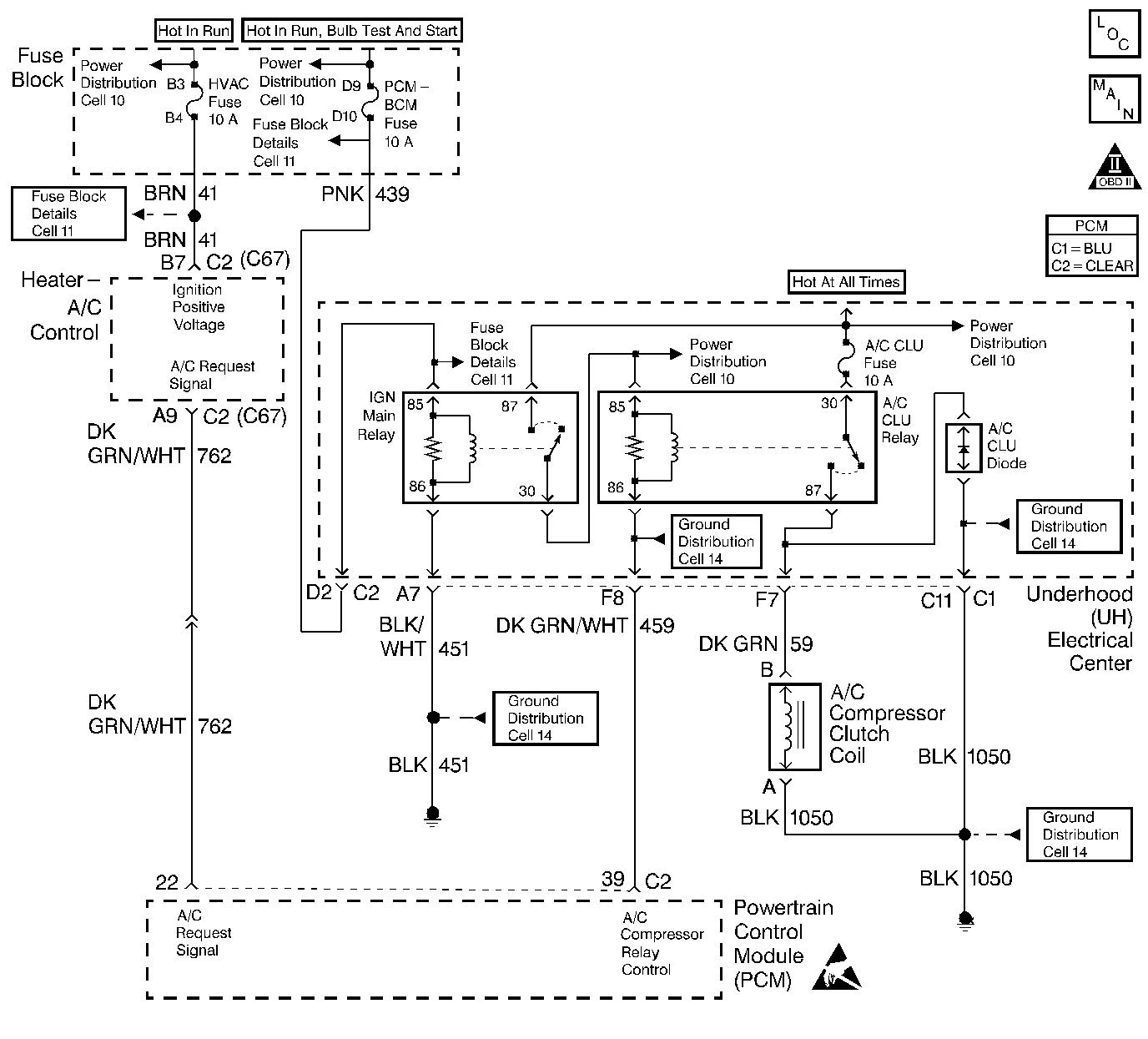
Object Number: 154430  Size: LF
Engine Controls Components
A/C Compressor Controls
OBD II Symbol Description Notice

Circuit Description

Output driver modules (ODMs) are used by the powertrain control module (PCM) to turn on many of the current-driven devices that are needed to control various engine and transaxle functions. Each ODM is capable of controlling up to 7 separate outputs by applying ground to the device which the PCM is commanding on. Unlike the quad driver modules (QDMs) used in prior model years, ODMs have the capability of diagnosing each output circuit individually. A DTC P1641 set indicates an improper voltage level is detected on the output circuit which controls the A/C relay.

Conditions for Setting the DTC

    • The ignition is on.
    • An improper voltage level is detected on the output circuit which controls the A/C relay.
    • The above conditions are present for at least 30 seconds.

Action Taken When the DTC Sets

The PCM stores the conditions which were present when the DTC set as Fail Records data only.

Conditions for Clearing the MIL/DTC

    • A history DTC clears after 40 consecutive warm-up cycles have occurred without a malfunction.
    • The DTC may be cleared using the scan tool Clear Info function or by disconnecting the PCM battery feed.

Diagnostic Aids

Inspect for the following conditions:

    • A faulty connection at the PCM. Inspect the harness connectors for backed out terminals, improper mating, broken locks, improperly formed or damaged terminals, and faulty terminal to wire connections.
    • Inspect the wiring harness for damage. If the harness appears to be OK, disconnect the PCM, turn the ignition on, and observe a digital multimeter connected between the A/C compressor control relay control circuit and ground at the PCM harness connector while moving the connectors and the wiring harnesses related to the A/C compressor control relay. A change in the voltage indicates the location of the malfunction.

Reviewing the Fail Records vehicle mileage since the diagnostic test last failed may help determine how often the condition that caused the DTC to be set occurs. This may assist in diagnosing the condition.

Step

Action

Value(s)

Yes

No

1

Did you perform the Powertrain On-Board Diagnostic (OBD) System Check?

--

Go to Step 2

Go to Powertrain On Board Diagnostic (OBD) System Check

2

  1. Turn the ignition switch to the OFF position.
  2. Remove the A/C relay.
  3. Connect a test lamp between the ignition positive feed and the A/C relay control circuit cavities in the A/C relay connector.
  4. Turn the ignition switch to the ON position.
  5. Using the scan tool, Special Functions, Outputs, cycle the A/C relay ON and OFF.

Does the test lamp flash on and off?

--

Go to Step 5

Go to Step  3

3

  1. Leave the A/C relay removed.
  2. Leave the ignition switch in the ON position.
  3. Connect the test lamp to ground.
  4. Probe the ignition positive feed cavity in the A/C relay connector.

Does the test lamp illuminate?

--

Go to Step  4

Go to Step 6

4

  1. Test for the following circuit conditions:
  2. • An open, short to ground, or short to voltage in the A/C relay control circuit.
    • A faulty terminal connection at the PCM.
  3. If a problem is found, repair as necessary. Refer to Wiring Repairs or to Connector Repairs in Wiring Systems.

Was a problem found?

--

Go to Step  9

Go to Step 8

5

  1. Test for faulty terminal connections in the A/C relay connector.
  2. If a problem is found, repair as necessary. Refer to Connector Repairs in Wiring Systems.

Was a problem found?

--

Go to Step  9

Go to Step 7

6

Locate and repair the open circuit or faulty splice connection in the ignition positive voltage feed circuit to the A/C relay. Refer to Wiring Repairs in Wiring Systems.

Did you complete the repair?

--

Go to Step  9

--

7

Replace the A/C relay.

Did you complete the repair?

--

Go to Step  9

--

8

Important: The replacement PCM must be reprogrammed. Refer to PCM Replacement/Programming.

Replace the PCM.

Did you complete the repair?

--

Go to Step  9

--

9

  1. Review and record the scan tool Fail Records data.
  2. Clear the DTCs.
  3. Operate the vehicle within the Fail Records conditions as noted.
  4. Use the scan tool in order to monitor the Specifiec DTC info for DTC P1641.

Does the scan tool indicate DTC P1641 Failed This Ign?

--

Go to Step 2

System OK