GM Service Manual Online
For 1990-2009 cars only
Makes
🢒
Oldsmobile
🢒
2000
🢒
Intrigue
🢒
HVAC
🢒
HVAC Systems - Manual
🢒 HVAC Air Delivery/Temperature Control Schematics
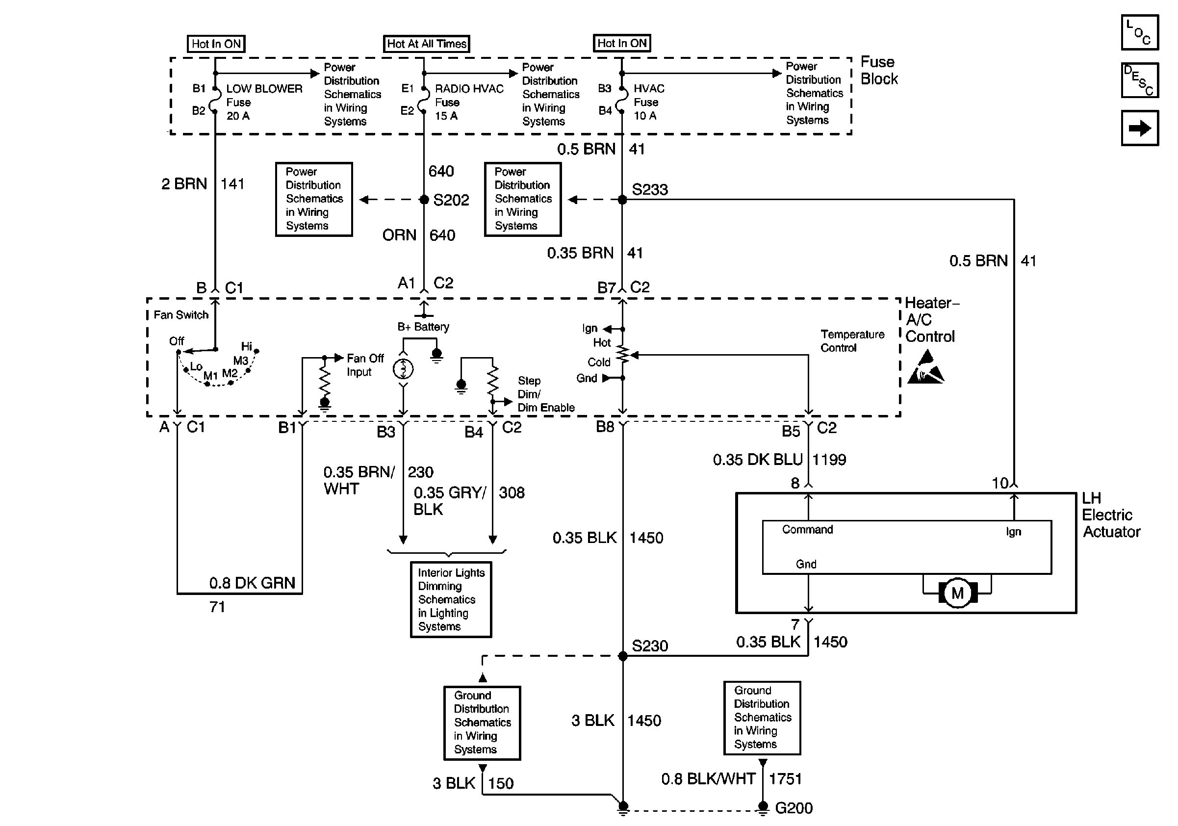
Figure
1:
HVAC Components
HVAC Air Delivery/Temperature Control Circuit Description
Air System C67
Compressor Controls C67
Low Blower, Cruise and HVAC Fuses
Radio/HVAC/RFA/Cluster/DATA Link, Cigar LTR./AUX Power and CD Changer Fuses
Low Blower, Cruise and HVAC Fuses
Radio/HVAC/RFA/Cluster/DATA Link, Cigar LTR./AUX Power and CD Changer Fuses
Low Blower, Cruise and HVAC Fuses
Ground G200
Ground G200
Figure
2:
HVAC Components
HVAC Air Delivery/Temperature Control Circuit Description
Vacuum Electric Solenoid C67
Heater A/C Control C67
Low Blower, Cruise and HVAC Fuses
Low Blower, Cruise and HVAC Fuses
Figure
3:
HVAC Components
HVAC Air Delivery/Temperature Control Circuit Description
Air System C67