GM Service Manual Online
For 1990-2009 cars only
Figure 1:

PCM Power and Grounds


Object Number: 590095  Size: FS
Engine MaxiFuses, Underhood Fuses and Ignition Main Relay
Engine MaxiFuses, Underhood Fuses and Ignition Main Relay
Engine MaxiFuses, Underhood Fuses and Ignition Main Relay
Engine MaxiFuses, Underhood Fuses and Ignition Main Relay
Fuse Block: Heated Mirrors, Crank Signal/BCM/Cluster and IGN 0/Cluster/PCM/BCMFuses
Ground G113
Ground G200
Ground G203
Turn Signal/Corn Lps, Air Bag, Cluster
Radio/HVAC/RFA/Cluster/DATA Link, Cigar LTR./AUX Power and CD Changer Fuses
Low Engine Coolant Level Switch Input and MIL Input
Handling ESD Sensitive Parts Notice
Radio/HVAC/RFA/Cluster/DATA Link, Cigar LTR./AUX Power and CD Changer Fuses
Handling ESD Sensitive Parts Notice
DLC Schematic
Engine Controls Component Views
Powertrain Control Module Description
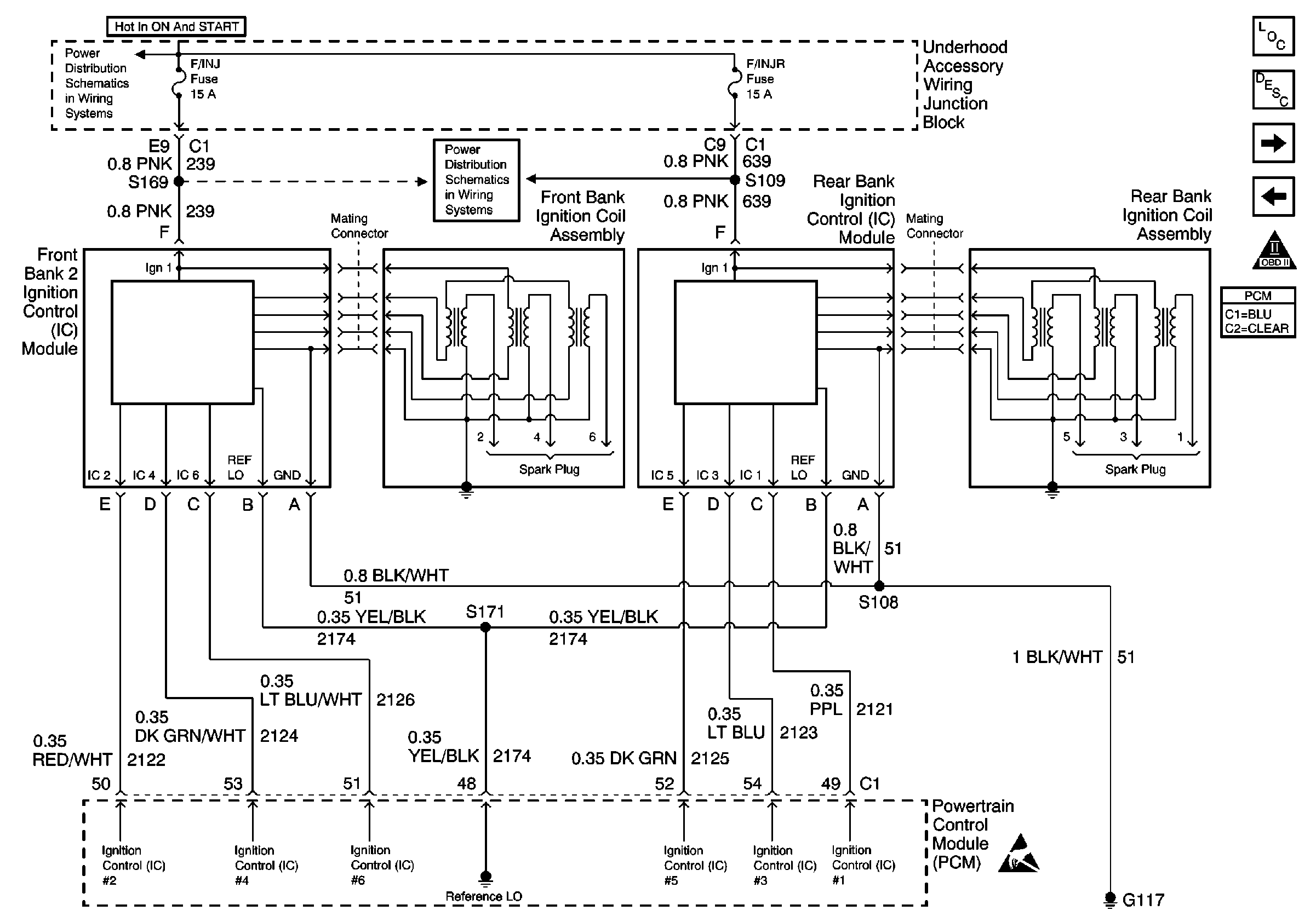
Front and Rear Ignition Control Modules
OBD II Symbol Description Notice
Figure 2:

Front and Rear Ignition Control Modules


Object Number: 590096  Size: FS
Fuel Injector Fuses
Fuel Injector Fuses
Fuel Injector Fuses
Fuel Injector Fuses
Handling ESD Sensitive Parts Notice
Engine Controls Component Views
Powertrain Control Module Description
Crankshaft and Camshaft Position Sensor
PCM Power and Grounds
OBD II Symbol Description Notice
Figure 3:

Crankshaft and Camshaft Position Sensor


Object Number: 590097  Size: FS
Handling ESD Sensitive Parts Notice
Engine Controls Component Views
Powertrain Control Module Description
PCM Fuel Tank Inputs
Front and Rear Ignition Control Modules
OBD II Symbol Description Notice
Figure 4:

PCM Fuel Tank Inputs


Object Number: 590098  Size: FS
Engine MaxiFuses, Underhood Fuses and Ignition Main Relay
Ground G302 2 of 2
Ground G113
Ground G113
Handling ESD Sensitive Parts Notice
Engine Controls Component Views
Powertrain Control Module Description
PCM Emission Inputs
Crankshaft and Camshaft Position Sensor
OBD II Symbol Description Notice
Figure 5:

PCM Emission Inputs


Object Number: 590102  Size: FS
Engine Emissions Fuses
Engine Emissions Fuses
Handling ESD Sensitive Parts Notice
Engine Controls Component Views
Powertrain Control Module Description
PCM Engine Oil Level and Pressure Inputs
PCM Fuel Tank Inputs
OBD II Symbol Description Notice
Figure 6:

PCM Engine Oil Level and Pressure Inputs


Object Number: 590105  Size: FS
Turn Signal/Corn Lps, Air Bag, Cluster
Ground G113
Ground G113
Ground G117
Handling ESD Sensitive Parts Notice
Handling ESD Sensitive Parts Notice
Engine Controls Component Views
Powertrain Control Module Description
PCM Automatic Transaxle Inputs
PCM Emission Inputs
OBD II Symbol Description Notice
Figure 7:

PCM Automatic Transaxle Inputs


Object Number: 590119  Size: FS
Figure 8:

PCM Automatic Transaxle Outputs


Object Number: 590121  Size: FS
Engine Emissions Fuses
Trans Solenoid, ABS, and O2 Sensor Fuses
Trans Solenoid, ABS, and O2 Sensor Fuses
Handling ESD Sensitive Parts Notice
Engine Controls Component Views
Powertrain Control Module Description
Fuel Injectors
PCM Automatic Transaxle Inputs
OBD II Symbol Description Notice
Figure 9:

Fuel Injectors


Object Number: 590126  Size: FS
Fuel Injector Fuses
Fuel Injector Fuses
Fuel Injector Fuses
Handling ESD Sensitive Parts Notice
Engine Controls Component Views
Powertrain Control Module Description
A/C Pressure Switch, TPS, MAP, ECT and IAT
PCM Automatic Transaxle Outputs
OBD II Symbol Description Notice
Figure 10:

A/C Pressure Switch, TPS, MAP, ECT and IAT


Object Number: 590134  Size: FS
Handling ESD Sensitive Parts Notice
Handling ESD Sensitive Parts Notice
Engine Controls Component Views
Powertrain Control Module Description
Heated O2 Sensors
Fuel Injectors
OBD II Symbol Description Notice
Figure 11:

Heated O2 Sensors


Object Number: 590136  Size: FS
Trans Solenoid, ABS, and O2 Sensor Fuses
Handling ESD Sensitive Parts Notice
Engine Controls Component Views
Powertrain Control Module Description
MAF, Secondary Air Injection Pump Bypass Solenoid, IAC and Secondary AIR Pump
A/C Pressure Switch, TPS, MAP, ECT and IAT
OBD II Symbol Description Notice
Figure 12:

MAF, Secondary Air Injection Pump Bypass Solenoid, IAC and Secondary AIR Pump


Object Number: 590140  Size: FS
Engine Emissions Fuses
Ground G117
Ground G113
Handling ESD Sensitive Parts Notice
Engine Controls Component Views
Powertrain Control Module Description
Cruise Control Module, EBCM and VSS
Heated O2 Sensors
OBD II Symbol Description Notice
Figure 13:

Cruise Control Module, EBCM and VSS


Object Number: 590147  Size: FS
Handling ESD Sensitive Parts Notice
Handling ESD Sensitive Parts Notice
Handling ESD Sensitive Parts Notice
Engine Controls Component Views
Powertrain Control Module Description
Heater- A/C Control and A/C Compressor Clutch Coil
MAF, Secondary Air Injection Pump Bypass Solenoid, IAC and Secondary AIR Pump
OBD II Symbol Description Notice
Figure 14:

Heater- A/C Control and A/C Compressor Clutch Coil


Object Number: 590151  Size: FS
Low Blower, Cruise and HVAC Fuses
Fuse Block: Heated Mirrors, Crank Signal/BCM/Cluster and IGN 0/Cluster/PCM/BCMFuses
Turn Signal/Corn Lps, Air Bag, Cluster
Turn Signal/Corn Lps, Air Bag, Cluster
Turn Signal/Corn Lps, Air Bag, Cluster
Rear Cmpt Rel, ECM, GEN, Fog Lamps, Fuel Pump, A/C Clutch and Horn FusEs
Ground G113
Ground G113
Ground G113
Rear Cmpt Rel, ECM, GEN, Fog Lamps, Fuel Pump, A/C Clutch and Horn FusEs
Ground G117
Ground G117
Handling ESD Sensitive Parts Notice
Engine Controls Component Views
Powertrain Control Module Description
Transaxle Range Switch Outputs
Cruise Control Module, EBCM and VSS
OBD II Symbol Description Notice
Figure 15:

Transaxle Range Switch Outputs


Object Number: 590154  Size: FS
Turn Signal/Corn Lps, Air Bag, Cluster
Turn Signal/Corn Lps, Air Bag, Cluster
Park/Neutral Position (PNP) Switch Outputs
Ground G113
Ground G117
Handling ESD Sensitive Parts Notice
Handling ESD Sensitive Parts Notice
Engine Controls Component Views
Powertrain Control Module Description
Engine Cooling Fans
Heater- A/C Control and A/C Compressor Clutch Coil
OBD II Symbol Description Notice
Figure 16:

Engine Cooling Fans


Object Number: 590116  Size: FS
Engine MaxiFuses, Underhood Fuses and Ignition Main Relay
Ground G117
Handling ESD Sensitive Parts Notice
Handling ESD Sensitive Parts Notice
Engine Controls Component Views
Powertrain Control Module Description
Transaxle Range Switch Outputs
OBD II Symbol Description Notice