GM Service Manual Online
For 1990-2009 cars only
Makes
🢒
Oldsmobile
🢒
2000
🢒
Intrigue
🢒
Body and Accessories
🢒
Body Control System
🢒 SIR Schematics
Figure
1:
Power/Grounds, Inflator Modules
SIR Component Views
SIR System Component Description and Definitions
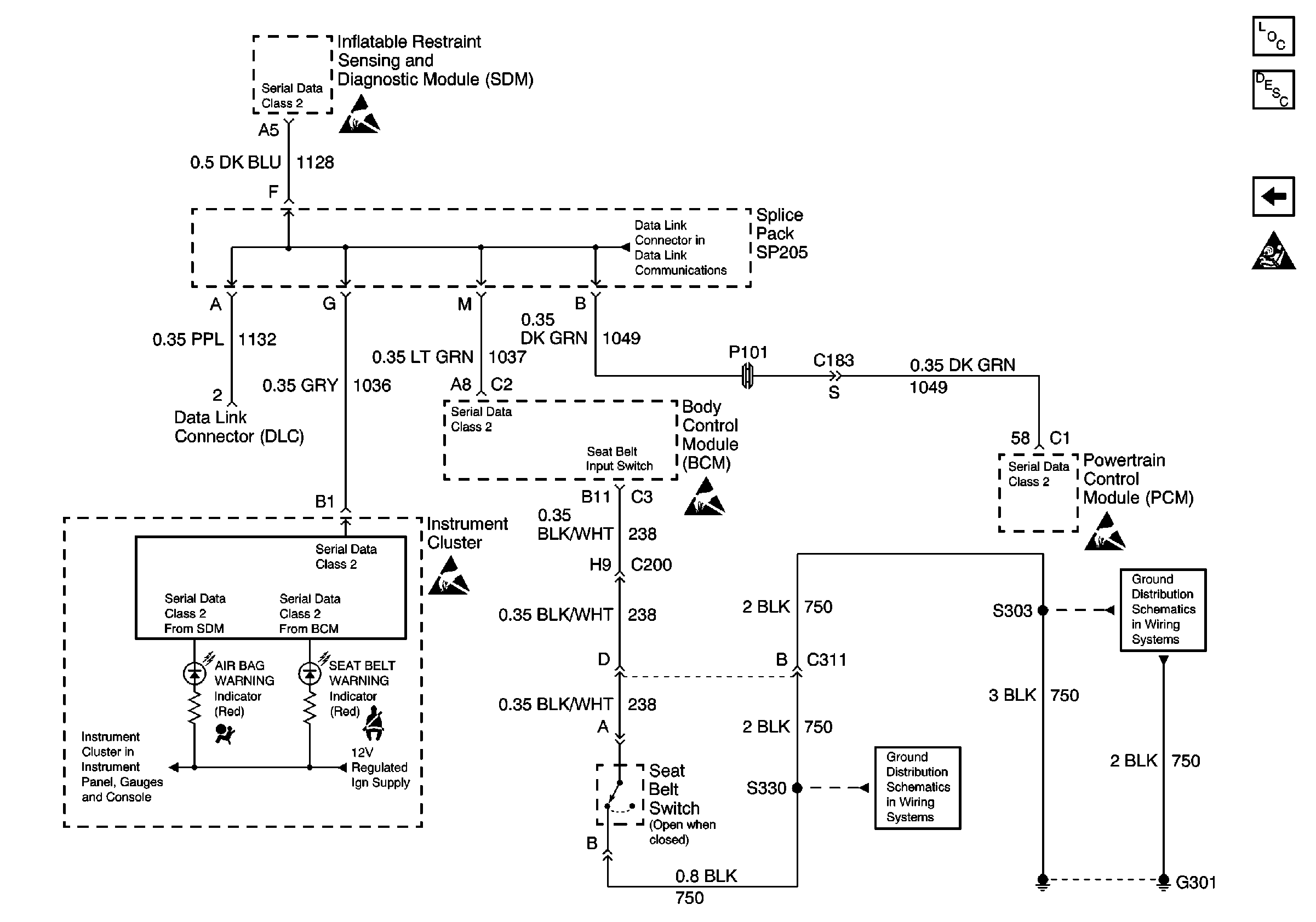
Serial Data, Seat Belt Switch Input
SIR Handling Caution
Figure
2:
Serial Data, Seat Belt Switch Input
SIR Component Views
SIR System Component Description and Definitions
Power/Grounds, Inflator Modules
SIR Handling Caution