GM Service Manual Online
For 1990-2009 cars only
Figure 1:

Powers, Grounds and DLC


Object Number: 675401  Size: FS
Master Electrical Component List original
Powertrain Control Module Description
Bank 1 and Bank 2 Ignition Control Modules
INADV POWER BUS/RAP, BCM, RADIO/HVAC/RFA/CLUSTER/DATA LINK, CIGAR LTR/AUXPOWER/POWER DROP Fuses and RAP Relay
BTSI, Turn Signals/CORN LPS, Air Bag, Cluster, PCM/BCM/Crank/IGN Fuses
BTSI, Turn Signals/CORN LPS, Air Bag, Cluster, PCM/BCM/Crank/IGN Fuses
R/CMPT, ECM, GEN, HDLP L and HDLP R Fuses and Deck Lid Release Relay
BTSI, Turn Signals/CORN LPS, Air Bag, Cluster, PCM/BCM/Crank/IGN Fuses
IGN 2, IGN 0/Cluster/PCM/BCM, Crank/Signal/BCM/Cluster Fuses
Indicators, DLC, Engine Oil Level and Engine Oil Pressure Switches
INADV POWER BUS/RAP, BCM, RADIO/HVAC/RFA/CLUSTER/DATA LINK, CIGAR LTR/AUXPOWER/POWER DROP Fuses and RAP Relay
Battery, MaxiFuses, Fusible Link, CRANK, FOG, A/C CLU, R/CMPT, R/PMP, HORN, and IGN Main Relays
Grounds G113, G117, G119
Ground G200
Ground G203
01 W-Car Olds: Data LInk Communications (Data LInk Connector)
Figure 2:

Bank 1 and Bank 2 Ignition Control Modules


Object Number: 675520  Size: FS
Master Electrical Component List original
Electronic Ignition (EI) System Description
01 W-Car Olds: Engine Controls (Crankshaft and Camshaft Position Sensors)
01 W-Car Olds: Engine Controls (Powers, Grounds and DLC)
F/INJR Fuses
TRANS, ABS, and OXY SEN Fuses
Figure 3:

Crankshaft and Camshaft Position Sensors


Object Number: 675526  Size: FS
Master Electrical Component List original
Electronic Ignition (EI) System Description
01 W-Car Olds: Engine Controls (Fuel Tank Inputs)
Bank 1 and Bank 2 Ignition Control Modules
Figure 4:

Fuel System Inputs


Object Number: 675531  Size: FS
Master Electrical Component List original
Fuel System Description
Emission Inputs
01 W-Car Olds: Engine Controls (Crankshaft and Camshaft Position Sensors)
Battery, MaxiFuses, Fusible Link, CRANK, FOG, A/C CLU, R/CMPT, R/PMP, HORN, and IGN Main Relays
Ground G302 (2 of 2)
Ground G113
Grounds G113, G117, G119
Figure 5:

Emission Inputs


Object Number: 675533  Size: FS
01 W-Car Olds: Engine Controls (Engine Oil Level and Pressure Inputs)
01 W-Car Olds: Engine Controls (Fuel Tank Inputs)
COOL Fan 1, COOL Fan 2, Cool Fan 3, A/C CLU, IGN Main, and AIR Pump Relays
COOL Fan 1, COOL Fan 2, Cool Fan 3, A/C CLU, IGN Main, and AIR Pump Relays
Figure 6:

Engine Oil Level and Pressure Inputs


Object Number: 675536  Size: FS
Master Electrical Component List original
Powertrain Control Module Description
01 W-Car Olds: Engine Controls (Automatic Transaxle Inputs)
Emission Inputs
BTSI, Turn Signals/CORN LPS, Air Bag, Cluster, PCM/BCM/Crank/IGN Fuses
Ground G113
Grounds G113, G117, G119
Ground G113
Figure 7:

Automatic Transaxle Inputs (1 of 2)


Object Number: 675545  Size: FS
Master Electrical Component List original
Powertrain Control Module Description
01 W-Car Olds: Engine Controls (Automatic Tramsaxle Outputs)
01 W-Car Olds: Engine Controls (Engine Oil Level and Pressure Inputs)
Figure 8:

Automatic Transaxle Inputs (2 of 2)


Object Number: 675548  Size: FS
Master Electrical Component List original
Powertrain Control Module Description
Fuel Injectors
01 W-Car Olds: Engine Controls (Automatic Transaxle Inputs)
F/INJR Fuses
COOL Fan 1, COOL Fan 2, Cool Fan 3, A/C CLU, IGN Main, and AIR Pump Relays
Figure 9:

Fuel Injectors


Object Number: 675549  Size: FS
Master Electrical Component List original
Fuel System Description
A/C, TP, MAP, ECT and IAT Sensors
01 W-Car Olds: Engine Controls (Automatic Tramsaxle Outputs)
F/INJR Fuses
F/INJR Fuses
TRANS, ABS, and OXY SEN Fuses
Figure 10:

A/C, TP, MAP, ECT and IAT Sensors


Object Number: 675553  Size: FS
Master Electrical Component List original
Powertrain Control Module Description
Heated O2 Sensors
Fuel Injectors
Compressor Control
Compressor Controls
Figure 11:

Heated O2 Sensors


Object Number: 675555  Size: FS
Master Electrical Component List original
Evaporative Emission Control System Description
AIR Bypass Valve Solenoid, AIR Pump and MAF Sen
A/C, TP, MAP, ECT and IAT Sensors
TRANS, ABS, and OXY SEN Fuses
Figure 12:

Secondary AIR Bypass Valve Solenoid, AIR Pump, IAC Valve and MAF Sensor


Object Number: 675557  Size: FS
Master Electrical Component List original
Secondary Air Injection System Description
01 W-Car Olds: Engine Controls (VSS, EBCM and Cruise Control Modules)
Heated O2 Sensors
COOL Fan 1, COOL Fan 2, Cool Fan 3, A/C CLU, IGN Main, and AIR Pump Relays
COOL Fan 1, COOL Fan 2, Cool Fan 3, A/C CLU, IGN Main, and AIR Pump Relays
Ground G113
Ground G113
Figure 13:

VSS, EBCM and Cruise Modules


Object Number: 675560  Size: FS
Master Electrical Component List original
Powertrain Control Module Description
01 W-Car Olds: Engine Controls (A/C Request and A/C Clutch Relay Controls)
AIR Bypass Valve Solenoid, AIR Pump and MAF Sen
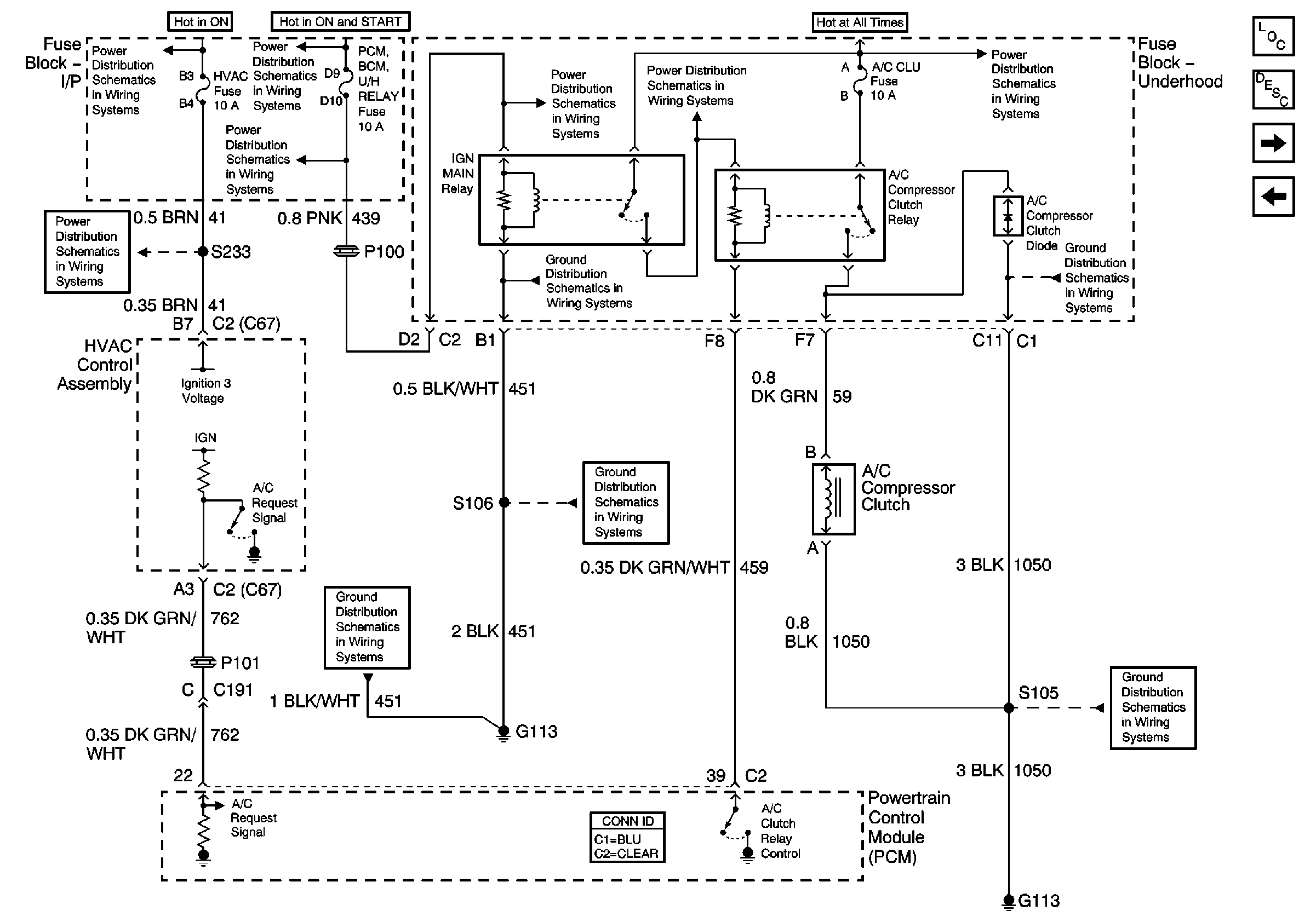
Figure 14:

A/C Request and A/C Clutch Relay Control Signals


Object Number: 675563  Size: FS
Master Electrical Component List original
Powertrain Control Module Description
01 W-Car Olds: Engine Controls (Transaxle Range Switch Outputs)
01 W-Car Olds: Engine Controls (VSS, EBCM and Cruise Control Modules)
Battery, MaxiFuses, Fusible Link, CRANK, FOG, A/C CLU, R/CMPT, R/PMP, HORN, and IGN Main Relays
Grounds G113, G117, G119
Battery, MaxiFuses, Fusible Link, CRANK, FOG, A/C CLU, R/CMPT, R/PMP, HORN, and IGN Main Relays
Battery, MaxiFuses, Fusible Link, CRANK, FOG, A/C CLU, R/CMPT, R/PMP, HORN, and IGN Main Relays
BTSI, Turn Signals/CORN LPS, Air Bag, Cluster, PCM/BCM/Crank/IGN Fuses
BTSI, Turn Signals/CORN LPS, Air Bag, Cluster, PCM/BCM/Crank/IGN Fuses
Low Blower, Cruise and HVAC Fuses
Low Blower, Cruise and HVAC Fuses
Ground G113
Ground G113
Grounds G113, G117, G119
Ground G113
Figure 15:

PNP Switch Outputs


Object Number: 675568  Size: FS
Master Electrical Component List original
Powertrain Control Module Description
01 W-Car Olds: Engine Controls (Automatic Transaxle Inputs)
01 W-Car Olds: Engine Controls (A/C Request and A/C Clutch Relay Controls)
BTSI, Turn Signals/CORN LPS, Air Bag, Cluster, PCM/BCM/Crank/IGN Fuses
BTSI, Turn Signals/CORN LPS, Air Bag, Cluster, PCM/BCM/Crank/IGN Fuses
Ground G113
Grounds G113, G117, G119
Figure 16:

Engine Cooling Fans


Object Number: 675573  Size: FS
Master Electrical Component List original
Powertrain Control Module Description
01 W-Car Olds: Engine Controls (Transaxle Range Switch Outputs)
Grounds G113, G117, G119
COOL Fan 1, COOL Fan 2, Cool Fan 3, A/C CLU, IGN Main, and AIR Pump Relays
Grounds G113, G117, G119