GM Service Manual Online
For 1990-2009 cars only
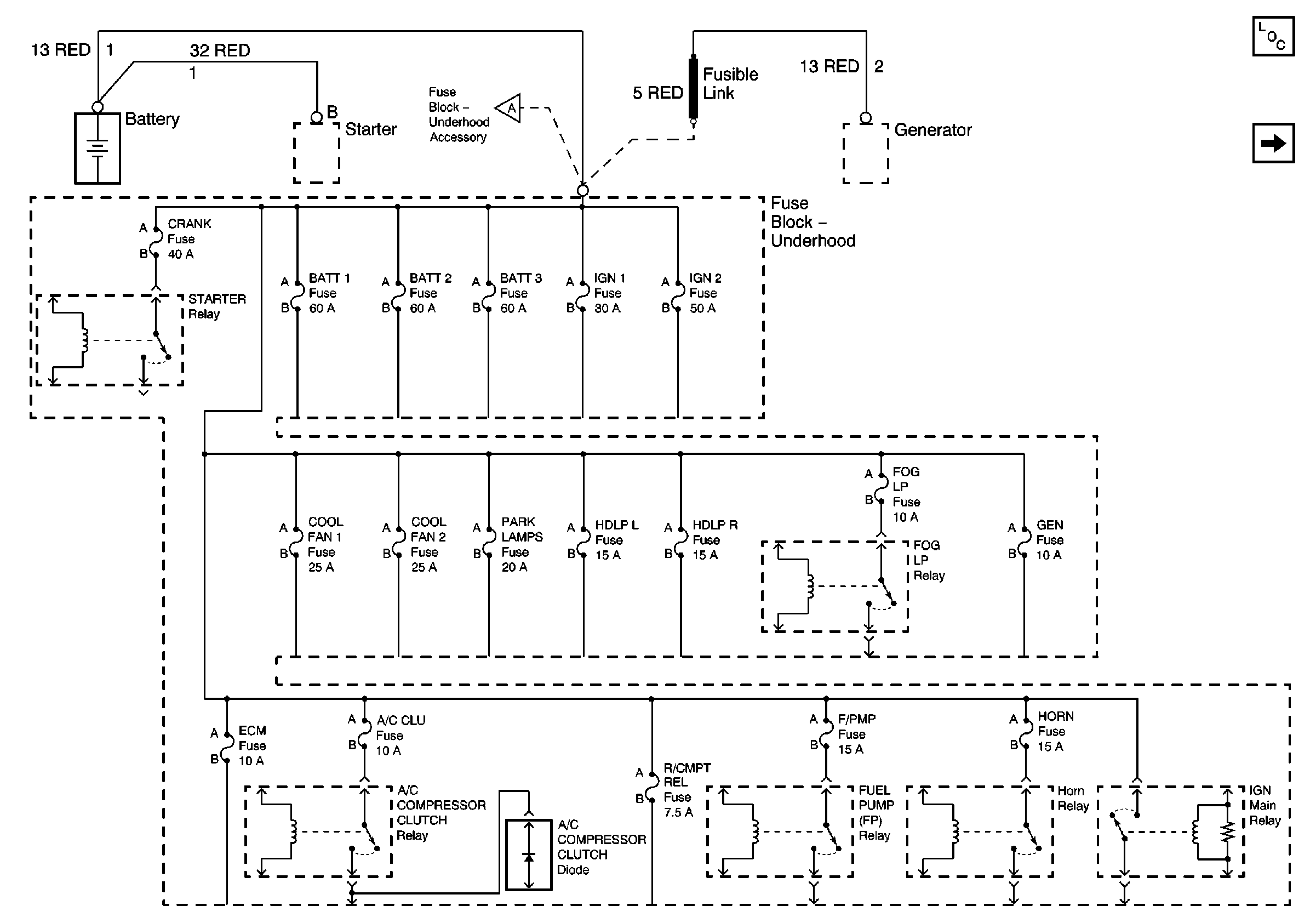
Figure 1:

Battery, MaxiFuses, Fusible Link, CRANK, FOG, A/C CLU, R/CMPT, R/PMP, HORN, and IGN Main Relays


Object Number: 676875  Size: FS
Master Electrical Component List original
Fusible Link, AIR Pump Relay, ABS Motor, ABS Valve and AIR Pump Fuses
Figure 2:

Fusible Link, AIR Pump Relay, ABS Motor, ABS Valve and AIR Pump Fuses


Object Number: 676891  Size: FS
Master Electrical Component List original
INADV POWER BUS/RAP, BCM, RADIO/HVAC/RFA/CLUSTER/DATA LINK, CIGAR LTR/AUXPOWER/POWER DROP Fuses and RAP Relay
Battery, MaxiFuses, Fusible Link, CRANK, FOG, A/C CLU, R/CMPT, R/PMP, HORN, and IGN Main Relays
Figure 3:

INADV POWER BUS/RAP, BCM, RADIO/HVAC/RFA/CLUSTER/DATA LINK, CIGAR LTR/AUX POWER/POWER DROP Fuses and RAP Relay


Object Number: 677266  Size: FS
Master Electrical Component List original
HIGH BLOWER, HAZARD, STOP LAMPS, DOOR LOCKS, POWER MIRRORS Fuses
Fusible Link, AIR Pump Relay, ABS Motor, ABS Valve and AIR Pump Fuses
Figure 4:

HIGH BLOWER, HAZARD, STOP LAMPS, DOOR LOCKS, POWER MIRRORS Fuses


Object Number: 677268  Size: FS
Master Electrical Component List original
ONSTAR, LH HEATED SEAT, RH HEATED SEAT, POWER SEATS, REAR DEFOG Fuses and Rear Window Defogger Relay
INADV POWER BUS/RAP, BCM, RADIO/HVAC/RFA/CLUSTER/DATA LINK, CIGAR LTR/AUXPOWER/POWER DROP Fuses and RAP Relay
Figure 5:

ONSTAR, LH HEATED SEAT, RH HEATED SEAT, POWER SEATS, REAR DEFOG Fuses and Rear Window Defogger Relay


Object Number: 677278  Size: FS
Master Electrical Component List original
R/CMPT, ECM, GEN, HDLP L and HDLP R Fuses and Deck Lid Release Relay
HIGH BLOWER, HAZARD, STOP LAMPS, DOOR LOCKS, POWER MIRRORS Fuses
Figure 6:

R/CMPT, ECM, GEN, HDLP L and HDLP R Fuses and Deck Lid Release Relay


Object Number: 677372  Size: FS
Master Electrical Component List original
Park Lamps, Front Park Lamps, Tail Lamps/Lic Lamps, Panel Dimming Fuses, Headlamp Switch, Headlamp and Parklamp Relays
ONSTAR, LH HEATED SEAT, RH HEATED SEAT, POWER SEATS, REAR DEFOG Fuses and Rear Window Defogger Relay
Figure 7:

Park Lamps, Front Park Lamps, Tail Lamps/Lic Lamps, Panel Dimming Fuses, Headlamp Switch, Headlamp and Parklamp Relays


Object Number: 677383  Size: FS
Master Electrical Component List original
I/P Lamps Power Distribution
R/CMPT, ECM, GEN, HDLP L and HDLP R Fuses and Deck Lid Release Relay
Figure 8:

I/P Lamps Power Distribution


Object Number: 677398  Size: FS
Master Electrical Component List original
LH and RH Steering Wheel Controls, LF and RF Window Switches, LF and RF Door Lock Switches and Outside Remote Control Mirror Switch Dimming Circuits
Park Lamps, Front Park Lamps, Tail Lamps/Lic Lamps, Panel Dimming Fuses, Headlamp Switch, Headlamp and Parklamp Relays
Figure 9:

LH and RH Steering Wheel Controls, LF and RF Window Switches, LF and RF Door Lock Switches and Outside Remote Control Mirror Switch Dimming Circuits


Object Number: 677415  Size: FS
Master Electrical Component List original
COOL Fan 1, COOL Fan 2, Cool Fan 3, A/C CLU, IGN Main, and AIR Pump Relays
I/P Lamps Power Distribution
Figure 10:

COOL Fan 1, COOL Fan 2, Cool Fan 3, A/C CLU, IGN Main, and AIR Pump Relays


Object Number: 677560  Size: FS
Master Electrical Component List original
TRANS, ABS, and OXY SEN Fuses
LH and RH Steering Wheel Controls, LF and RF Window Switches, LF and RF Door Lock Switches and Outside Remote Control Mirror Switch Dimming Circuits
Figure 11:

TRANS, ABS, and OXY SEN Fuses


Object Number: 685610  Size: FS
Master Electrical Component List original
F/INJR Fuses
COOL Fan 1, COOL Fan 2, Cool Fan 3, A/C CLU, IGN Main, and AIR Pump Relays
Figure 12:

F/INJR Fuses


Object Number: 685620  Size: FS
Master Electrical Component List original
IGN 1, PWR Windows/PWR Sunroof, Radio/Cruise, Power Drop and Wiper Fuses
TRANS, ABS, and OXY SEN Fuses
Figure 13:

IGN 1, PWR Windows/PWR Sunroof, Radio/Cruise, Power Drop and Wiper Fuses


Object Number: 678716  Size: FS
Master Electrical Component List original
BTSI, Turn Signals/CORN LPS, Air Bag, Cluster, PCM/BCM/Crank/IGN Fuses
F/INJR Fuses
Figure 14:

BTSI, Turn SIgnals/CORN LPS, Air Bag, Cluster, PCM/BCM/Crank/IGN Fuses


Object Number: 678718  Size: FS
Master Electrical Component List original
IGN 2, IGN 0/Cluster/PCM/BCM, Crank/Signal/BCM/Cluster Fuses
IGN 1, PWR Windows/PWR Sunroof, Radio/Cruise, Power Drop and Wiper Fuses
Figure 15:

IGN 2, IGN 0/Cluster/PCM/BCM, Crank/Signal/BCM/Cluster Fuses


Object Number: 678724  Size: FS
Master Electrical Component List original
Low Blower, Cruise and HVAC Fuses
BTSI, Turn Signals/CORN LPS, Air Bag, Cluster, PCM/BCM/Crank/IGN Fuses
Figure 16:

Low Blower, Cruise and HVAC Fuses


Object Number: 678726  Size: FS
Master Electrical Component List original
IGN 2, IGN 0/Cluster/PCM/BCM, Crank/Signal/BCM/Cluster Fuses