GM Service Manual Online
For 1990-2009 cars only
Makes
🢒
Oldsmobile
🢒
2002
🢒
Intrigue
🢒
Body and Accessories
🢒
Seats
🢒 Heated Seats Schematics
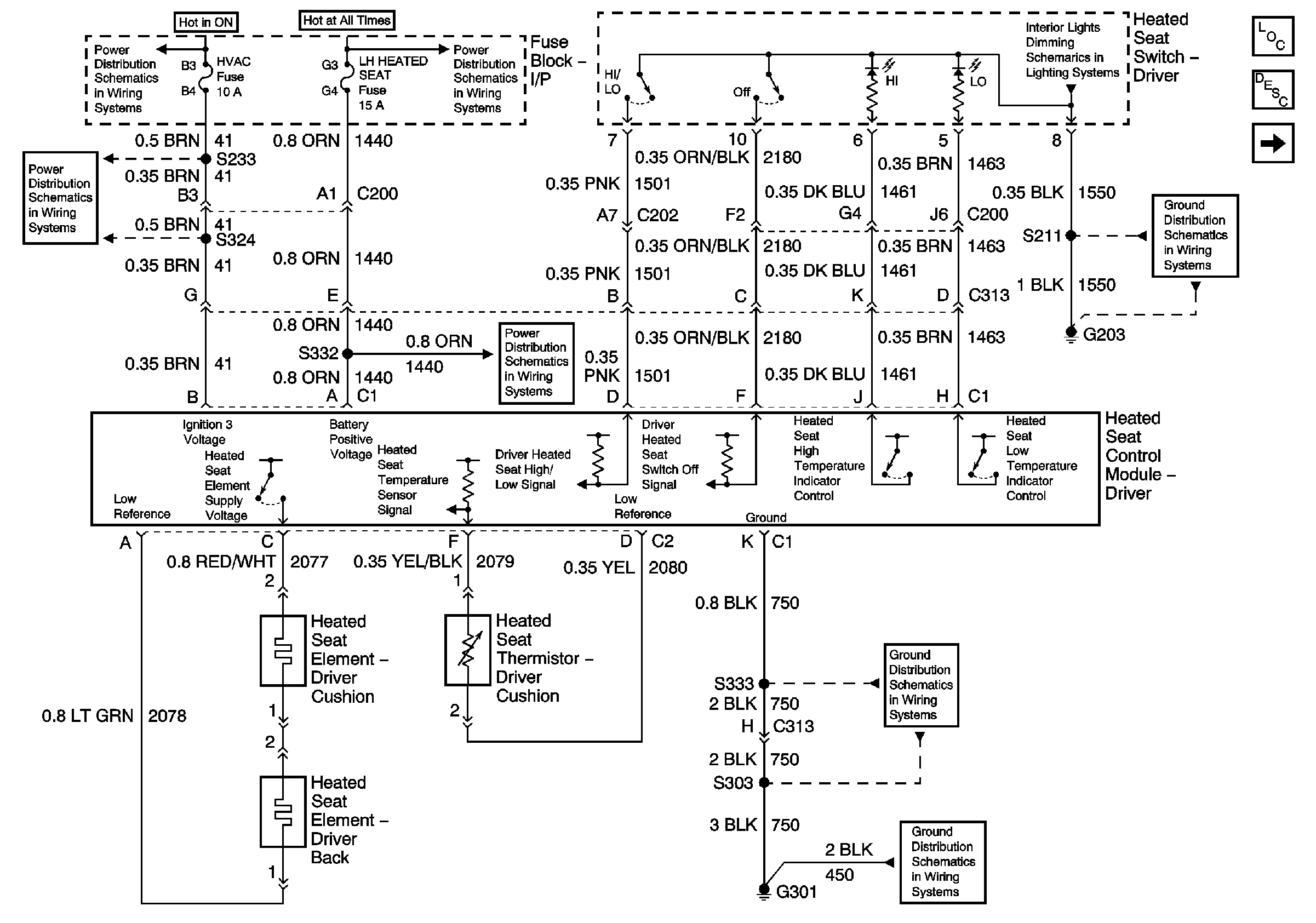
Figure
1:
Driver
Master Electrical Component List
Heated Seats Description and Operation
Front Passenger
CRUISE SWITCH, LOW BLOWER, CRUISE, and HVAC Fuses
ONSTAR, LH HEATED SEAT, RH HEATED SEAT Fuses, POWER SEATS Circuit Breaker, and REAR DEFOG Circuit Breaker
Instrument Panel
CRUISE SWITCH, LOW BLOWER, CRUISE, and HVAC Fuses
G203
Power, Ground, Lumbar Switch, and Relays
G301 (1 of 3)
G301 (1 of 3)
Figure
2:
Front Passenger
Master Electrical Component List
Heated Seats Description and Operation
Driver
CRUISE SWITCH, LOW BLOWER, CRUISE, and HVAC Fuses
ONSTAR, LH HEATED SEAT, RH HEATED SEAT Fuses, POWER SEATS Circuit Breaker, and REAR DEFOG Circuit Breaker
Instrument Panel
CRUISE SWITCH, LOW BLOWER, CRUISE, and HVAC Fuses
G203
G301 (1 of 3)