GM Service Manual Online
For 1990-2009 cars only
Makes
🢒
Oldsmobile
🢒
2002
🢒
Intrigue
🢒
Body and Accessories
🢒
Retained Accessory Power
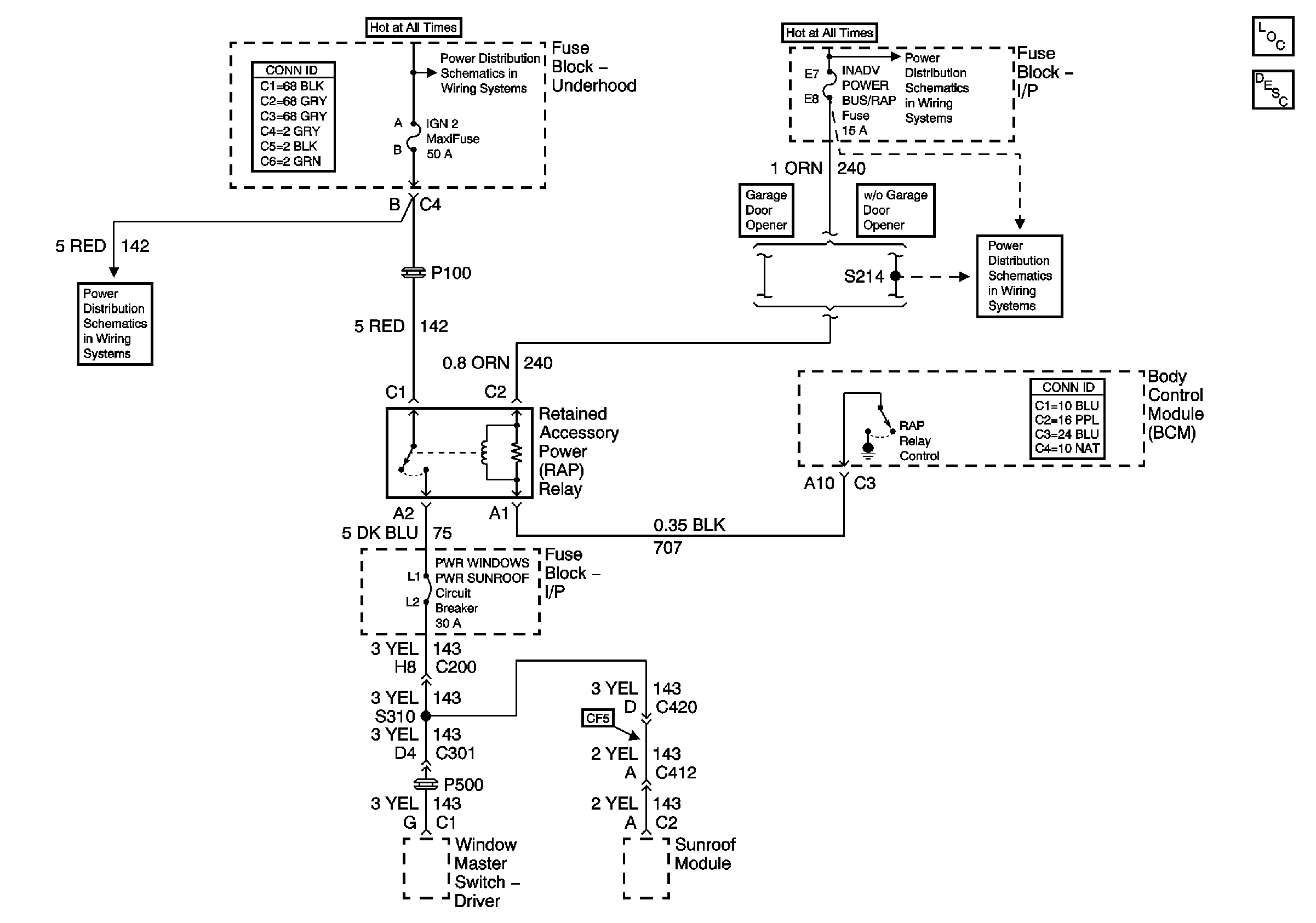
🢒 Retained Accessory Power (RAP) Schematics
Master Electrical Component List
Retained Accessory Power (RAP) Description and Operation
Fuse Block-Underhood Bussing (1 of 2)
INADV POWER BUS/RAP, BCM, RADIO/HVAC/RFA CLUSTER/DATA LINK, RADIO AMP, and CIGAR LTR/AUX POWER/POWER DROP Fuses
POWER DROP, and WIPER Fuses, PWR WINDOWS/PWR SUNROOF Circuit Breakers
INADV POWER BUS/RAP, BCM, RADIO/HVAC/RFA CLUSTER/DATA LINK, RADIO AMP, and CIGAR LTR/AUX POWER/POWER DROP Fuses