GM Service Manual Online
For 1990-2009 cars only
Figure 1:

Power, Grounds, and Blower Controls


Object Number: 796758  Size: FS
Master Electrical Component List
Air Delivery Description and Operation
Compressor Controls
INADV POWER BUS/RAP, BCM, RADIO/HVAC/RFA CLUSTER/DATA LINK, RADIO AMP, and CIGAR LTR/AUX POWER/POWER DROP Fuses
CRUISE SWITCH, LOW BLOWER, CRUISE, and HVAC Fuses
Fuse Block-Underhood Bussing (1 of 2)
INADV POWER BUS/RAP, BCM, RADIO/HVAC/RFA CLUSTER/DATA LINK, RADIO AMP, and CIGAR LTR/AUX POWER/POWER DROP Fuses
CRUISE SWITCH, LOW BLOWER, CRUISE, and HVAC Fuses
DLC, and Splice Pack
G200
Figure 2:

Compressor Controls


Object Number: 796759  Size: FS
Master Electrical Component List
Air Temperature Description and Operation
Temperature, and Sunload Sensors
Power, Grounds, and Blower Controls
BTSI, TURN SIGNALS/CORN LPS, AIR BAG, CLUSTER, and PCM/BCM/U H RELAY Fuses
BTSI, TURN SIGNALS/CORN LPS, AIR BAG, CLUSTER, and PCM/BCM/U H RELAY Fuses
BTSI, TURN SIGNALS/CORN LPS, AIR BAG, CLUSTER, and PCM/BCM/U H RELAY Fuses
G113
Fuse Block-Underhood Bussing (2 of 2)
Fuse Block-Underhood Bussing (2 of 2)
G113, G117, G119)
G113
5 Volt, and Low Reference Bussing
G113, G117, G119)
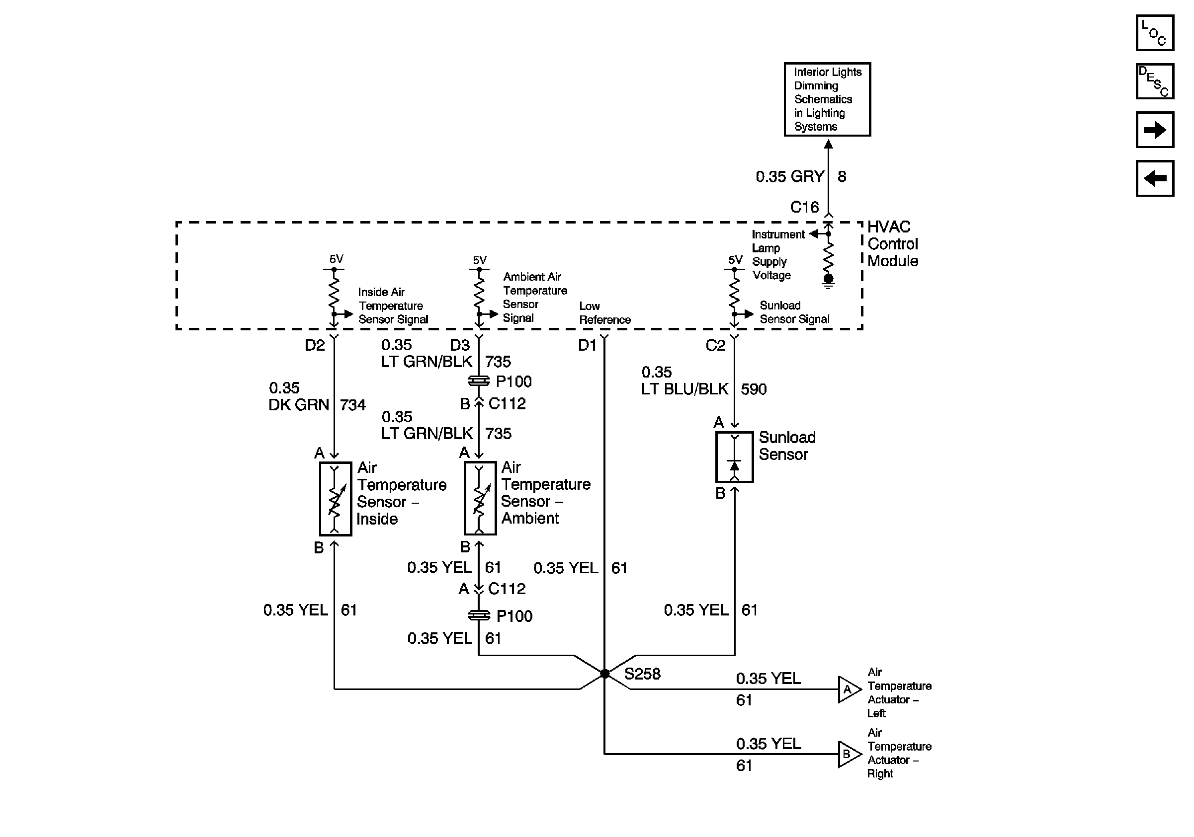
Figure 3:

Temperature, and Sunload Sensors


Object Number: 796760  Size: FS
Master Electrical Component List
Air Temperature Description and Operation
Temperature Controls
Compressor Controls
Instrument Panel
Temperature Controls
Temperature Controls
Figure 4:

Temperature Controls


Object Number: 796761  Size: FS
Master Electrical Component List
Air Temperature Description and Operation
Air Delivery Controls
Temperature, and Sunload Sensors
CRUISE SWITCH, LOW BLOWER, CRUISE, and HVAC Fuses
CRUISE SWITCH, LOW BLOWER, CRUISE, and HVAC Fuses
Temperature, and Sunload Sensors
Temperature, and Sunload Sensors
Figure 5:

Air Delivery Controls


Object Number: 796763  Size: FS
Master Electrical Component List
Air Delivery Description and Operation
Temperature Controls
CRUISE SWITCH, LOW BLOWER, CRUISE, and HVAC Fuses
CRUISE SWITCH, LOW BLOWER, CRUISE, and HVAC Fuses