GM Service Manual Online
For 1990-2009 cars only

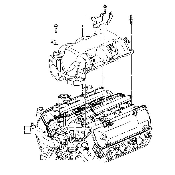
    Object Number: 73735  Size: SH
  1. Install the upper intake manifold gasket.
  2. Install the upper intake manifold.
  3. Install the upper intake manifold bolts.
  4. Tighten
    Tighten the bolts to 25 N·m (18 lb ft).

    Notice: Use the correct fastener in the correct location. Replacement fasteners must be the correct part number for that application. Fasteners requiring replacement or fasteners requiring the use of thread locking compound or sealant are identified in the service procedure. Do not use paints, lubricants, or corrosion inhibitors on fasteners or fastener joint surfaces unless specified. These coatings affect fastener torque and joint clamping force and may damage the fastener. Use the correct tightening sequence and specifications when installing fasteners in order to avoid damage to parts and systems.


    Object Number: 73732  Size: SH
  5. Install the Coolant hoses to the throttle body.
  6. Install the EGR tube assembly to the right exhaust manifold.
  7. Install the EGR tube assembly nut.
  8. Tighten
    Tighten the EGR tube assembly nut to 25 N·m (18 lb ft).

  9. Install the electronic ignition control module and EVAP canister purge valve mounting bracket.
  10. Install the electronic control module nuts and bolts.
  11. Tighten
    Tighten both the nuts and the bolts to 25 N·m (18 lb ft).

  12. Connect the spark plug wires to the spark plugs
  13. Install the generator braces.
  14. Install the generator brace nuts.
  15. Install the brace bolts.

  16. Object Number: 73735  Size: SH
  17. Install the MAP sensor.
  18. Install the MAP sensor screws.
  19. Install the MAP sensor electrical connector.
  20. Connect the vacuum lines to the upper intake manifold.