GM Service Manual Online
For 1990-2009 cars only
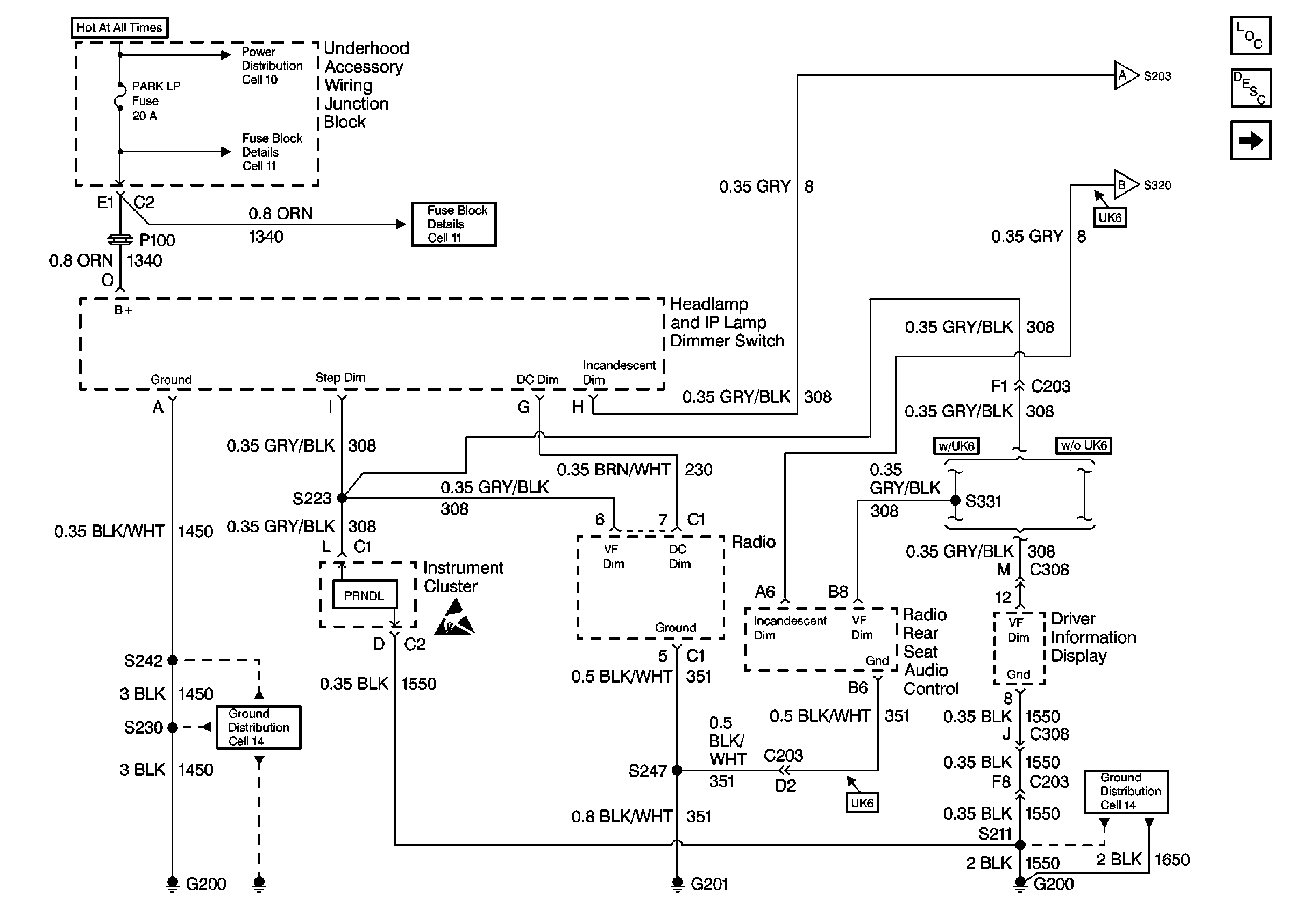
Figure 1:

Cell 117: Headlamp and IP Lamp Dimmer Switch, Driver Information Display


Object Number: 323637  Size: FS
Lighting Systems Components
Interior Lights Dimming Circuit Description
Cell 117: Heater-A/C Control, Radio Control Switches and InstrumeNt Cluster
Cell 117: Heater-A/C Control, Radio Control Switches and InstrumeNt Cluster
Cell 117: Heater-A/C Control, Radio Control Switches and InstrumeNt Cluster
Cell 11: UH: ALT Sense, B/U Lamp, ECM Sense, Fog LP, Fuel Pump, Horn and Park LP Fuses
Handling ESD Sensitive Parts Notice
Cell 14: G200
Cell 14: G200
Cell 14: G200 and G201
Figure 2:

Cell 117: Heater-A/C Control, Radio Control Switches and Instrument Cluster


Object Number: 323639  Size: FS
Lighting Systems Components
Interior Lights Dimming Circuit Description
Cell 117: Rear Window Wiper/Washer and Multifunction Switch, Window Switches, Door Lock Switches
Cell 117: Headlamp and IP Lamp Dimmer Switch, Driver Information Display
Cell 117: Rear Window Wiper/Washer and Multifunction Switch, Window Switches, Door Lock Switches
Cell 117: Rear Window Wiper/Washer and Multifunction Switch, Window Switches, Door Lock Switches
Cell 117: Rear Window Wiper/Washer and Multifunction Switch, Window Switches, Door Lock Switches
Cell 117: Rear Window Wiper/Washer and Multifunction Switch, Window Switches, Door Lock Switches
Cell 117: Headlamp and IP Lamp Dimmer Switch, Driver Information Display
Handling ESD Sensitive Parts Notice
Handling ESD Sensitive Parts Notice
SIR Handling Caution
Cell 14: G200
Cell 14: G200
Figure 3:

Cell 117: Rear Window Wiper/Washer and Multifunction Switch, Window Switches, Door Lock Switches


Object Number: 323640  Size: FS
Lighting Systems Components
Interior Lights Dimming Circuit Description
Cell 117: Interior Lamp and Multifunction Switch, Right Rear Door Latch, Release Actuator Switch
Cell 117: Heater-A/C Control, Radio Control Switches and InstrumeNt Cluster
Cell 117: Heater-A/C Control, Radio Control Switches and InstrumeNt Cluster
Cell 117: Heater-A/C Control, Radio Control Switches and InstrumeNt Cluster
Cell 117: Heater-A/C Control, Radio Control Switches and InstrumeNt Cluster
Cell 117: Heater-A/C Control, Radio Control Switches and InstrumeNt Cluster
Cell 117: Headlamp and IP Lamp Dimmer Switch, Driver Information Display
Cell 117: Interior Lamp and Multifunction Switch, Right Rear Door Latch, Release Actuator Switch
Cell 14: G302
Cell 14: G302
Cell 14: G200
Cell 14: G401 and G402
Figure 4:

Cell 117: Interior Lamp and Multifunction Switch, Right Rear Door Latch, Release Actuator Switch


Object Number: 323642  Size: FS
Lighting Systems Components
Interior Lights Dimming Circuit Description
Cell 117: Rear Window Wiper/Washer and Multifunction Switch, Window Switches, Door Lock Switches
Cell 117: Rear Window Wiper/Washer and Multifunction Switch, Window Switches, Door Lock Switches
Cell 14: G302
Cell 14: G200