GM Service Manual Online
For 1990-2009 cars only
Makes
🢒
Oldsmobile
🢒
1999
🢒
Silhouette Ext.
🢒 Cell 103
Cell 103
Cell 103
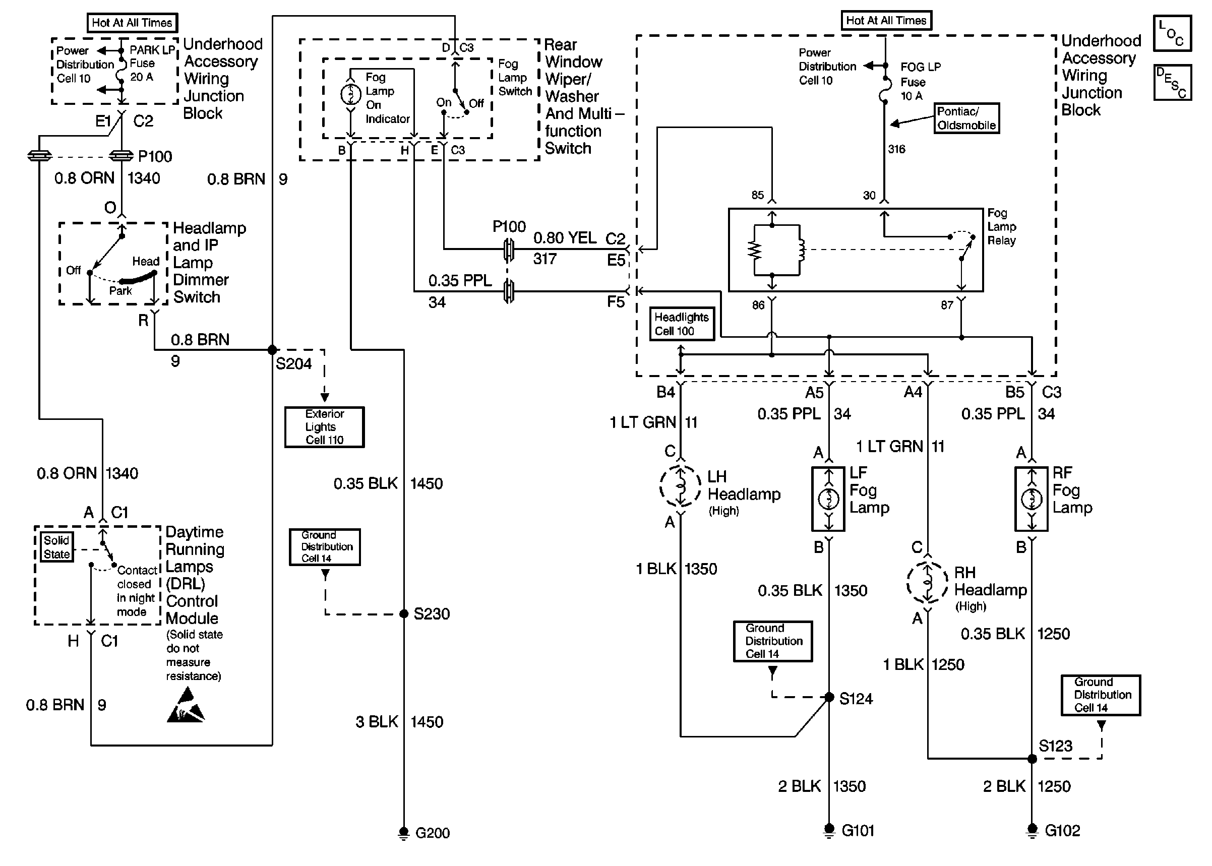
Lighting Systems Components
Fog Lights Circuit Description
Cell 14: G200
Cell 14: G101 and G102
Cell 14: G101 and G102
Cell 110: License Lamps, Relay Center
Cell 100: Headlamps
Handling ESD Sensitive Parts Notice