GM Service Manual Online
For 1990-2009 cars only
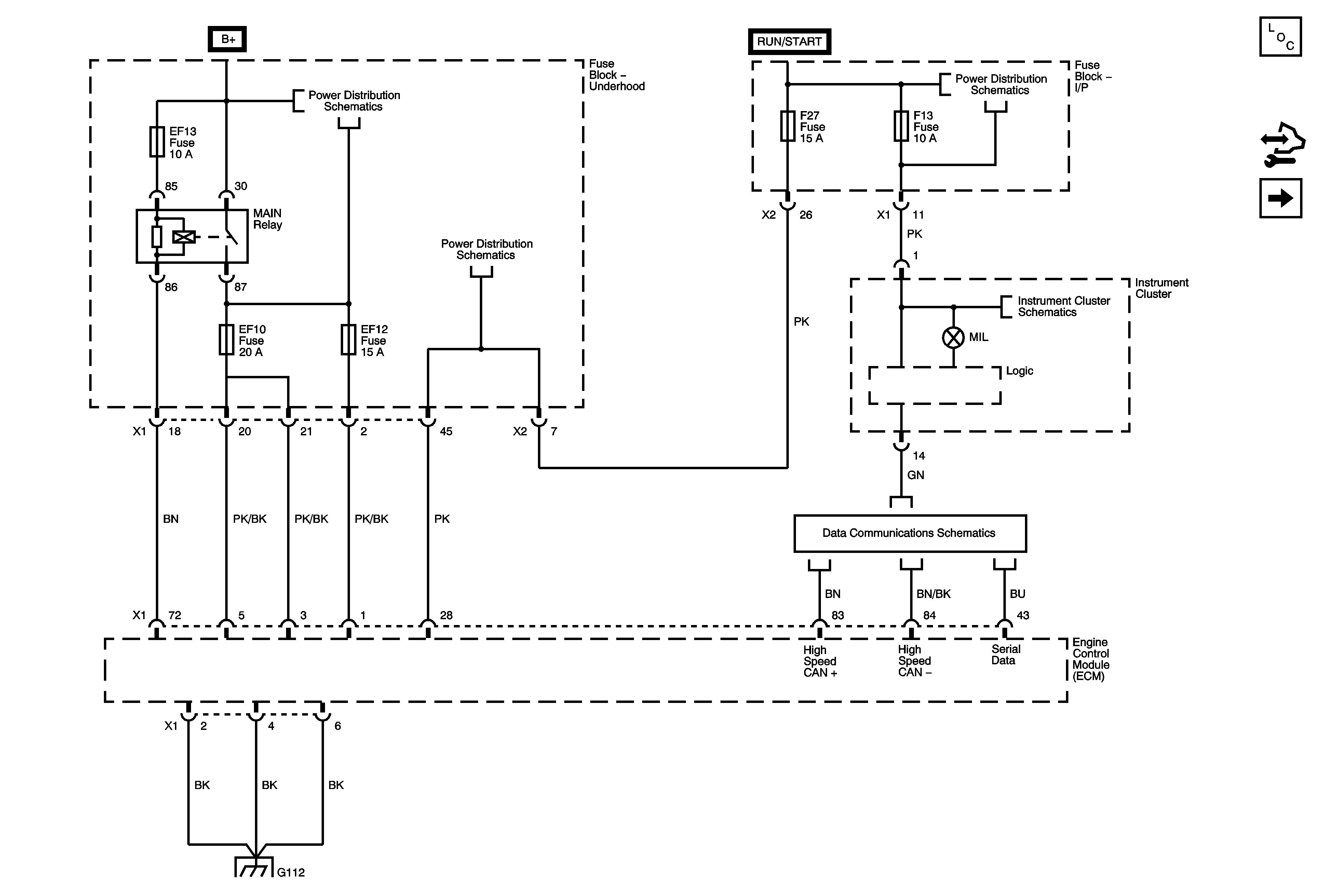
Figure 1:

Module Power, Ground, Serial Data, MIL


Object Number: 1816176  Size: FS
Master Electrical Component List
Control Module References
Pressure and Temperature Sensors
EF10, 11, 12, 13, 15 Fuses, Main Relay (2.0L)
EF7, F6, 8, 9, 13, 17, 20, 25, 27, 29 Fuses, Run/Crank, Outside Rearview Mirror, Liftgate Glass Relays
EF7, F6, 8, 9, 13, 17, 20, 25, 27, 29 Fuses, Run/Crank, Outside Rearview Mirror, Liftgate Glass Relays
Power, Ground, Gages
Data Link Connector (DLC)
Ground Distribution G102, G202, G203, G204
Figure 2:

Pressure and Temperature Sensors


Object Number: 1816178  Size: FS
Master Electrical Component List
Control Module References
Electronic Throttle Control, EGR, Exhaust Gas Temperature Sensor, Input Switches
Module Power, Ground, Serial Data, MIL
EF7, F6, 8, 9, 13, 17, 20, 25, 27, 29 Fuses, Run/Crank, Outside Rearview Mirror, Liftgate Glass Relays
EF10, 11, 12, 13, 15 Fuses, Main Relay (2.0L)
EF10, 11, 12, 13, 15 Fuses, Main Relay (2.0L)
Ground Distribution G106 (2.0L Diesel)
Ground Distribution G106 (2.0L Diesel)
Figure 3:

Electronic Throttle Control, EGR, Exhaust Gas Temperature Sensor, Switch Inputs


Object Number: 1816181  Size: FS
Master Electrical Component List
Control Module References
Glow Plug Control, CMP, CKP Sensors
Pressure and Temperature Sensors
EF10, 11, 12, 13, 15 Fuses, Main Relay (2.0L)
EF1, 4, 6, 17, 18, 19, 20, 23 Fuses
Park Lamps
Ground Distribution G106 (2.0L Diesel)
Figure 4:

Glow Plug Control, CMP, CKP Sensors


Object Number: 1816183  Size: FS
Master Electrical Component List
Control Module References
Fuel System (1 of 2)
Electronic Throttle Control, EGR, Exhaust Gas Temperature Sensor, Input Switches
AF1, 2, 3, 4, 5 Fuses, Fuel Filter Heater, PTC1, PTC2, PTC3 Relays
EF10, 11, 12, 13, 15 Fuses, Main Relay (2.0L)
EF7, F6, 8, 9, 13, 17, 20, 25, 27, 29 Fuses, Run/Crank, Outside Rearview Mirror, Liftgate Glass Relays
Ground Distribution G106 (2.0L Diesel)
Figure 5:

Fuel System (1 of 2)


Object Number: 1825928  Size: FS
Master Electrical Component List
Control Module References
Fuel System (2 of 2)
Glow Plug Control, CMP, CKP Sensors
EF1, 4, 6, 17, 18, 19, 20, 23 Fuses
EF7, F6, 8, 9, 13, 17, 20, 25, 27, 29 Fuses, Run/Crank, Outside Rearview Mirror, Liftgate Glass Relays
Ground Distribution G102, G202, G203, G204
Ground Distribution G402
Figure 6:

Fuel System


Object Number: 1816207  Size: FS
Master Electrical Component List
Control Module References
PTC Heater
Fuel System (1 of 2)
AF1, 2, 3, 4, 5 Fuses, Fuel Filter Heater, PTC1, PTC2, PTC3 Relays
EF10, 11, 12, 13, 15 Fuses, Main Relay (2.0L)
Ground Distribution G106 (2.0L Diesel)
Figure 7:

PTC Heater


Object Number: 1818659  Size: FS
Master Electrical Component List
Control Module References
Controlled/Monitored Subsystem References
Fuel System (2 of 2)
EF3, F1, 2, 10, 15, 18, 30, 33, 39 Fuses, Run, ACC/RAP Relays
EF3, F1, 2, 10, 15, 18, 30, 33, 39 Fuses, Run, ACC/RAP Relays
AF1, 2, 3, 4, 5 Fuses, Fuel Filter Heater, PTC1, PTC2, PTC3 Relays
Ground Distribution G102, G202, G203, G204
Figure 8:

Controlled/Monitored Subsystem References


Object Number: 1816208  Size: FS
Master Electrical Component List
Control Module References
PTC Heater
Charging System
Blower, Mode, Temperature Controls
Blower Controls
Engine Cooling Schematics