GM Service Manual Online
For 1990-2009 cars only
Makes
🢒
Opel
🢒
2007
🢒
Antara
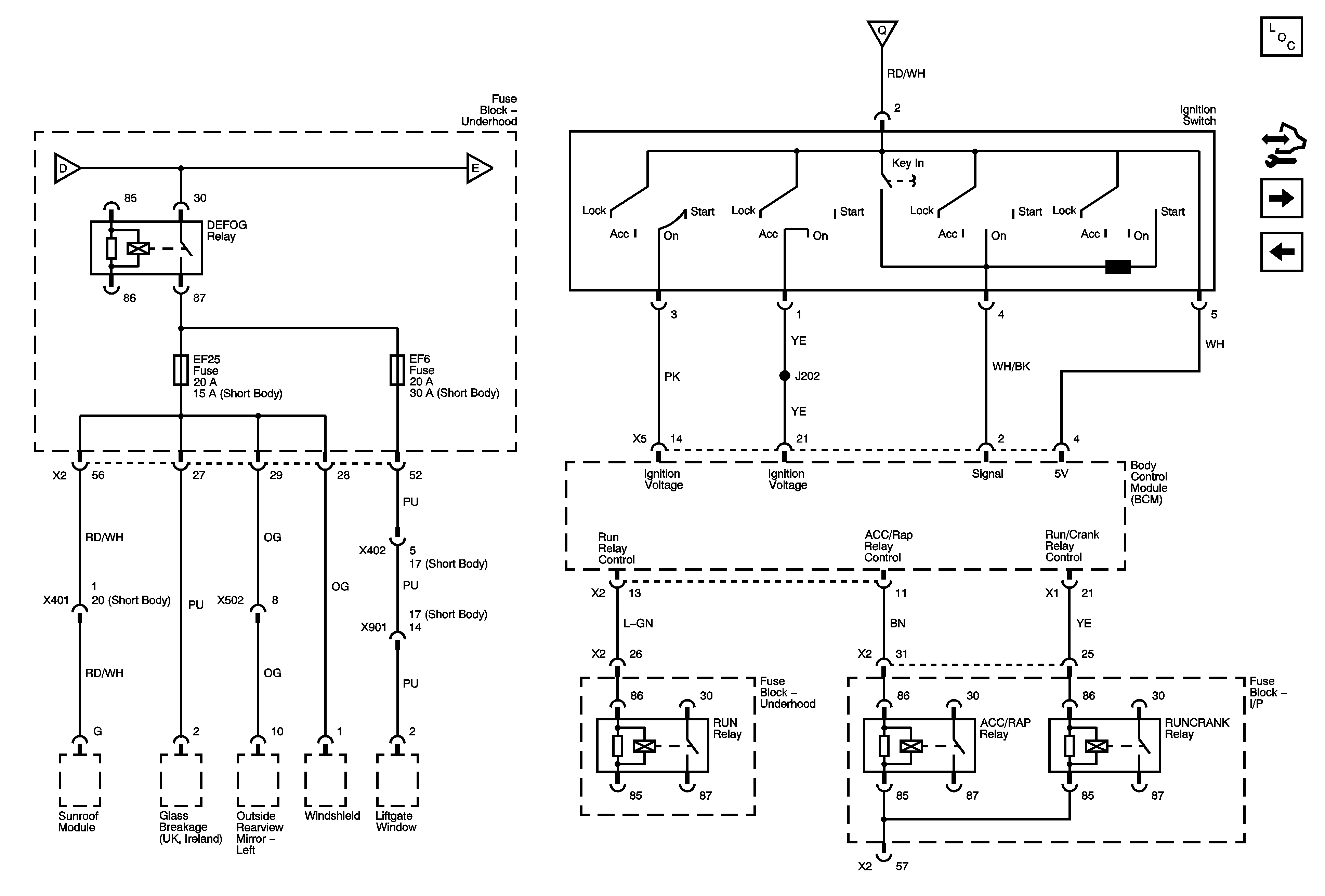
🢒 EF25, 30 Fuses, Defog Relay, Ignition Switch
EF25, 30 Fuses, Defog Relay, Ignition Switch
EF25, 30 Fuses, Defog Relay, Ignition Switch
Master Electrical Component List
Control Module References
EF10, 11, 12, 13, 15 Fuses, Main Relay (2.0L)
EF22, 33, 34 Fuses, Horn, Wipers, Head Lamp Washer Relays