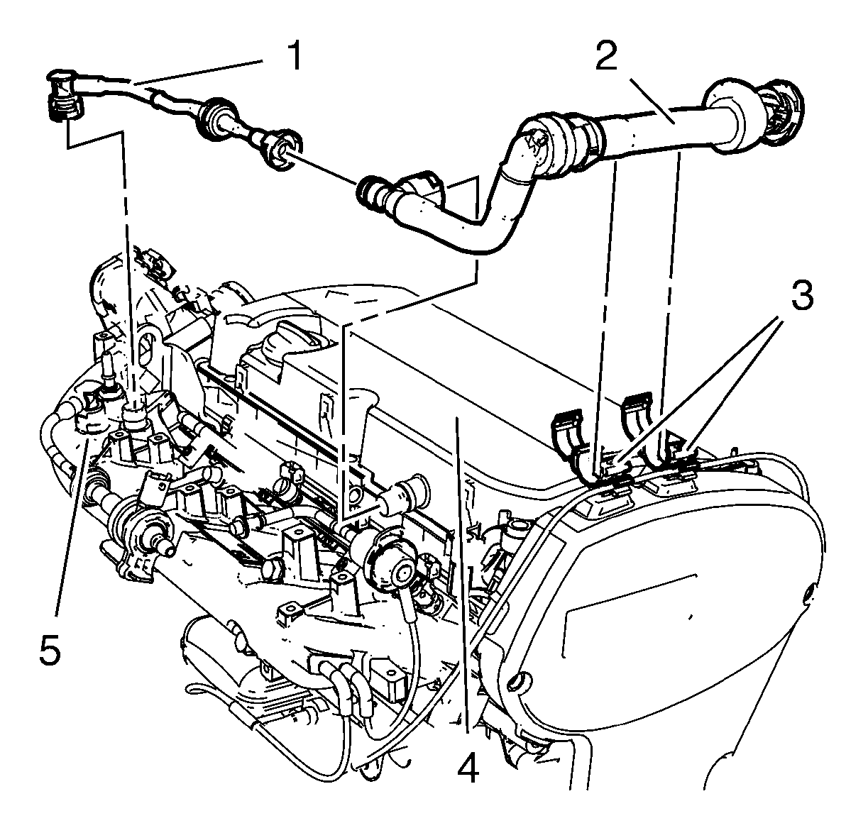
Positive Crankcase Ventilation Pipe Removal LLU
- Connect the 2 parts of the positive crankcase ventilation pipe (1, 2).
- Install the positive crankcase ventilation pipe (1, 2) to the camshaft cover (4) and intake manifold (5).
- Clip in the positive crankcase ventilation tube to the positive crankcase ventilation tube brackets (3).