GM Service Manual Online
For 1990-2009 cars only

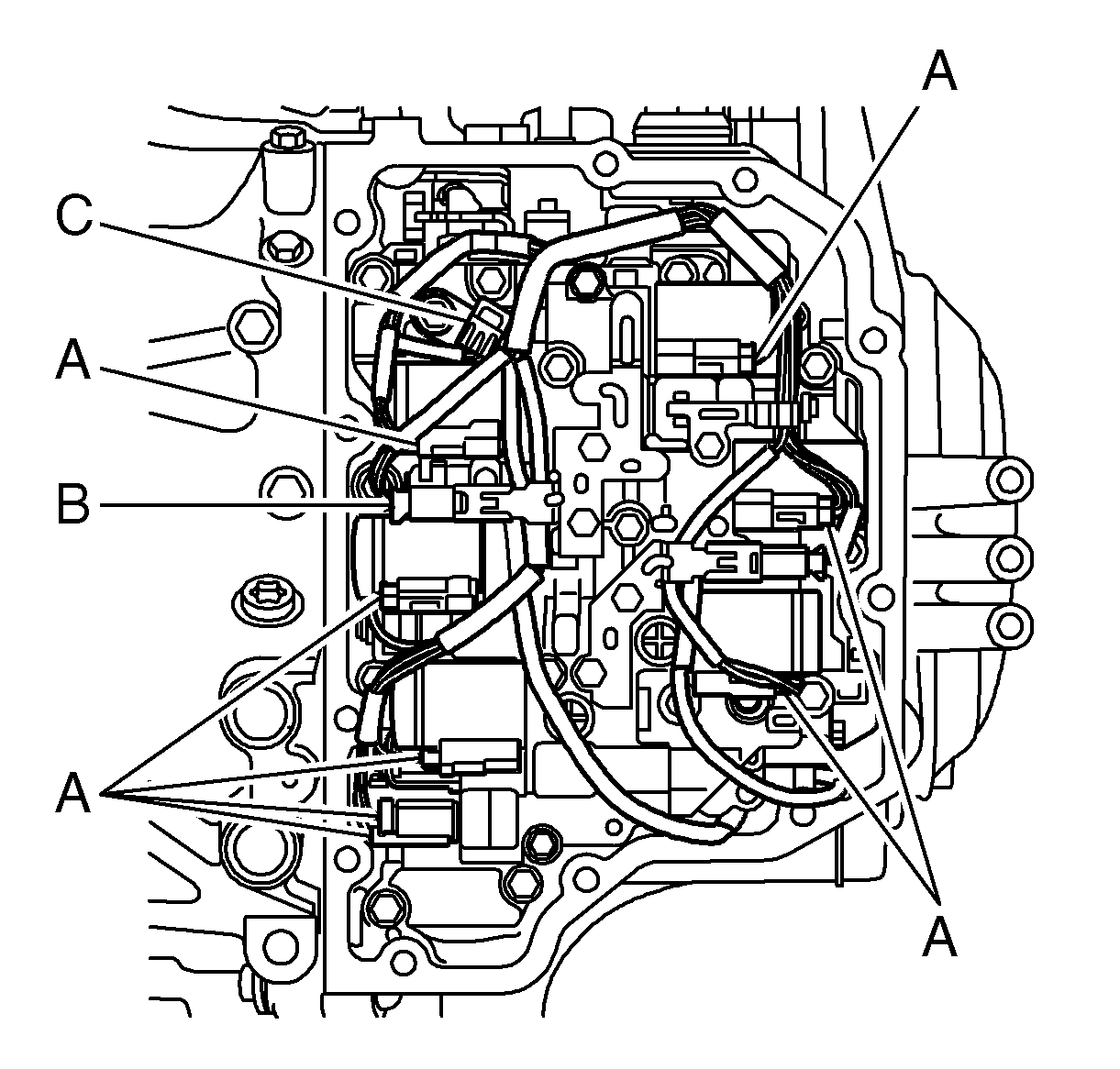
Object Number: 2019041  Size: SH

The torque converter stator roller clutch can have two different malfunctions.

  1. Inspect the control solenoid (w/body and TCM) valve assembly connectors and pins (A, B, C) for the following conditions:
  2. • Damage
    • Bent pins
    • Debris
    • Broken retaining tab
    • Contamination
  3. Ensure no metallic debris is inside the connectors near the terminal pins.
  4. Inspect the control solenoid (w/body and TCM) valve assembly solenoid leads for contamination or metallic debris.
  5. Inspect for oil leakage from any of the gaskets.