GM Service Manual Online
For 1990-2009 cars only

Catalytic Converter Replacement Diesel

Callout

Component Name

Preliminary Procedure

  1. Disconnect the battery negative cable. Refer to Battery Negative Cable Disconnection and Connection.
  2. Remove the engine shield. Refer to Engine Shield Replacement.
  3. Remove the engine cover. Refer to Engine Cover Replacement.
  4. Remove the exhaust manifold heat shield. Refer to Exhaust Manifold Heat Shield Replacement.
  5. Remove the position 1 exhaust temperature sensor. Refer to Exhaust Temperature Sensor Replacement - Position 1.
  6. Remove the heated oxygen sensor 1. Refer to Heated Oxygen Sensor 1 Replacement.
  7. Remove the exhaust heat shield. Refer to Exhaust Heat Shield Replacement.

1

Catalytic Converter Securing Fastener (Qty: 4)

Caution: Refer to Fastener Caution in the Preface section.

Procedure

  1. Release the 2 catalytic converter to sump fasteners.
  2. Release the 2 catalytic converter to block fasteners.

Tighten
23 N·m(17 lb ft)

2

Catalytic Converter Fastener (Qty: 3)

Caution: The exhaust temperature sensor and exhaust pressure differential sensor line fittings may be difficult to remove when the engine exhaust system temperature is below 48°C (120°F). Excessive force may damage the threads in the exhaust manifold or exhaust pipe.

Procedure

  1. Release the catalytic converter to exhaust manifold clamp.
  2. Release the catalytic converter to exhaust pipe fasteners.

Tighten
20 N·m(15 lb ft)

3

Catalytic Converter

Catalytic Converter Replacement LBW/A28NET

Removal Procedure

  1. Remove the fuel injector sight shield. Refer to Fuel Injector Sight Shield Replacement.
  2. Disconnect the negative battery cable. Refer to Battery Negative Cable Disconnection and Connection.
  3. Drain the cooling system. Refer to Cooling System Draining and Filling.
  4. Raise and support the vehicle. Refer to Lifting and Jacking the Vehicle.
  5. Remove the propeller shaft. Refer to Propeller Shaft Replacement.
  6. Note: Do NOT remove the exhaust system.

  7. Remove the exhaust front pipe. Refer to Exhaust System Replacement.

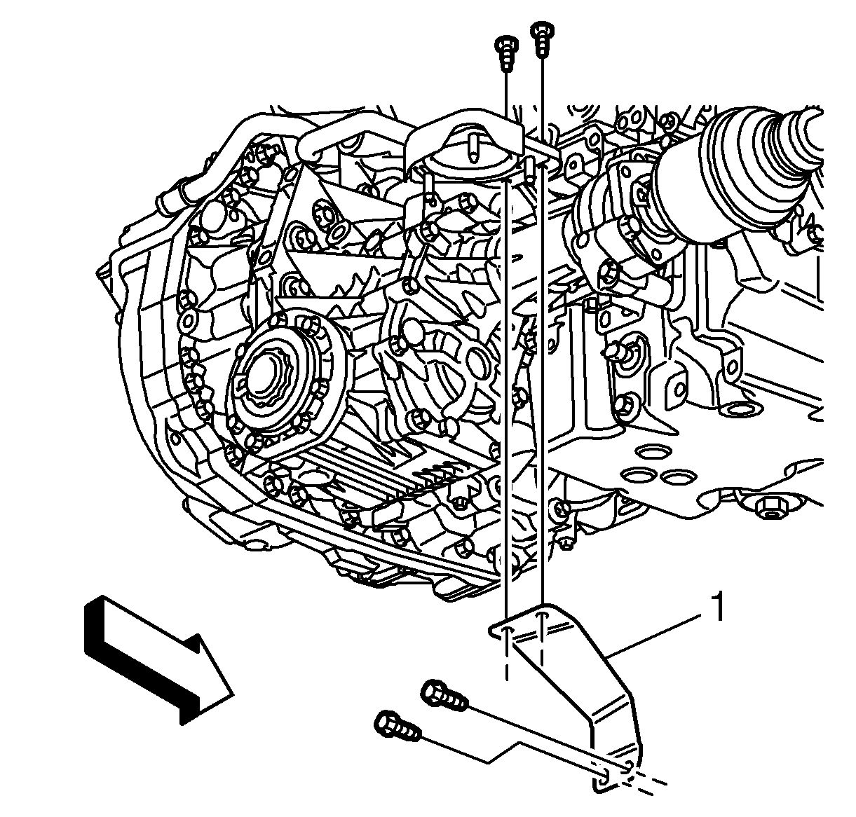
  8. Object Number: 2020053  Size: SH
  9. Remove the catalytic converter brace (1).
  10. Lower the vehicle.
  11. Remove the battery tray. Refer to Battery Tray Replacement.
  12. Remove the engine coolant air bleed pipe. Refer to Upper Intake Manifold Replacement.

  13. Object Number: 2020054  Size: SH
  14. Remove the turbocharger coolant return pipe and hose (1).
  15. Remove power brake booster heat shield.

  16. Object Number: 2020055  Size: SH
  17. Remove the catalytic converter front heat shield (1).

  18. Object Number: 2020056  Size: SH
  19. Remove the transmission heat shield (1).
  20. Remove the heated oxygen sensor 1. Refer to Heated Oxygen Sensor Replacement - Sensor 1.
  21. Remove the heated oxygen sensor 2. Refer to Heated Oxygen Sensor Replacement - Sensor 2.

  22. Object Number: 2020057  Size: SH
  23. Remove the catalytic converter (1).

Installation Procedure


    Object Number: 2020057  Size: SH
  1. Install the catalytic converter (1) and tighten to 20 N·m (15 lb ft).
  2. Install the heated oxygen sensor 2. Refer to Heated Oxygen Sensor Replacement - Sensor 2.
  3. Install the heated oxygen sensor 1. Refer to Heated Oxygen Sensor Replacement - Sensor 1.

  4. Object Number: 2020056  Size: SH
  5. Install the transmission heat shield (1) and tighten to 8 N·m (71 lb in).

  6. Object Number: 2020055  Size: SH
  7. Install the catalytic converter front heat shield (1) and tighten to 8 N·m (71 lb in).
  8. Install the power brake booster heat shield.

  9. Object Number: 2020054  Size: SH
  10. Install the turbocharger coolant return pipe and hose (1) and tighten to 30 N·m (22 lb ft).
  11. Install the engine coolant air bleed pipe. Refer to Upper Intake Manifold Replacement.
  12. Install the battery tray. Refer to Battery Tray Replacement.
  13. Raise the vehicle.

  14. Object Number: 2020053  Size: SH
  15. Install the catalytic converter brace (1) and tighten to 20 N·m (15 lb ft).
  16. Install the exhaust front pipe. Refer to Exhaust System Replacement.
  17. Install the propeller shaft. Refer to Propeller Shaft Replacement.
  18. Connect the negative battery cable. Refer to Battery Negative Cable Disconnection and Connection.
  19. Install the fuel injector sight shield. Refer to Fuel Injector Sight Shield Replacement.
  20. Fill the cooling system. Refer to Cooling System Draining and Filling.

Catalytic Converter Replacement LDK/A20NHT


Object Number: 2020546  Size: SH

Callout

Component Name

Preliminary Procedures

  1. Remove the heated oxygen sensor 1. Refer to Heated Oxygen Sensor Replacement - Sensor 1.
  2. Remove the heated oxygen sensor 2. Refer to Heated Oxygen Sensor Replacement - Sensor 2.
  3. Remove the turbocharger heat shield. Refer to LINK.

1

Catalytic Converter Fastener (Qty: 3)

Caution: Refer to Fastener Caution in the Preface section.

Tighten
X N·m (X lb in)

2

Catalytic Converter Fastener (Qty: 2)

Tighten
X N·m (X lb in)

3

Catalytic Converter Fastener (Qty: 3)

Tighten
X N·m (X lb in)