---------- Some 1987-92 Bonneville models may experience a momentary loss of power or hesitation while driving on sweeping right hand curves, such as an exit ramp, or on hard right turns, when fuel level is below a 1/4 full designation on the fuel gage.
------ Vehicles that have the above symptoms may have fuel pumps and strainer assemblies slightly mis-positioned on the tank sending unit, allowing the strainer to not stay fully submerged in fuel.
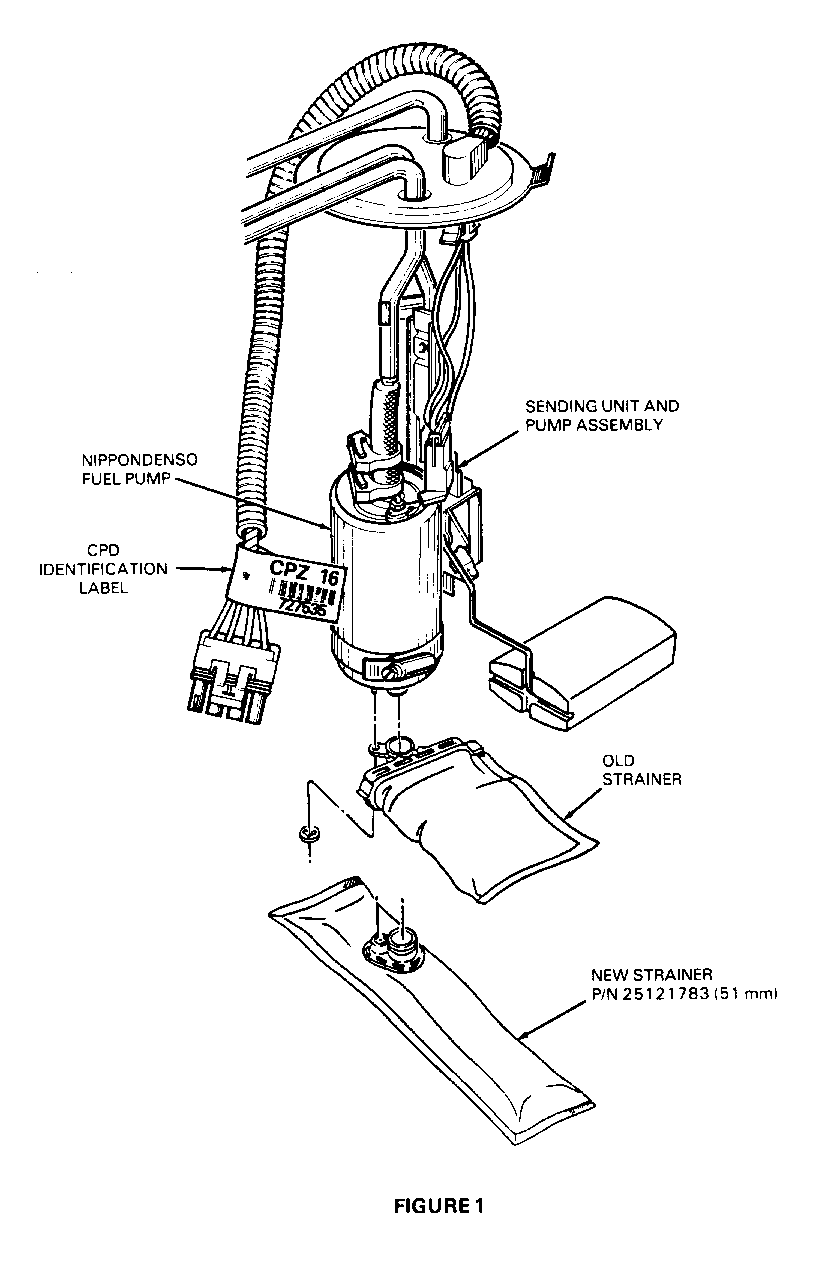
----------- Replace the fuel pump strainer with Part Number 25121783. This new strainer replaces the old strainer on all Nippondenso 51mm fuel pumps and will stay submerged in fuel to prevent starvation. The Nippondenso fuel pump can be identified by the number 16, (or 51 for supercharged engines) on the I.D. Tag which is attached to the wiring harness.
Parts are currently available from GMSPO.
Labor Operation No.: T5304 Labor Time : 0.9 hrs.
General Motors bulletins are intended for use by professional technicians, not a "do-it-yourselfer". They are written to inform those technicians of conditions that may occur on some vehicles, or to provide information that could assist in the proper service of a vehicle. Properly trained technicians have the equipment, tools, safety instructions and know-how to do a job properly and safely. If a condition is described, do not assume that the bulletin applies to your vehicle, or that your vehicle will have that condition. See a General Motors dealer servicing your brand of General Motors vehicle for information on whether your vehicle may benefit from the information.