GM Service Manual Online
For 1990-2009 cars only
Figure 1:

Power, Ground, Class 2


Object Number: 429148  Size: FS
Instrument Cluster and HUD Components
Instrument Cluster Circuit Description
Engine Coolant Temperature, Fuel, Speedometer, and Tachometer Gauges
Handling ESD Sensitive Parts Notice
IGN 1, VENT SOL, and SIR Fuses (Rear Fuse Block)
CIGAR and IP Fuses (Rear Fuse Block)
Serial Data Class 2
IGN 1, VENT SOL, and SIR Fuses (Rear Fuse Block)
CIGAR and IP Fuses (Rear Fuse Block)
G200 (1 of 2)
G201 (1 of 3)
G200 (1 of 2)
G201 (1 of 3)
Figure 2:

Engine Coolant Temperature, Fuel, Speedometer, and Tachometer Gauges


Object Number: 429138  Size: FS
Instrument Cluster and HUD Components
Instrument Cluster Circuit Description
Engine Oil Pressure, Boost, and Volt Gauges
Power, Ground, Class 2
Handling ESD Sensitive Parts Notice
VSS, HUD, Cruise, IP
Fuel Tank Pressure Sensor, EVAP Canister Vent Solenoid
Serial Data Class 2
Figure 3:

Engine Oil Pressure, Boost, and Volt Gauges


Object Number: 598134  Size: FS
Instrument Cluster and HUD Components
Instrument Cluster Circuit Description
Battery, Brake, Service Vehicle Soon, and TRAC OFF Indicators
Engine Coolant Temperature, Fuel, Speedometer, and Tachometer Gauges
Handling ESD Sensitive Parts Notice
Serial Data Class 2
Figure 4:

Battery, Brake, Service Vehicle Soon, and TRAC OFF Indicators


Object Number: 429140  Size: FS
Instrument Cluster and HUD Components
Instrument Cluster Circuit Description
Air Bag, Fasten Safety Belt, Lighting, and Security Indicators
Engine Oil Pressure, Boost, and Volt Gauges
Handling ESD Sensitive Parts Notice
IGN 1, VENT SOL, and SIR Fuses (Rear Fuse Block)
IGN 1, VENT SOL, and SIR Fuses (Rear Fuse Block)
Indicators and Traction Control Switch
Park Brake Switch and Brake Fluid Level Sensor
Serial Data Class 2
MIL and Data Link Connector
Figure 5:

Air Bag, Fasten Safety Belt, Lighting, and Security Indicators


Object Number: 550761  Size: FS
Instrument Cluster and HUD Components
Instrument Cluster Circuit Description
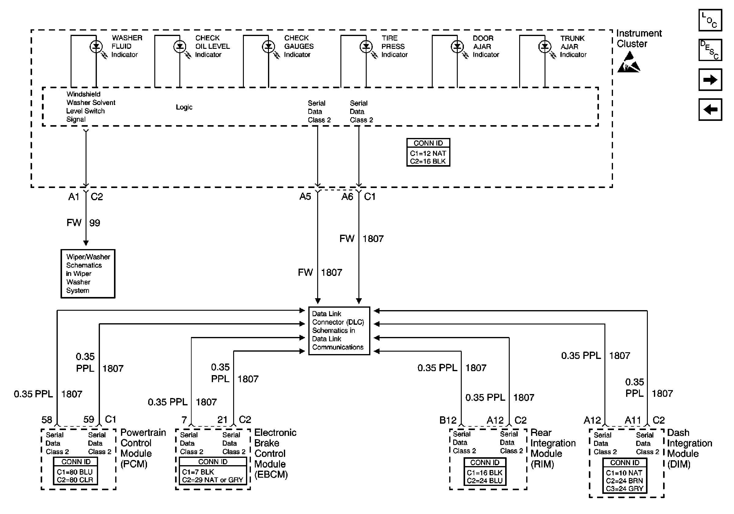
Systems Monitor
Battery, Brake, Service Vehicle Soon, and TRAC OFF Indicators
Handling ESD Sensitive Parts Notice
Serial Data Class 2
Content Theft Deterrent Indicators
Turn Signal Lamps
Figure 6:

Systems Monitor


Object Number: 429152  Size: FS
Instrument Cluster and HUD Components
Instrument Cluster Circuit Description
DIC Switch (U50)
Air Bag, Fasten Safety Belt, Lighting, and Security Indicators
Handling ESD Sensitive Parts Notice
Wiper/Washer Switch and Fuse
Serial Data Class 2
Figure 7:

DIC Switch (U50)


Object Number: 429146  Size: FS
Instrument Cluster and HUD Components
Driver Information Center (DIC) or Message Center Description
DIC Switch (U2F)
Systems Monitor
Handling ESD Sensitive Parts Notice
Serial Data Class 2
Wiper/Washer Switch and Fuse
Instrument Panel and Console Dimming
G104 and G105
G201 (1 of 3)
G201 (1 of 3)
Figure 8:

DIC Switch (U2F)


Object Number: 429145  Size: FS
Instrument Cluster and HUD Components
Driver Information Center (DIC) or Message Center Description
Electronic Compass
DIC Switch (U50)
Handling ESD Sensitive Parts Notice
Serial Data Class 2
Instrument Panel and Console Dimming
G201 (1 of 3)
G201 (1 of 3)
Figure 9:

Electronic Compass


Object Number: 607488  Size: FS
Instrument Cluster and HUD Components
Electronic Compass Operation
DIC Switch (U2F)
Handling ESD Sensitive Parts Notice
ABS and IGN 3 Fuses (Rear Fuse Block)
ABS and IGN 3 Fuses (Rear Fuse Block)
G302