GM Service Manual Online
For 1990-2009 cars only
Figure 1:

PCM Power, Ground, Serial Data and MIL


Object Number: 885647  Size: FS
Master Electrical Component List
Powertrain Control Module Description
Engine Data Sensors 5 Volt and Low Reference
OBD II Symbol Description Notice
ABS, PCM BATT, and COOLFAN 1 Fuses - 3.8L
Ignition Switch Positions
INJR 2, PCM IGN, CR CONT, and INJR 1 Fuses - 3.8L
G104 and G105 - 3.8L
Serial Data Class 2
Figure 2:

Engine Data Sensors - 5-Volt and Low Reference


Object Number: 1220160  Size: FS
Master Electrical Component List
Powertrain Control Module Description
Engine Data Sensors Pressure, and Temperature
PCM Power, Ground, Serial Data and MIL
OBD II Symbol Description Notice
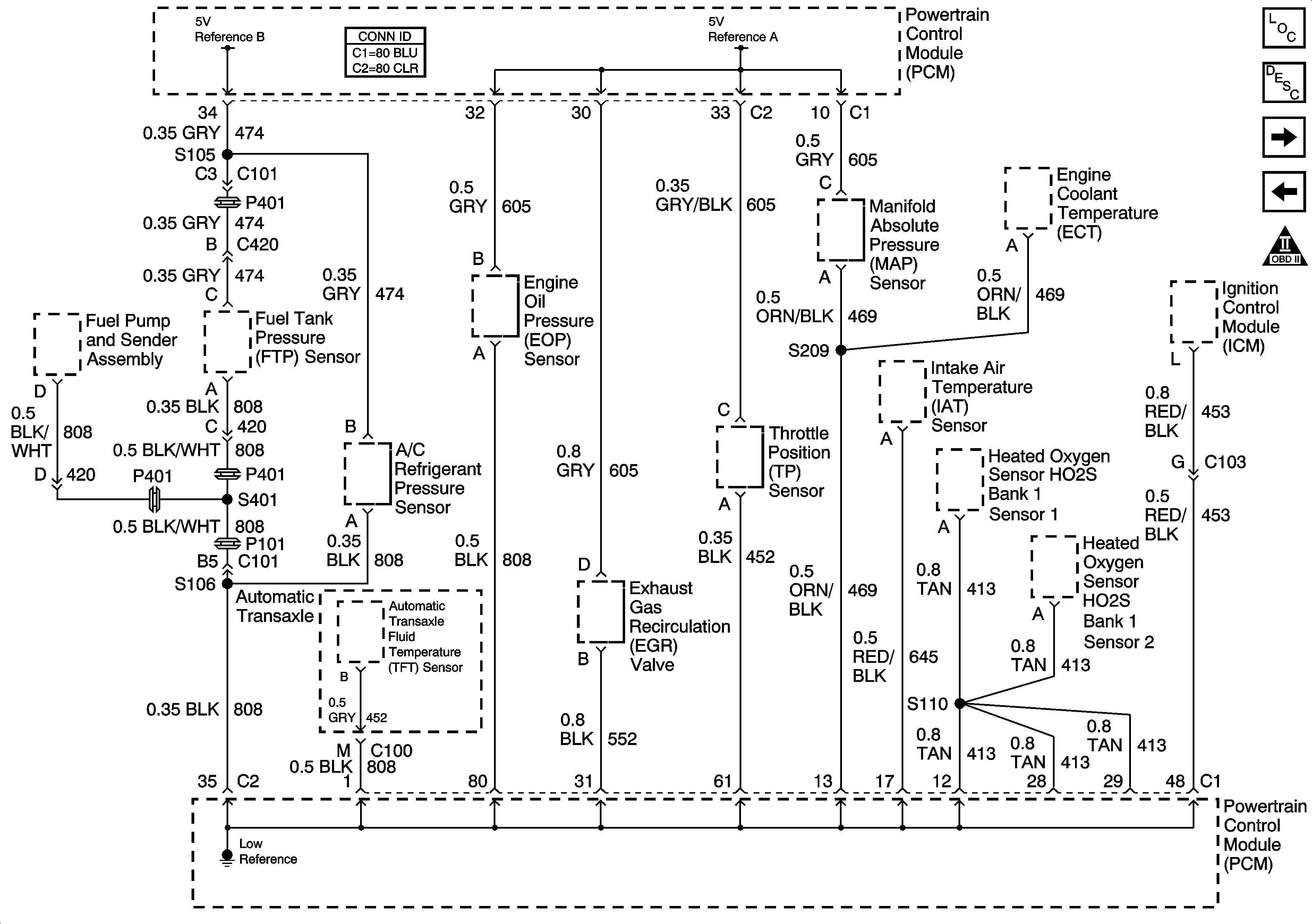
Figure 3:

Engine Data Sensors - Pressure and Temperature


Object Number: 1220174  Size: FS
Master Electrical Component List
Powertrain Control Module Description
Engine Data Sensors; MAF, VSS, and Extended Brake Travel Switch
Engine Data Sensors 5 Volt and Low Reference
OBD II Symbol Description Notice
Figure 4:

Engine Data Sensors - MAF, VSS and Extended Brake Travel Switch


Object Number: 885648  Size: FS
Master Electrical Component List
Powertrain Control Module Description
Heated Oxygen Sensors (HO2S)
Engine Data Sensors Pressure, and Temperature
OBD II Symbol Description Notice
G104 and G105 - 3.8L
TRANS, DIS, OXY SEN, and IGN 1 Fuses - 3.8L
TRANS, DIS, OXY SEN, and IGN 1 Fuses - 3.8L
PCM Signals - Speedometer, Tachometer, and Fuel Indicators
Transaxle Inputs
G200
Figure 5:

Heated Oxygen Sensors (HO2S)


Object Number: 1220180  Size: FS
Master Electrical Component List
Powertrain Control Module Description
Ignition Controls
Engine Data Sensors; MAF, VSS, and Extended Brake Travel Switch
OBD II Symbol Description Notice
TRANS, DIS, OXY SEN, and IGN 1 Fuses - 3.8L
Figure 6:

Ignition Controls


Object Number: 885652  Size: FS
Master Electrical Component List
Electronic Ignition (EI) System Description
Fuel Pump Controls
Heated Oxygen Sensors (HO2S)
OBD II Symbol Description Notice
PCM Signals - Speedometer, Tachometer, and Fuel Indicators
TRANS, DIS, OXY SEN, and IGN 1 Fuses - 3.8L
Figure 7:

Fuel Pump Controls


Object Number: 1220184  Size: FS
Master Electrical Component List
Fuel System Description
Fuel Injectors
Ignition Controls
OBD II Symbol Description Notice
Rear Fuse Block B+ Bus
G401 - 1 of 2
Serial Data Class 2
PCM Signals - Speedometer, Tachometer, and Fuel Indicators
G302
Figure 8:

Fuel Injectors


Object Number: 885654  Size: FS
Master Electrical Component List
Fuel System Description
Fuel Sensor and EVAP Solenoid Controls
Fuel Pump Controls
OBD II Symbol Description Notice
INJR 2, PCM IGN, CR CONT, and INJR 1 Fuses - 3.8L
Figure 9:

Fuel Sensor and EVAP Solenoid Controls


Object Number: 885655  Size: FS
Master Electrical Component List
Evaporative Emission Control System Description
05 hp Device Controls
Fuel Injectors
OBD II Symbol Description Notice
PCM Signals - Speedometer, Tachometer, and Fuel Indicators
Air Delivery
Compressor Controls - 3.8L
IGN-1, VENT SOL, and SIR Fuses
TRANS, DIS, OXY SEN, and IGN 1 Fuses - 3.8L
TRANS, DIS, OXY SEN, and IGN 1 Fuses - 3.8L
Figure 10:

Device Controls


Object Number: 869701  Size: FS
Master Electrical Component List
Exhaust Gas Recirculation (EGR) System Description
Controlled/Monitored Subsystem References
Fuel Sensor and EVAP Solenoid Controls
OBD II Symbol Description Notice
Figure 11:

Controlled/Monitored Subsystem References


Object Number: 1546824  Size: FS
Master Electrical Component List
Powertrain Control Module Description
Transmission Controls
05 hp Device Controls
OBD II Symbol Description Notice
Compressor Controls
Engine Cooling Fans, and Relays
DIC Switch (U50)
PCM Signals - Engine Oil and Volt Indicators
Starting Control
Generator Control
Cruise Control Module, and VSS
Figure 12:

Transmission Controls


Object Number: 879281  Size: FS
Master Electrical Component List
Powertrain Control Module Description
Controlled/Monitored Subsystem References
OBD II Symbol Description Notice
Power to the Transaxle and Solenoid Controls
Traction Control (NW9)
Internal Mode Switch Inputs
Transaxle Inputs