GM Service Manual Online
For 1990-2009 cars only
Figure 1:

Starting Control


Object Number: 1262436  Size: FS
Master Electrical Component List
Starting System Description and Operation
Generator Control
G303, G305, G310, and G404
START Circuit Breaker, HORN and A/C CLU Fuses - 3.8L
PCM IGN and IGN 1 Fuses - 4.6L
START Circuit Breaker, HORN and A/C CLU Fuses - 3.8L
PCM IGN and IGN 1 Fuses - 4.6L
Ignition Switch Positions
Serial Data Class 2
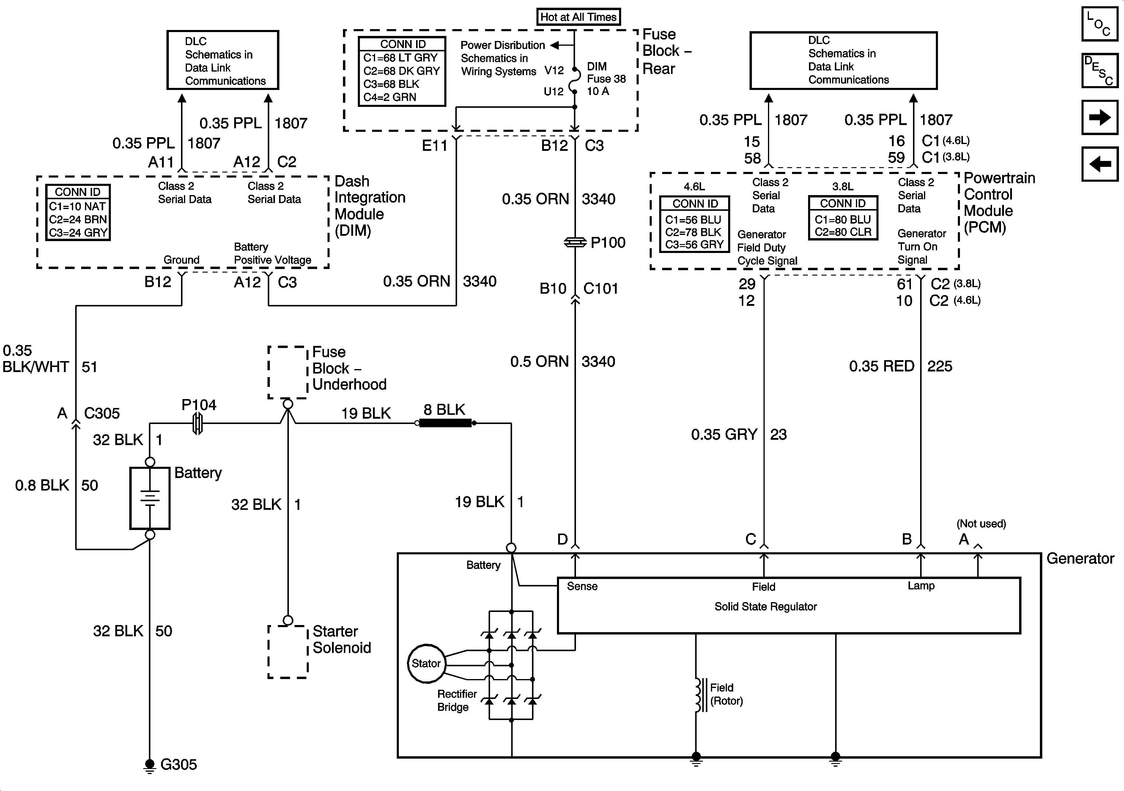
Figure 2:

Generator Control


Object Number: 1262509  Size: FS
Master Electrical Component List
Charging System Description and Operation
Indicators
Starting Control
Serial Data Class 2
HTDST RF, HTDST LF, DIM, and MEM Fuses
Serial Data Class 2
Figure 3:

Indicators


Object Number: 766049  Size: FS
Master Electrical Component List
Charging System Description and Operation
Generator Control
Serial Data Class 2