GM Service Manual Online
For 1990-2009 cars only
Figure 1:

Dimming Control


Object Number: 1547018  Size: FS
Master Electrical Component List
Interior Lighting Systems Description and Operation
I/P and Console Dimming
Rear Fuse Block B+ Bus
LP PKL, LP PKR, and DIMR Fuses
Temperature Sensors
G201 - 1 of 2
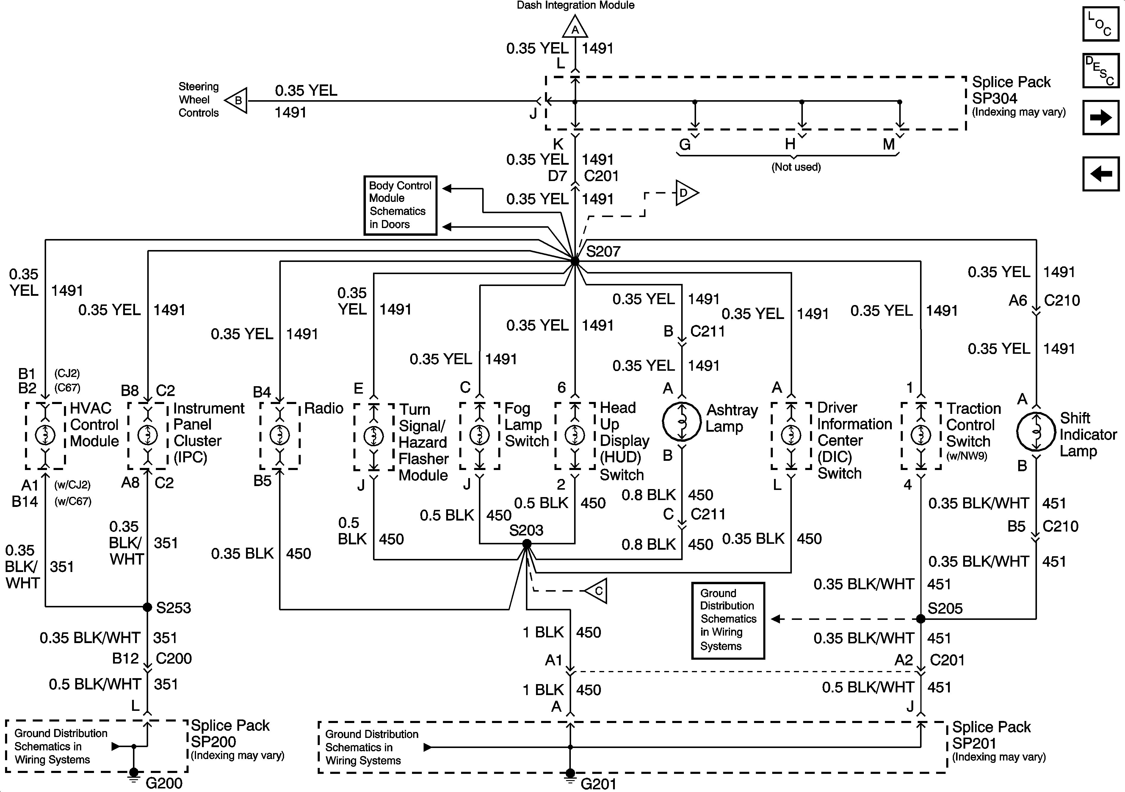
I/P and Console Dimming
G201 - 1 of 2
Figure 2:

I/P and Console Dimming


Object Number: 1547019  Size: FS
Master Electrical Component List
Interior Lighting Systems Description and Operation
Front Floor Lamps, and Heated Seat Dimming
Dimming Control
Dimming Control
Steering Column Lamps Dimming
Driver Door Switch Assembly
Front Floor Lamps, and Heated Seat Dimming
Front Floor Lamps, and Heated Seat Dimming
G201 - 2 of 2
G200
G201 - 1 of 2
Figure 3:

Front Floor Lamps and Heated Seat Dimming


Object Number: 1364603  Size: FS
Master Electrical Component List
Interior Lighting Systems Description and Operation
Steering Column Lamps Dimming
I/P and Console Dimming
Simple Bus Interface (SBI)
I/P and Console Dimming
I/P and Console Dimming
Figure 4:

Steering Column Lamps Dimming


Object Number: 765833  Size: FS
Master Electrical Component List
Interior Lighting Systems Description and Operation
Front Floor Lamps, and Heated Seat Dimming
I/P and Console Dimming
SIR Caution for Zoning
SIR Caution for Zoning
G200
G200