GM Service Manual Online
For 1990-2009 cars only
Figure 1:

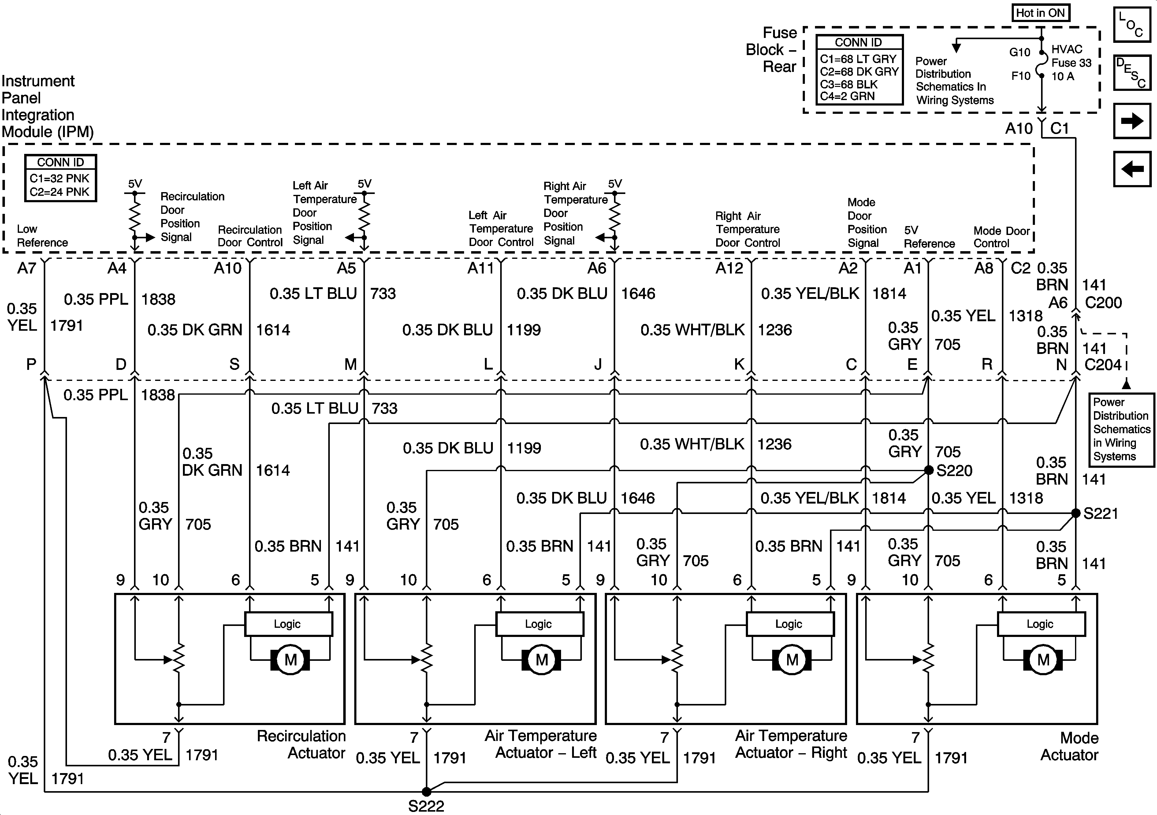
Blower Control


Object Number: 885623  Size: FS
Master Electrical Component List
Air Delivery Description and Operation
HVAC Control
HVAC BLO, AUDIO AMP, and SDAR Fuses
G201 - 1 of 2
Figure 2:

HVAC Control


Object Number: 885625  Size: FS
Master Electrical Component List
Air Delivery Description and Operation
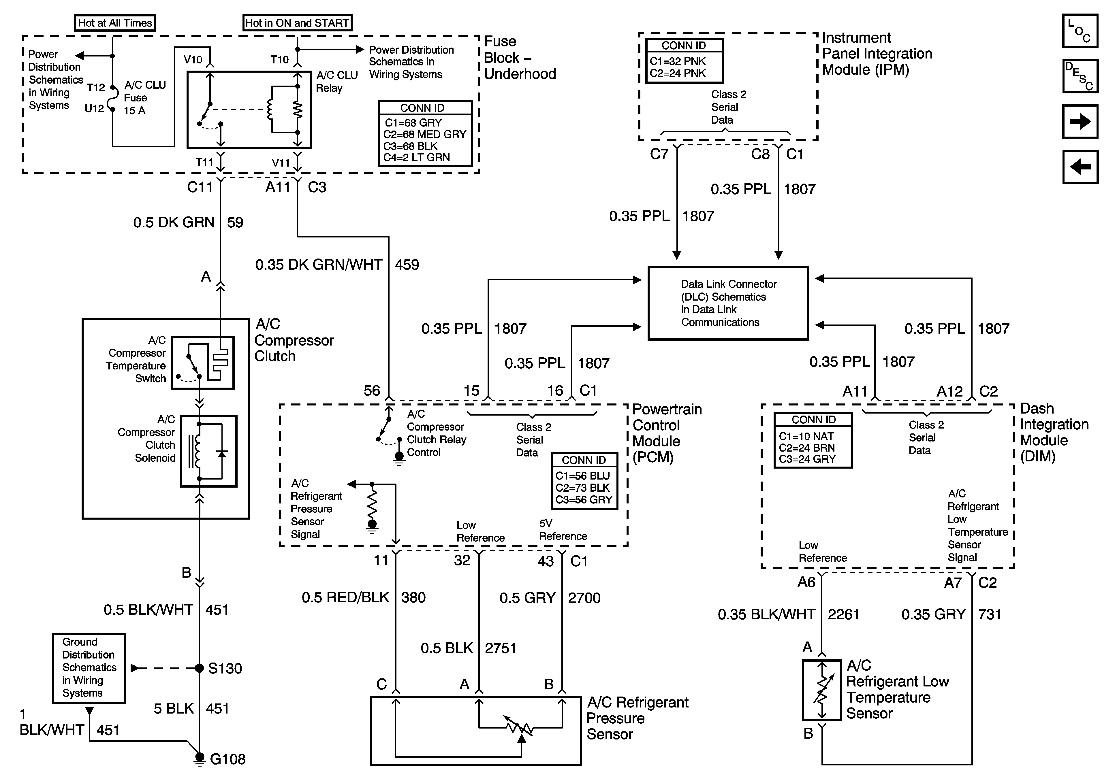
Compressor Controls - 3.8L
Blower Control
Serial Data Class 2
G200
G200
IGN3 RR and ABS Fuses
I/P and Console Dimming
G201 - 1 of 2
IGN3 RR and ABS Fuses
G201 - 1 of 2
Figure 3:

Compressor Controls - 3.8L


Object Number: 1220128  Size: FS
Master Electrical Component List
Air Temperature Description and Operation
Compressor Controls - 4.6L
HVAC Control
START Circuit Breaker, HORN and A/C CLU Fuses - 3.8L
START Circuit Breaker, HORN and A/C CLU Fuses - 3.8L
Serial Data Class 2
G104 and G105 - 3.8L
Fuel Sensor and EVAP Solenoid Controls
Fuel Sensor and EVAP Solenoid Controls
Figure 4:

Compressor Controls - 4.6L


Object Number: 1258298  Size: FS
Master Electrical Component List
Air Temperature Description and Operation
Air Delivery
Compressor Controls - 3.8L
START Circuit Breaker, HORN and A/C CLU Fuses - 3.8L
START Circuit Breaker, HORN and A/C CLU Fuses - 3.8L
G108, G110, and G111 - 4.6L
Serial Data Class 2
Figure 5:

Air Delivery


Object Number: 1523349  Size: FS
Master Electrical Component List
Air Temperature Description and Operation
Temperature Sensors
Compressor Controls - 4.6L
HVAC Fuse
HVAC Fuse
Figure 6:

Temperature Sensors


Object Number: 1546773  Size: FS
Master Electrical Component List
Air Temperature Description and Operation
Air Delivery
Headlamp Controls
Headlamp Controls
Dimming Control