GM Service Manual Online
For 1990-2009 cars only
Figure 1:

G108, G110, and G111 - 4.6L


Object Number: 1313727  Size: FS
Master Electrical Component List
G109 - 4.6L
Figure 2:

G109 - 4.6L


Object Number: 1368855  Size: FS
Master Electrical Component List
G101, G102, G106, and G107
G108, G110, and G111 - 4.6L
Figure 3:

G101, G102, G106, and G107


Object Number: 1257640  Size: FS
Master Electrical Component List
G103
G109 - 4.6L
Figure 4:

G103


Object Number: 1313749  Size: FS
Master Electrical Component List
G104 and G105 - 3.8L
G101, G102, G106, and G107
Figure 5:

G104 and G105 - 3.8L


Object Number: 791726  Size: FS
Master Electrical Component List
G200
G103
Figure 6:

G200


Object Number: 1341639  Size: FS
Master Electrical Component List
G201 - 1 of 2
G104 and G105 - 3.8L
SIR Caution for Zoning
Figure 7:

G201 - 1 of 2


Object Number: 886772  Size: FS
Master Electrical Component List
G201 - 2 of 2
G200
Figure 8:

G201 - 2 of 2


Object Number: 886673  Size: FS
Master Electrical Component List
G300 and G301 - 1 of 2
G201 - 1 of 2
Figure 9:

G300 and G301 - 1 of 2


Object Number: 878576  Size: FS
Master Electrical Component List
G301 - 2 of 2
G201 - 2 of 2
Figure 10:

G301 - 2 of 2


Object Number: 885323  Size: FS
Master Electrical Component List
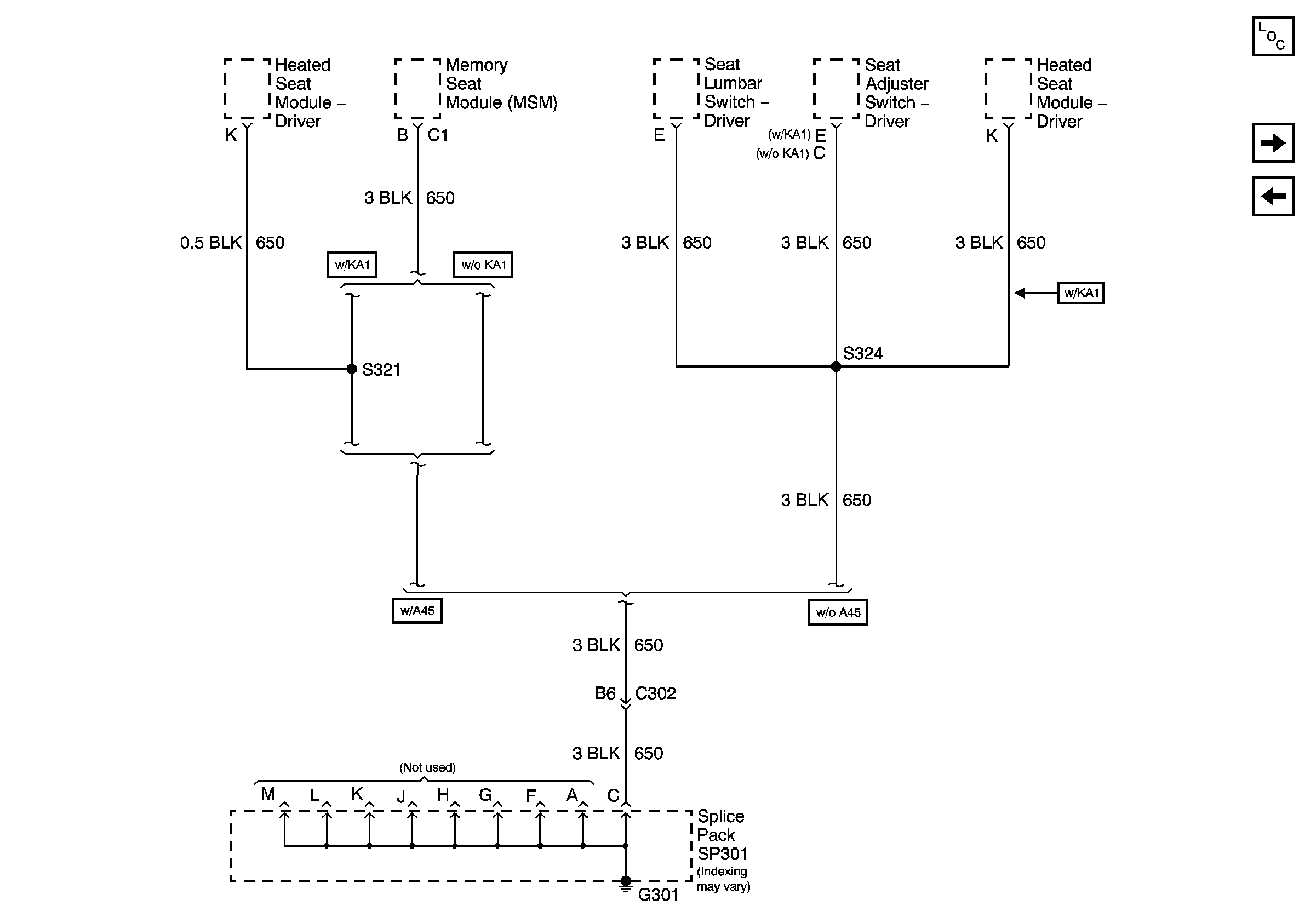
G302
G300 and G301 - 1 of 2
Figure 11:

G302


Object Number: 1341651  Size: FS
Master Electrical Component List
G303, G305, G310, and G404
G301 - 2 of 2
Figure 12:

G303, G304, G305, and G410


Object Number: 1313750  Size: FS
Master Electrical Component List
G401 - 1 of 2
G302
SIR Caution for Zoning
Underhood Fuse Block B+ Bus - 3.8L
Figure 13:

G401 - 1 of 2


Object Number: 885660  Size: FS
Master Electrical Component List
G401 - 2 of 2
G303, G305, G310, and G404
Figure 14:

G401 - 2 of 2


Object Number: 1341736  Size: FS
Master Electrical Component List
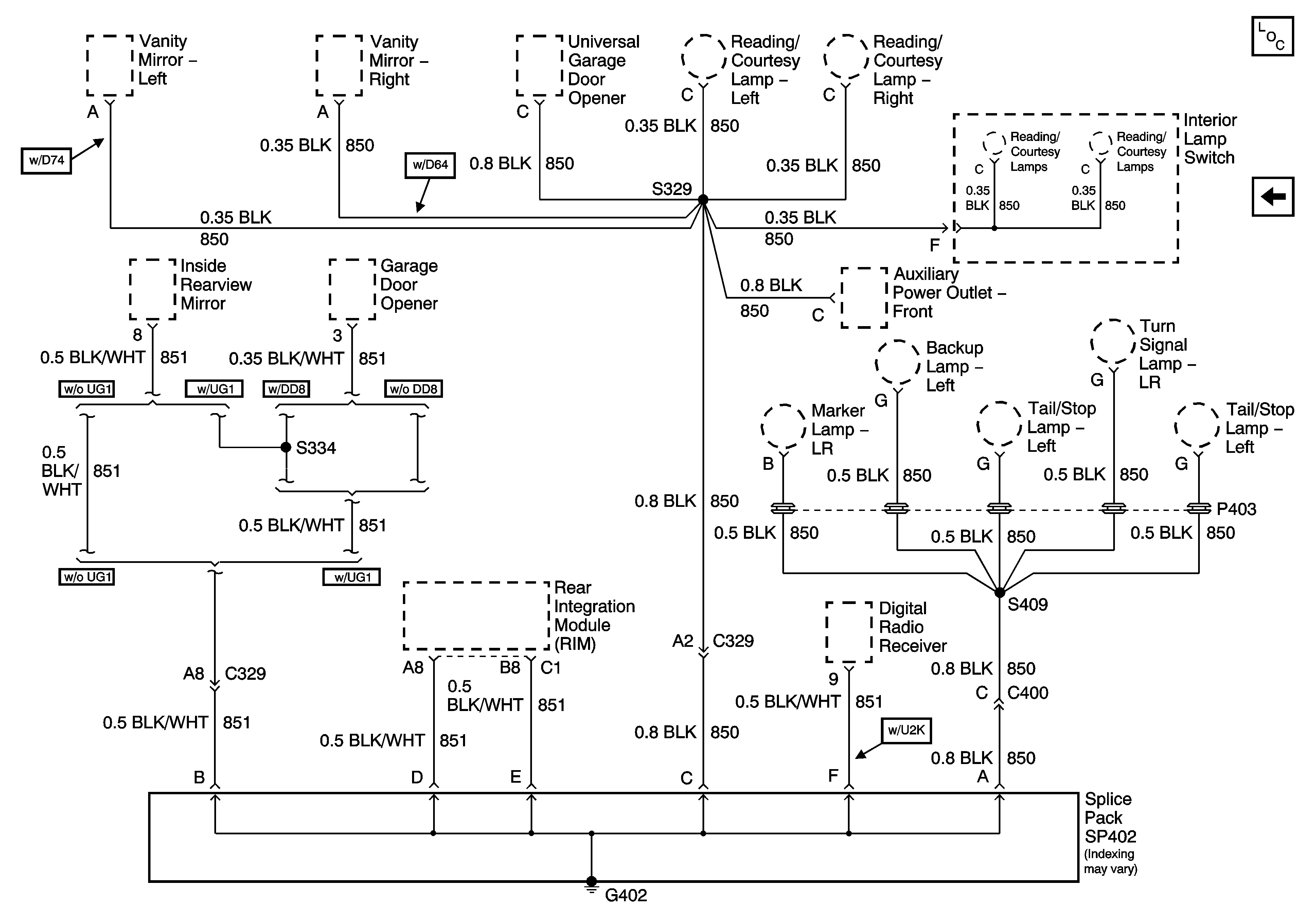
G402
G401 - 1 of 2
Figure 15:

G402


Object Number: 1313751  Size: FS
Master Electrical Component List
G401 - 2 of 2