GM Service Manual Online
For 1990-2009 cars only
Makes
🢒
Pontiac
🢒
2005
🢒
Bonneville
🢒 Sensors
Sensors
Sensors
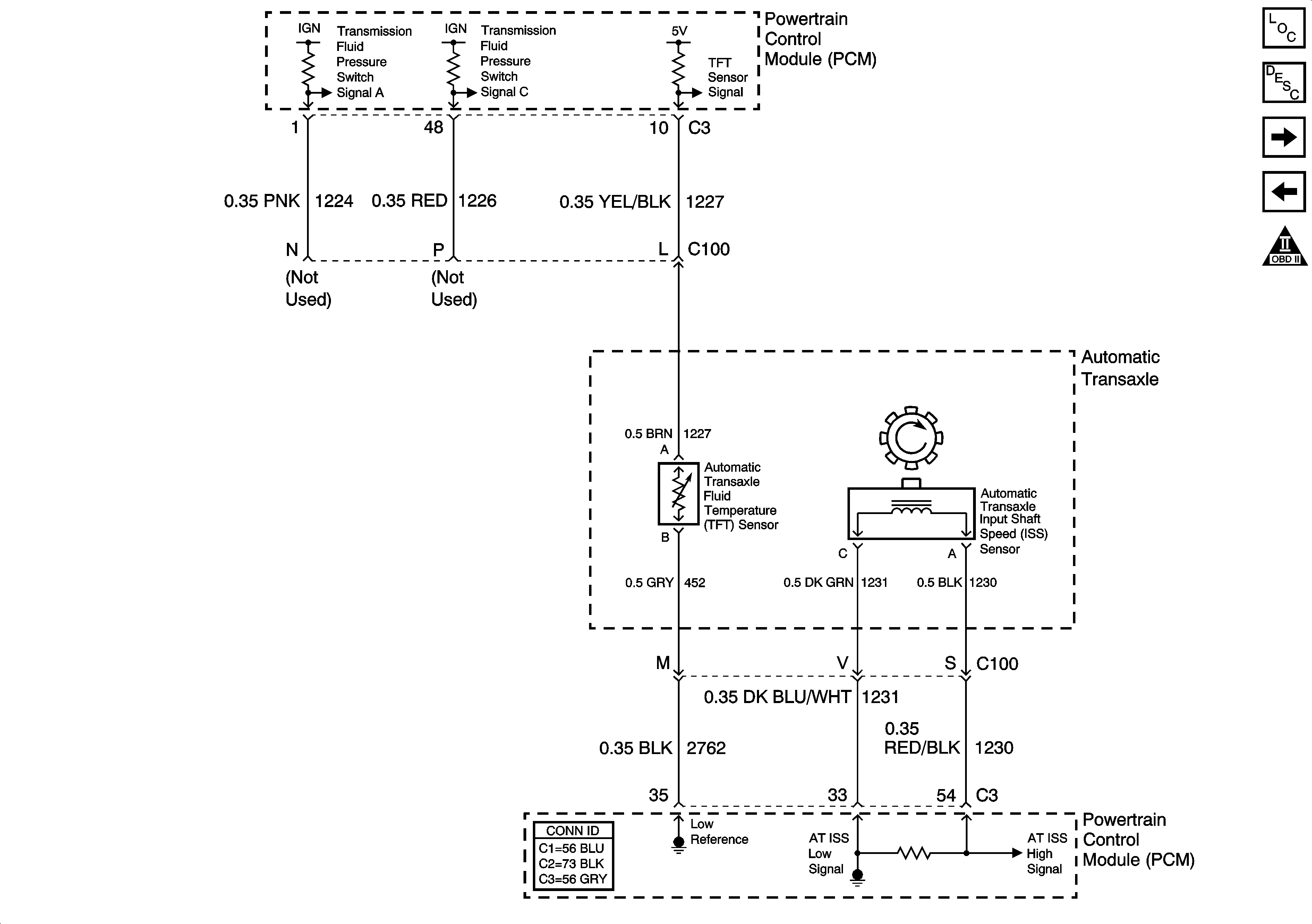
Master Electrical Component List
Electronic Component Description
Transmission Internal Mode Switch (IMS), and VSS
Stop Lamp Switch and Transaxle Solenoids
OBD II Symbol Description Notice