GM Service Manual Online
For 1990-2009 cars only
Makes
🢒
Pontiac
🢒
2005
🢒
Bonneville
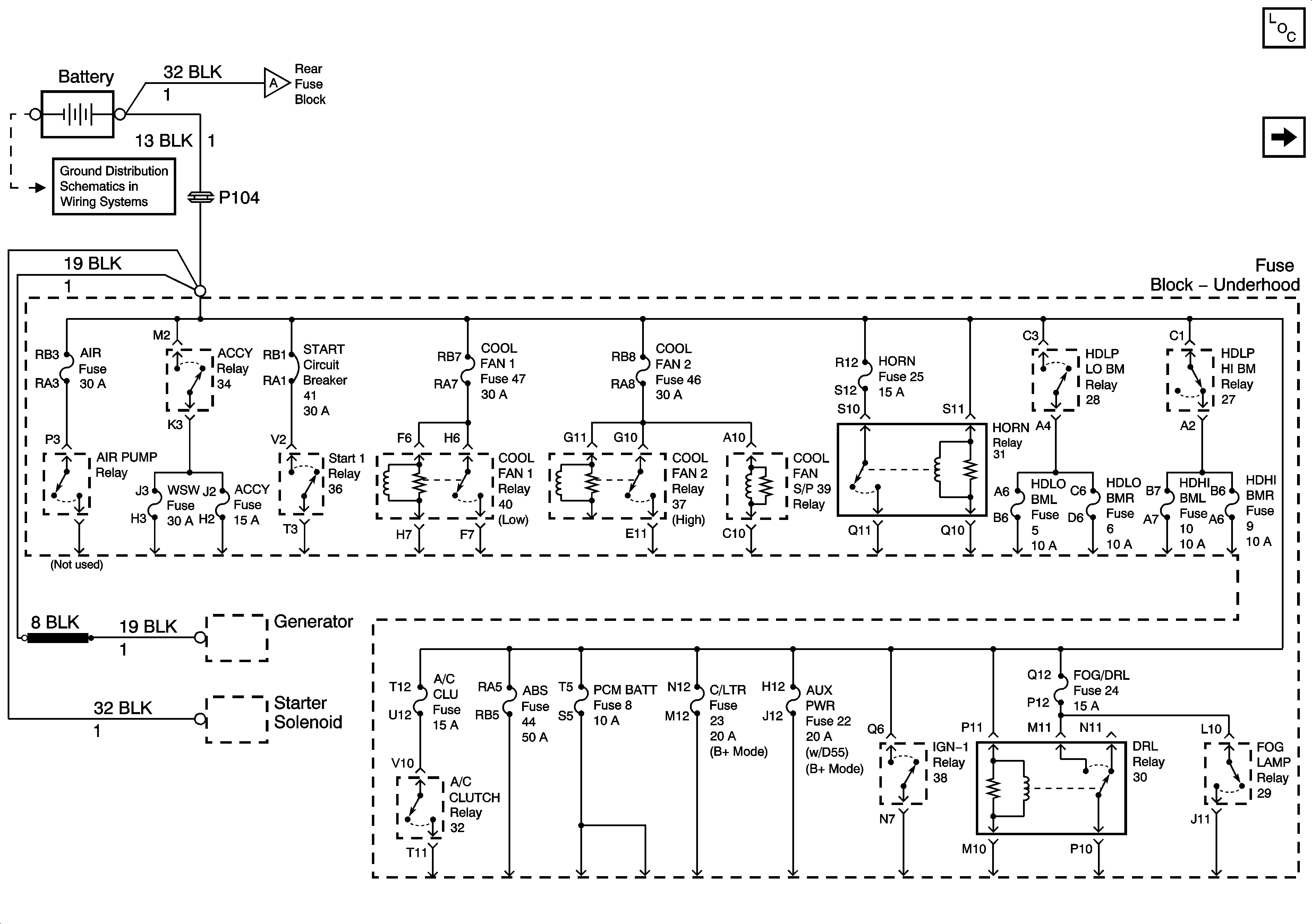
🢒 Battery Feed to the Fuse Block Underhood
Battery Feed to the Fuse Block Underhood
Battery Feed to the Fuse Block Underhood