GM Service Manual Online
For 1990-2009 cars only

CLUTCH LINKAGE SYSTEM SQUEAKS (REPAIRS DESCRIBED)

1984-87 FIERO MODELS WITH MANUAL TRANSMISSION

"This bulletin is being revised to supersede Bulletins 86-7-13, 86-7-24, 86-7-34, 87-7-49 and 87-7-54. Please destroy all copies of these previously issued bulletins. "

CLUTCH WEAR:

Owners of some 1984-87 Fieros equipped with manual transmissions may comment of clutch slippage, separation of facing from the driven disc, gear clash, excessive shift effort, or excessive clutch pedal effort. Prior to replacing a clutch assembly in any of these vehicles, use all four (4) of the following cause and action statements to locate and repair the reasons for the clutch wear.

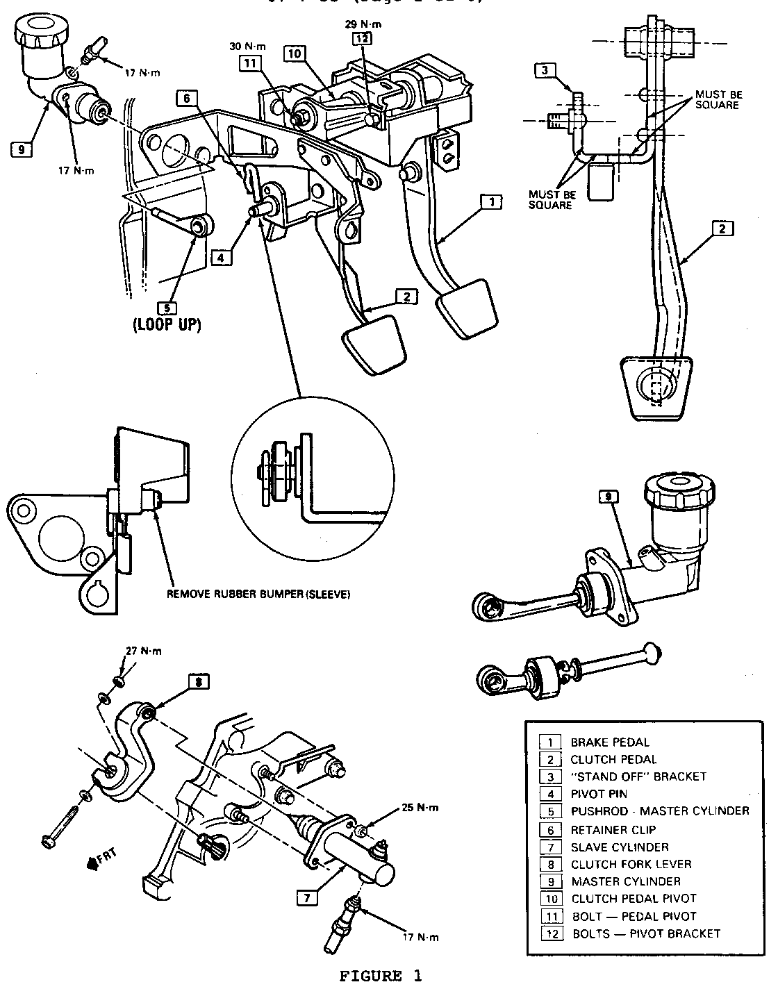
Reference Figure #1.

1. Cause: Clutch release difficult, due to excessive clutch pedal deflection and/or bent clutch pedal "standoff" bracket.

Action: Using the procedure below, install the following new components and discard the clutch pedal return spring, spring bushing, and push rod pin washers which are not used with the replacement system.

PART DESCRIPTION PART NUMBER ---------------- ----------- Steel Clutch Pedal (1984-86 ONLY) 10066423 Master Cylinder Push Rod (1984-85 ONLY) 10126424 Master Cylinder Push Rod (1986 ONLY) 10126423 Retainer Clip 10040797 Lubriplate or equivalent 1052196 Castrol Fluid 12345347

Parts are currently available from GMSPO.

Procedure:

--------- A. Remove clutch master cylinder push rod from clutch pedal. B. Remove neutral start switch. C. Remove the rubber bumper (sleeve) from the clutch pedal return stop and discard. D. Remove nut from pedal pivot bolt. E. Slide pivot bolt half way out, loosen two (2) pivot bracket bolts, and remove clutch pedal. F. Disconnect hydraulic line from master cylinder. G. Remove master cylinder mounting bolts and remove master cylinder from front of dash. H. Remove the boot, snap ring and push rod from the master cylinder. I. Install the new push rod and snap ring in the master cylinder (lubricate the installed end of the push rod) . Reattach the boot to the master cylinder. J. Bench bleed the master cylinder, using Castrol Fluid as replacement fluid. K. Reinstall the master cylinder to front of dash and reattach hydraulic line. L. Install new pedal assembly and apply liberal amount of Lubriplate lubricant to inner and outer diameters of pedal bushings and spacer. M. Torque pivot bolt nut, and also torque pivot bracket bolts. N. Apply Lubriplate lubricant to the bushing in master cylinder push rod, and on pedal push rod pin. O. Attach push rod to pedal and secure with retainer clip, per Figure 1. DO NOT USE ANY WASHERS. P. Bleed the system using Castrol fluid as replacement fluid. Power bleeding is acceptable. Q. Install neutral start switch.

NOTICE: NEUTRAL START SWITCH WILL SELF-ADJUST ON INITIAL DEPRESSION OF CLUTCH PEDAL (RATCHETING NOISE IS NORMAL).

R. Adjust cruise control dump switch per section 9B-8 of the 1988 Fiero Service Manual.

Warranty Information

Labor Operation: T1358 Labor Time : 1.3 Hours

2. Cause: Clutch release difficult, due to clutch fork lever cracking or excessive deflection.

Action: Install new cast iron clutch fork lever in place of the stamped steel lever. Use the following part numbers:

APPLICATION PART NUMBER ----------- ----------- 1984 4 cyl., 4-speed 10054118 1985-86 6 cyl., 4-speed 10054119 1985-86 4 cyl., 5-speed 10054300

Warranty Information

Labor Operation: K0280 Labor Time : Use appropriate labor time for model year.

3. Cause: Partial clutch disengagement due to interference between the pedal and pedal return stop and/or misadjusted cruise control dump switch. The interference restricts the pedal from returning to its fully engaged position, which retains pressure in the hydraulic system.

NOTICE: THE PEDAL RETURN STOP CONDITION WAS CORRECTED IN PRODUCTION (ON VEHICLES BUILT AFTER VIN GP220697) BY REMOVING THE RUBBER BUMPER (SLEEVE) FROM THE PEDAL SUPPORT ASSEMBLY.

Action: Same as #1.

4. Cause: Insufficient clutch release, due to air in hydraulic system lines.

Action: Bleed hydraulic system, per Section 7C of the Fiero Service Manual. Power bleeding is also acceptable. Use Castrol Fluid as replacement fluid.

Warranty Information

Labor Operation: K0040 Labor Time : .5 Hours

IMPORTANT: When replacing the clutch assembly, inspect the clutch fork shaft for freedom of movement. If there is any restriction in movement, replace the fork shaft bushings per Section 7C of the Fiero Service Manual.

CLUTCH NOISE:

Owners of some 1984-86 Fieros equipped with manual transmissions may comment of a squeaking noise while depressing or releasing the clutch pedal. The squeaking noise may be coming from one or more of the following locations. Use the following cause and action statements to locate and fix the noise condition:

Reference Figure #1.

1. Cause: Pedal pivot noise due to (1) insufficient lube; (2) deflection, resulting in uneven loading on the pivot bushings, or (3) pedal return spring noise.

Action: Same as #1 of CLUTCH WEAR Section.

NOTICE: SPRAYING OR SQUIRTING LUBRICANT TO THESE AREAS (WITHOUT PERFORMING THE ABOVE ACTION) WILL ONLY TEMPORARILY ELIMINATE THE NOISE.

2. Cause: Push rod pin pivoting noise due to misalignment between the master cylinder and pedal (pedal deflection and/or bent clutch pedal "standoff" bracket), or incorrect attachment of the push rod to the pedal pin.

Action: Same as #1 of CLUTCH WEAR Section.

3. Cause: Master cylinder noise due to (1) internal seal friction on bore, (2) contact between master cylinder boot and push rod, or (3) misalignment between the master cylinder and pedal, due to excessive clutch pedal deflection and/or bent clutch pedal "standoff" bracket.

Action: Same as #1 of CLUTCH WEAR section, as well as:

A. Install a new master cylinder assembly, P/N 10079730 in place of the removed assembly. New pushrod will be included with the new master cylinder.

B. Evacuate the entire hydraulic system (master/slave cylinders and pipe) of the old fluid. To evacuate the pipe assembly, disconnect it from the master and slave cylinders, and use air pressure to blow the fluid out.

C. Refill the system with Castrol fluid and bleed.

Warranty Information

Labor Operation: T1358

Labor Time : 1.3 Hours Add : .3 Hours (for evacuation)

SQUEAKING NOISE:

Owners of some 1987 Fieros equipped with manual transmissions may also comment of a squeaking noise. Use the following cause and action statements to locate and fix the noise condition.

1. Cause: Pedal pivot noise due to insufficient lube.

Action: Remove the clutch pedal and lubricate the inner and outer diameters of the clutch pedal pivot bushings and spacer with Lubriplate lubricant. Reinstall the clutch pedal.

Warranty Information

Labor Operation: K0060 Labor Time : Use appropriate labor time for model year.

2. Cause: Master cylinder noise due to internal seal friction on bore.

Action: Install a new hydraulic clutch master cylinder, P/N 10079730; and evacuate, refill, and bleed the hydraulic system per the following procedure.

A. Disconnect the master cylinder push rod from the pedal and the hydraulic pipe from the master cylinder. B. Remove the master cylinder from the front of dash. C. Detach the hydraulic pipe from the slave cylinder and blow the fluid out of the pipe. Open the slave cylinder bleed screw and use the piston to evacuate any fluid. D. Bench bleed the master cylinder (using Castrol fluid) and install it to the front of dash. Attach the push rod to the pedal pin using the retainer clip. E. Reattach the pipe to the master and slave cylinders. F. Refill and bleed the system using Castrol fluid. Power bleeding is acceptable.

Warrant Information

Labor Operation : K0600 Labor Time : Use appropriate labor time for model year. Add : .3 Hours (for evacuation)

3. Cause: Push rod pivoting noise due to insufficient lube at the pedal push rod pivot pin.

Action: Remove retainer clip and push rod from pedal pin and lubricate the pedal pin and push rod bushing with Lubriplate lubricant. Reattach the push rod to the pedal.


Object Number: 80410  Size: FS

General Motors bulletins are intended for use by professional technicians, not a "do-it-yourselfer". They are written to inform those technicians of conditions that may occur on some vehicles, or to provide information that could assist in the proper service of a vehicle. Properly trained technicians have the equipment, tools, safety instructions and know-how to do a job properly and safely. If a condition is described, do not assume that the bulletin applies to your vehicle, or that your vehicle will have that condition. See a General Motors dealer servicing your brand of General Motors vehicle for information on whether your vehicle may benefit from the information.