GM Service Manual Online
For 1990-2009 cars only

Removal Procedure


    Object Number: 211652  Size: SH
  1. Disconnect the control module electrical connector bolt.
  2. Remove the control module electrical connector from the module.
  3. Remove the spark plug wires from the ignition control module.

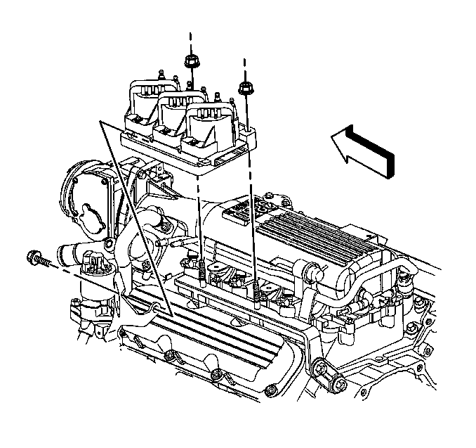
  4. Object Number: 43664  Size: SH
  5. Remove the ignition control module nuts.

  6. Object Number: 52979  Size: SH
  7. Remove the engine lift bracket to control module bolt.
  8. Remove the ignition control module.

Installation Procedure


    Object Number: 43664  Size: SH
  1. Install the ignition control module.
  2. Notice: Use the correct fastener in the correct location. Replacement fasteners must be the correct part number for that application. Fasteners requiring replacement or fasteners requiring the use of thread locking compound or sealant are identified in the service procedure. Do not use paints, lubricants, or corrosion inhibitors on fasteners or fastener joint surfaces unless specified. These coatings affect fastener torque and joint clamping force and may damage the fastener. Use the correct tightening sequence and specifications when installing fasteners in order to avoid damage to parts and systems.

  3. Install the ignition control module nuts.
  4. Tighten
    Tighten the ignition control module nuts to 30 N·m (22 lb ft).


    Object Number: 52979  Size: SH
  5. Install the engine lift bracket to control module bolt.
  6. Tighten
    Tighten the engine lift bracket to control module bolt to 25 N·m (18 lb ft).


    Object Number: 211652  Size: SH
  7. Connect the control module electrical connector.
  8. Install the control module electrical connector bolt.
  9. Tighten
    Tighten the ignition control module bolt to 2.5 N·m (22 lb in).

  10. Install the spark plug wires to the control module.