GM Service Manual Online
For 1990-2009 cars only
Makes
🢒
Pontiac
🢒
1998
🢒
Firebird
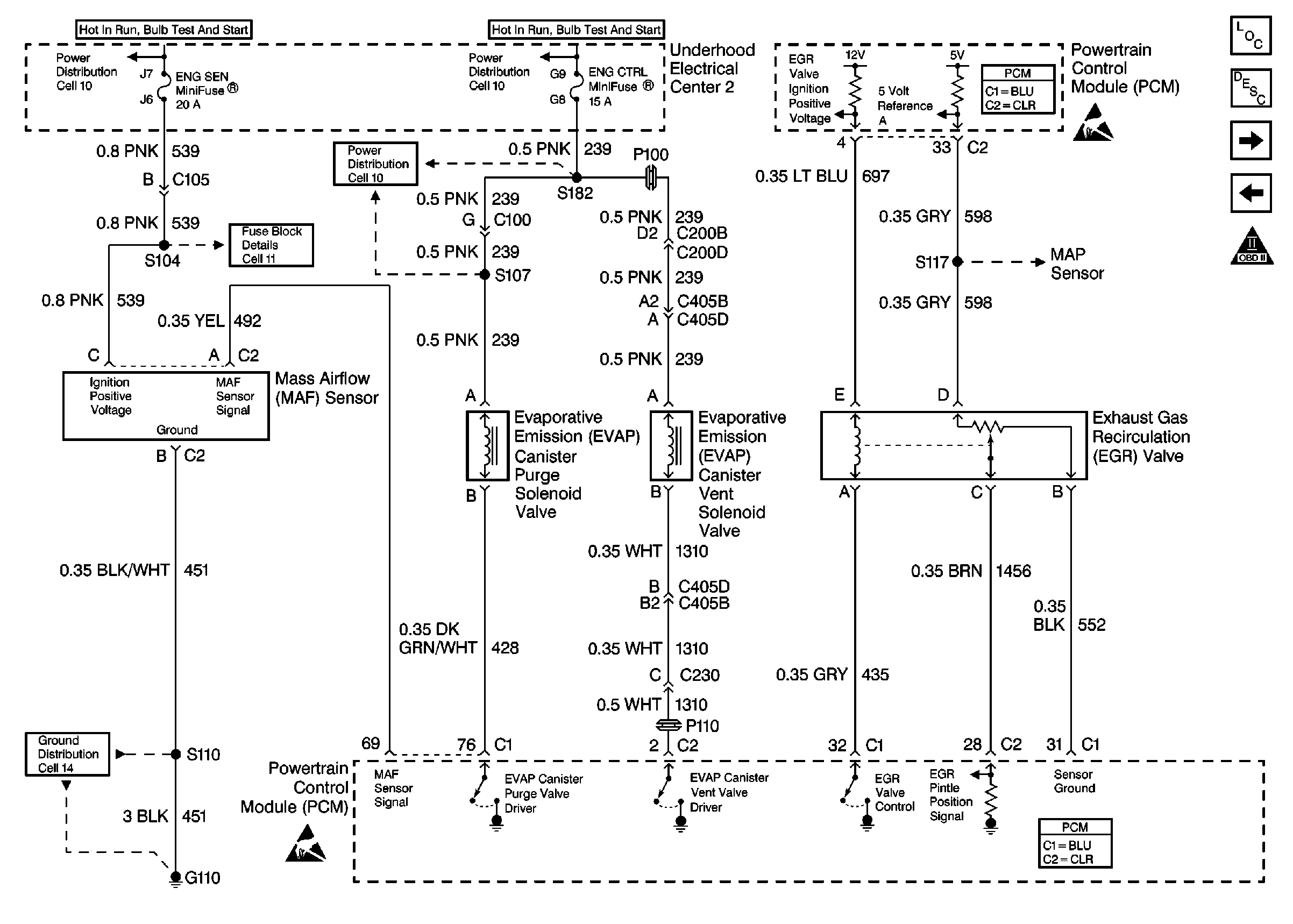
🢒 MAF Sensor, EVAP System, EGR Valve
MAF Sensor, EVAP System, EGR Valve
MAF Sensor, EVAP System, EGR Valve
Engine Controls Components
Powertrain Control Module Description
Gen Control, IAC , Check Gauges Lamp
HO2S Sensors
OBD II Symbol Description Notice
Ignition Switch and Underhood Electrical Center 2
U/H Center 2: ENG SEN Fuse
U/H Center 2: ENG CTRL Fuse
Ignition Switch and Underhood Electrical Center 2
Handling ESD Sensitive Parts Notice
TP, MAP, ECT, IAT Sensors
G110 V6 VIN K