| Table 1: | DTC C0051 RR Wheel Speed Circuit Range/Performance |
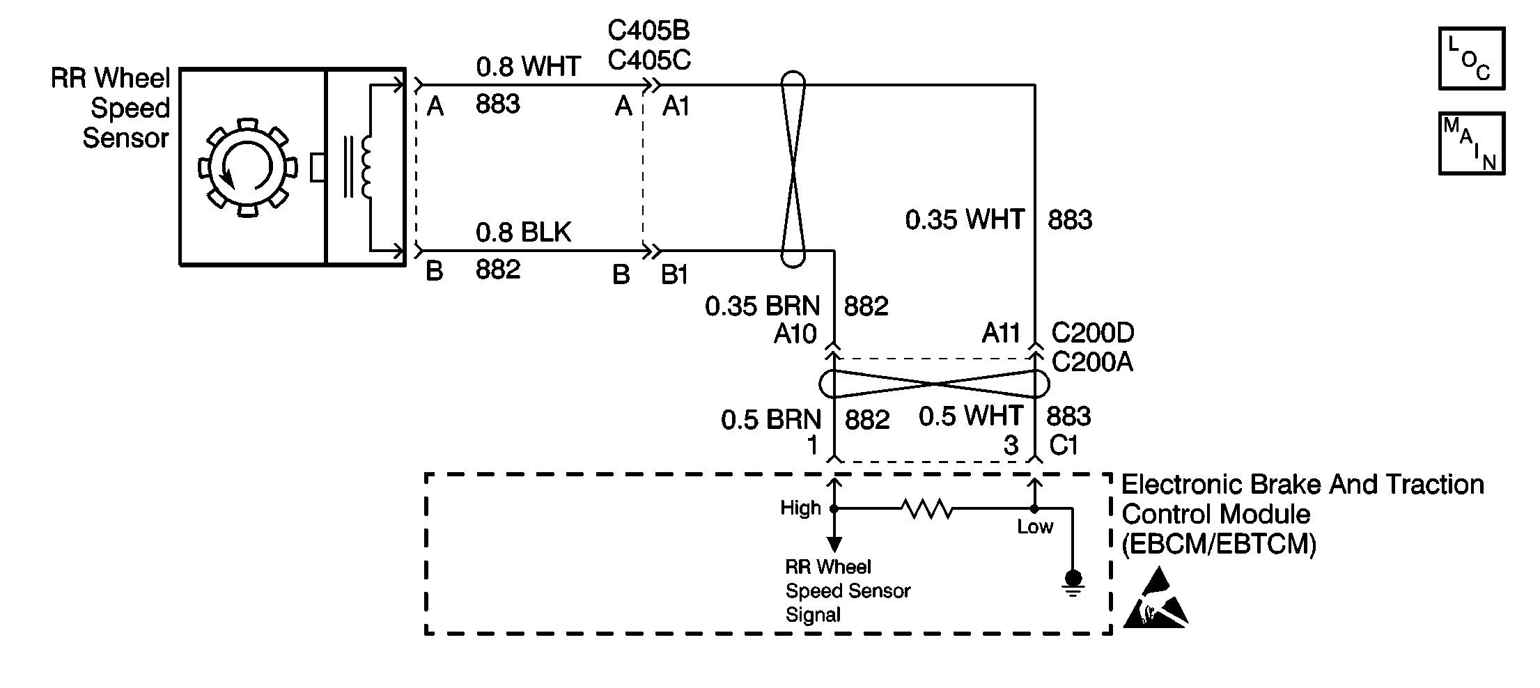
The speed sensor used on this vehicle is a single point magnetic pickup. This sensor produces an AC signal that the EBTCM uses the frequency from to calculate the wheel speed.
| • | The DTC will set if one wheel speed = 0 and the other WSS are greater than 40 Km/h (25 mph) for 10 ms, or if the EBTCM detects a short to ground. |
| • | The DTC will set if during drive off, one wheel speed = 0, and the other WSS are greater than 12 Km/h (7.5 mph). |
| • | A malfunction DTC stores. |
| • | The ABS/TCS disables. |
| • | The amber ABS/TCS indicator(s) turn on. |
| • | The Red BRAKE Warning indicator turns on. |
| • | The condition responsible for setting the DTC no longer exists and the scan tool Clear DTCs function is used. |
| • | 100 ignition cycles pass with no DTC(s) detected. |
| Important: After the DTC is cleared by ignition cycle default, the vehicle must be driven above 12 Km/h (8 mph) for the ABS/TCS indicator(s) to turn off. |
| • | It is very important that a thorough inspection of the wiring and connectors be performed. Failure to carefully and fully inspect wiring and connectors may result in misdiagnosis, causing part replacement with reappearance of the malfunction. |
| • | Thoroughly inspect any circuitry that may be causing the complaint for the following conditions: |
| - | Backed out terminals |
| - | Improper mating |
| - | Broken locks |
| - | Improperly formed or damaged terminals |
| - | Poor terminal-to-wiring connections |
| - | Physical damage to the wiring harness |
| • | The following conditions may cause an intermittent malfunction: |
| - | A poor connection |
| - | Rubbed-through wire insulation |
| - | A broken wire inside the insulation |
| • | If the customer's comments reflect that the amber ABS/TCS indicator is on only during moist environmental conditions (rain, snow, vehicle wash), inspect all the wheel speed sensor circuitry for signs of water intrusion. If the DTC is not current, clear all DTCs and simulate the effects of water intrusion by using the following procedure: |
| 1. | Spray the suspected area with a five percent saltwater solution. |
Add two teaspoons of salt to twelve ounces of water to make a five percent saltwater solution.
| 2. | Test drive the vehicle over various road surfaces (bumps, turns, etc.) above 40 km/h (25 mph) for at least 30 seconds. |
| 3. | If the DTC returns, replace the suspected harness. |
| • | If an intermittent malfunction exists refer to Troubleshooting Procedures Cell 4 in Electrical Diagnosis for further diagnosis. |
The following table contains resistance values for the rear wheel speed sensors at varying sensor temperatures for use in diagnosis. The values are approximate and should be used as a guideline for diagnosis.
Sensor Temperature (°C) | Sensor Temperature (°F) | Sensor Resistance (Ohms) |
|---|---|---|
-34 to 4 | -30 to 40 | 2032 to 3107 |
5 to 43 | 41 to 110 | 2417 to 3615 |
44 to 93 | 111 to 200 | 2812 to 4266 |
The number(s) below refer to the step number(s) on the diagnostic table.
Step | Action | Value(s) | Yes | No |
|---|---|---|---|---|
1 | Was the Diagnostic System Check performed? | -- | Go to Diagnostic System Check | |
2 | Inspect the WSS for physical damage. Is physical damage of the WSS evident? | -- | ||
3 | Replace the WSS. Refer to Wheel Speed Sensor Replacement . Is the replacement complete? | -- | -- | |
4 | Inspect the jumper harness for physical damage. Is physical damage of the jumper harness evident? | -- | ||
5 | Replace the jumper harness. Refer to Wheel Speed Sensor Jumper Harness Replacement . Is the replacement complete? | -- | -- | |
Is the resistance within the range specified in the value(s) column? | 2032-4266 ohms | |||
Is the AC voltage within the range specified in the value(s) column? | Above 100 mV | |||
8 | Using J 39200 DMM, measure the resistance between the WSS terminal A and ground. Is the resistance within the range specified in the value(s) column? | OL (infinite) | ||
9 |
Is the resistance within the range specified in the values column? | OL (infinite) | ||
10 | Repair short between CKT(s) 882 and 883. Refer to Repair Procedures Cell 5 in Electrical Diagnosis. If a short between wheel speed sensor circuits is found in the jumper harness, replace the jumper harness. Refer to Wheel Speed Sensor Jumper Harness Replacement . Is the repair complete? | -- | -- | |
11 | Using J 39200 DMM, measure the resistance between terminals 1 and 15 of J 39700 . Is the resistance within the range specified in the values column? | OL (infinite) | ||
12 | Repair CKT 882 for a short to ground. Refer to Repair Procedures Cell 5 in Electrical Diagnosis. If a short to ground is found in the jumper harness, replace the jumper harness. Refer to Wheel Speed Sensor Jumper Harness Replacement . Is the repair complete? | -- | -- | |
13 | Using J 39200 DMM, measure the resistance between terminals 3 and 15 of J 39700 . Is the resistance within the range specified in the values column? | OL (infinite) | ||
14 | Repair CKT 883 for a short to ground. Refer to Repair Procedures Cell 5 in Electrical Diagnosis. If a short to ground is found in the jumper harness, replace the jumper harness. Refer to Wheel Speed Sensor Jumper Harness Replacement . Is the repair complete? | -- | -- | |
15 | Replace the EBTCM. Refer to Electronic Brake Control Module Replacement . Is the replacement complete? | -- | Go to Diagnostic System Check | -- |
16 |
Does the DTC reset as a current DTC? | -- | Go to Diagnostic System Check |