GM Service Manual Online
For 1990-2009 cars only

Removal Procedure


    Object Number: 419414  Size: SH
  1. Disconnect the EVAP engine vacuum pipe from the EVAP canister purge pipe.

  2. Object Number: 172963  Size: SH
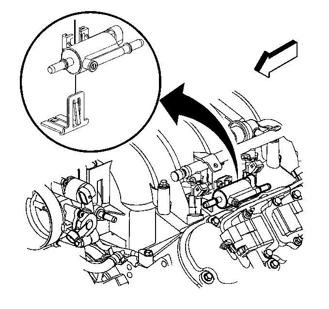
  3. Disconnect the engine compartment EVAP pipe (5) at the EVAP canister purge valve (6).

  4. Object Number: 218763  Size: SH
  5. Disconnect the EVAP canister purge valve harness.
  6. Remove the EVAP canister purge valve.

Installation Procedure


    Object Number: 218763  Size: SH
  1. Install the EVAP canister purge valve to the bracket.
  2. Connect the electrical connector to the EVAP canister purge valve.

  3. Object Number: 172963  Size: SH
  4. Connect the engine compartment EVAP pipe (5) at the EVAP canister purge valve (6).

  5. Object Number: 419414  Size: SH
  6. Connect the engine vacuum pipe to the EVAP canister purge valve.