GM Service Manual Online
For 1990-2009 cars only
Makes
🢒
Pontiac
🢒
2002
🢒
Firebird
🢒 Chevrolet (Europe)
Chevrolet (Europe)
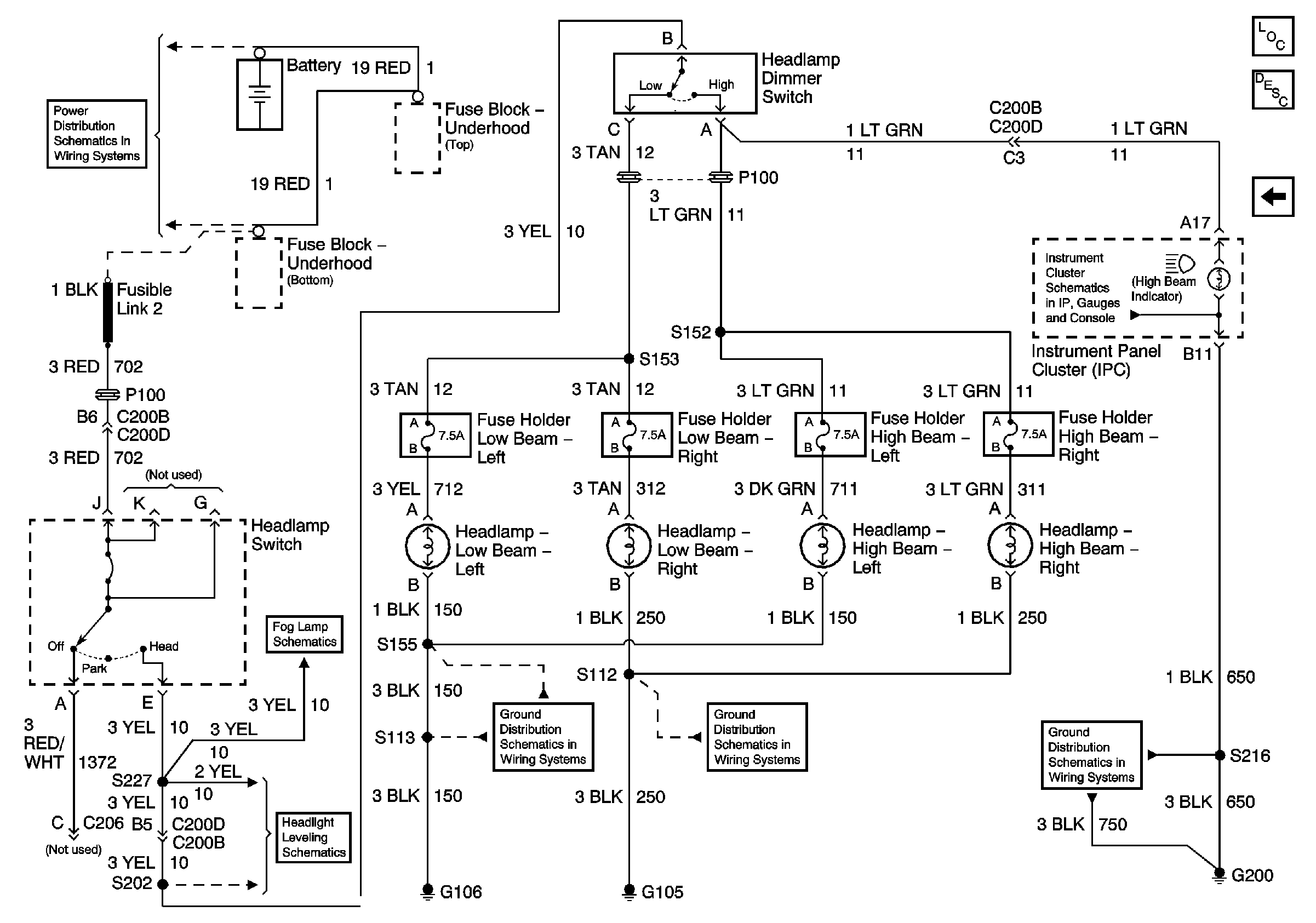
Headlights - Chevrolet - Europe
Master Electrical Component List
Exterior Lighting Systems Description and Operation
Chevrolet (Japan)
Battery Positive Voltage Bussing
Lamp Indicators
Rear Fog Lights Chevrolet Europe
Headlight Leveling Schematic
G106
G105
G200 Page 1 of 3