GM Service Manual Online
For 1990-2009 cars only

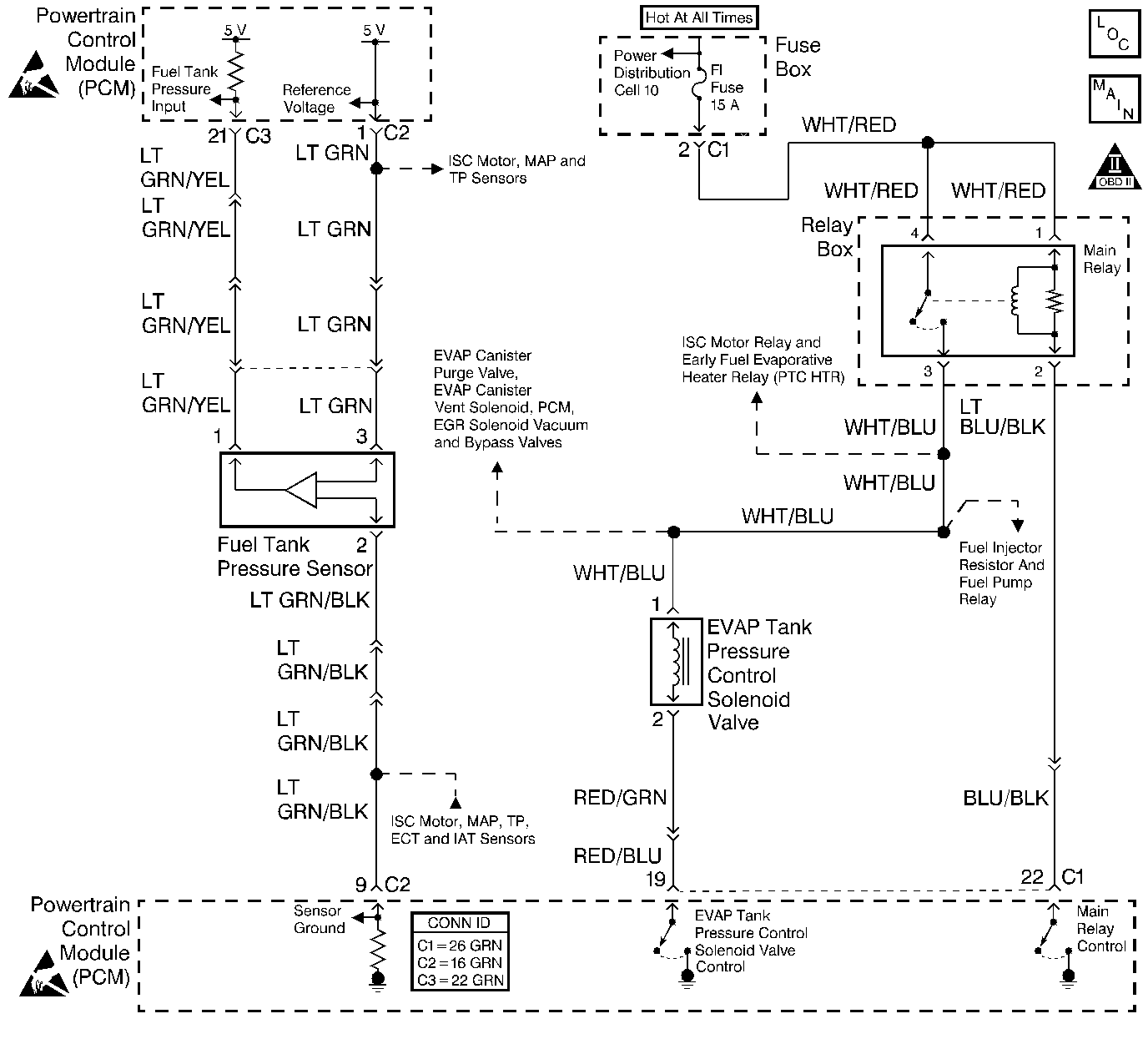
Object Number: 460629  Size: LF
Engine Controls Components
Cell 20: EVAP Controls
OBD II Symbol Description Notice
Handling ESD Sensitive Parts Notice
Handling ESD Sensitive Parts Notice

Circuit Description

The fuel tank pressure sensor responds to changes in fuel tank pressure or vacuum. The fuel tank pressure sensor signal voltage to the PCM varies according to changes in fuel tank pressure. The voltage signal can range from a high of over 4 volts (pressure in the tank) to a low of 0.6 volts (high vacuum condition in the tank) when the vent solenoid is closed.

Conditions for Running the DTC

    • Engine coolant temperature is 70°C to 110°C (158°F to 230°F).
    • Intake air temperature is -10°C to 50°C (14°F to 122°F).
    • Barometric pressure is greater than 75kPa.
    • Fuel tank level is between 25 and 75%.
    • Engine has been running at idle for at least 2 minutes.
    • Fuel tank pressure is lower than a specified value after the completion of the EVAP system leakage check.

Conditions for Setting the DTC

The fuel tank pressure indicated is lower than a specified value after the completion of the EVAP system leakage check.

Action Taken When the DTC Sets

    • The PCM illuminates the malfunction indicator lamp (MIL) after two consecutive ignition cycles in which the diagnostic runs with the fault active.
    • The PCM records the operating conditions at the time the diagnostic fails. This information is stored in the Freeze Frame buffer.

Conditions for Clearing the MIL/DTC

    • The MIL turns OFF after three consecutively passing trips without a fault present.
    • A History DTC clears after 40 consecutive warm-up cycles without a fault.
    • Use the scan tool Clear DTC Information function or disconnect the PCM battery feed in order to clear the DTC.

Diagnostic Aids

Check for any of the following conditions:

    • A shifted (incorrectly calibrated) fuel tank pressure sensor may cause a DTCP0451 to set. Compare voltage readings with a known good sensor.
    • A plugged sensor air vent hole. Inspect the sensor and clean if necessary.
    • When a DTC P0108, P0113, P0118, P0123 and P0450 are set together check for an open ground circuit.
    • When a DTC P0107, P0122 and P0450 are set together check for an open reference circuit.
    • A faulty electrical connection at the PCM.

For functional checks of the EVAP control system components, refer to Evaporative Emission Control System Diagnosis .

An intermittent malfunction may be caused by a fault in the EVAP control system electrical circuits. Inspect the wiring harness and components for any of the following conditions:

    • Backed out terminals.
    • Improper mating of terminals.
    • Broken electrical connector locks.
    • Improperly formed or damaged terminals.
    • Faulty terminal to wire connections.
    • Physical damage to the wiring harness.
    • A broken wire inside the insulation.
    • Corrosion of electrical connections, splices, or terminals.

If a DTC P0451 cannot be duplicated, the information included in the Freeze Frame data can be useful in determining vehicle operating conditions when the DTC was first set.

Test Description

The numbers below refer to the step numbers in the Diagnostic Table.

  1. The Powertrain OBD System Check prompts the technician to complete some basic checks and store the freeze frame data on the scan tool if applicable. This creates an electronic copy of the data taken when the fault occurred. The information is then stored in the scan tool for later reference.

  2. This step determines if a fault is present. Review Freeze Frame data in order to determine the condition of when the DTC set. Always record this information.

  3. This step verifies that the fuel tank pressure sensor accurately reacts to EVAP system pressure changes. This also checks the sensor signal input circuit.

  4. This step checks the operation of the fuel tank pressure control valve.

  5. This step checks the operation of the fuel tank pressure control valve.

  6. This step checks for a stuck EVAP canister vent solenoid or a clogged EVAP canister vent solenoid inlet air hose.

  7. This step performs an EVAP canister vent solenoid test. The EVAP canister vent solenoid output control is disabled by the PCM when any DTCs are stored, when engine speed is present, and when the engine operating temperature is less than 80°C (176°F).

  8. This step performs an EVAP canister vent solenoid control circuit test. The EVAP canister vent solenoid output control is disabled by the PCM when any DTC(s) are stored, when engine speed is present, and when the engine operating temperature is less than 80°C (176°F).

Step

Action

Value(s)

Yes

No

1

Did you perform the Powertrain On-Board Diagnostic (OBD) System Check?

--

Go to Step 2

Go to Powertrain On Board Diagnostic (OBD) System Check

2

Did a DTC P0440, P0450, or P0455 set along with the P0451?

--

Go to the Applicable DTC Table first

Go to Step 3

3

  1. Turn OFF the ignition.
  2. Remove the fuel filler cap.
  3. Turn ON the ignition, leaving the engine OFF.
  4. Select the fuel tank pressure sensor parameter on the scan tool.

Does the scan tool display the specified value?

0.0-0.9 mmHg (0.0-0.5 in. H2O)

Go to Step 12

Go to Step 4

4

  1. Remove the fuel tank. Refer to Fuel Tank Replacement .
  2. Remove the fuel tank pressure sensor from the fuel tank. Refer to Fuel Tank Pressure Sensor Replacement .
  3. Visually inspect the sensor air vent hole and the air pressure inlet passage for clogging.

Was any blockage found?

--

Go to Step 21

Go to Step 5

5

  1. Turn ON the ignition, leaving the engine OFF.
  2. Disconnect the fuel tank pressure sensor electrical connector.
  3. Measure the voltage at the fuel tank pressure sensor terminal 1 (harness side) with a DMM.

Is the voltage at the specified value?

5.0 volts

Go to Step 7

Go to Step 6

6

  1. Check for an open or a short in the 5 volt reference circuit between the fuel tank pressure sensor and the PCM.
  2. Repair as necessary.

Was a repair necessary?

--

Go to Step 29

Go to Step 25

7

Probe terminal 2 of the fuel tank pressure sensor (harness side) with a test lamp connected to B+.

Did the test lamp illuminate?

--

Go to Step 9

Go to Step 8

8

  1. Check for an open in the sensor ground circuit between the fuel tank pressure sensor and the PCM.
  2. Repair as necessary.

Was a repair necessary?

--

Go to Step 29

Go to Step 25

9

  1. Reconnect the fuel tank pressure sensor electrical connector.
  2. Backprobe the fuel tank pressure sensor connector terminal 3 a DMM to ground.
  3. Measure the voltage with the DMM set to the DC scale and compare the voltage to the specified value.

Was the voltage measured within the specified value?

2.0 to 2.6 volts

Go to Step 10

Go to Step 26

10

Apply a small amount of vacuum to the fuel tank pressure sensor while observing the voltage on the DMM.

Did the voltage drop when the vacuum was applied?

--

Go to Step 11

Go to Step 27

11

  1. Check for an open in the fuel tank pressure sensor signal circuit between the fuel tank pressure sensor and the PCM.
  2. Repair as necessary.

Was a repair necessary?

--

Go to Step 29

Go to Step 25

12

Caution: Do not breathe the air through the EVAP component tubes or hoses. The fuel vapors inside the EVAP components may cause personal injury.

  1. Remove the fuel tank pressure control valve. Refer to Fuel Tank Pressure Control Valve Replacement .
  2. Important: There will be some resistance, but air should flow steadily through the valve.

  3. From the canister port, blow air through the valve.

Did air flow through the valve to the tank port side?

--

Go to Step 13

Go to Step 28

13

    Important: The fuel tank pressure control valve will not allow air to flow from the tank side port to the canister side port until the pressure on the tank side is greater than 3.5 kPa (0.5 psi).

  1. From the tank side port, blow HARD through the valve. Air should flow through to the canister port.
  2. Apply the specified value of vacuum to the vacuum port of the fuel tank pressure control valve with a hand held vacuum pump.
  3. With the vacuum applied, blow GENTLY through the tank side port. Air should flow easily through to the canister port.

Did the fuel tank pressure control valve pass both checks?

15 in. Hg

Go to Step 14

Go to Step 28

14

  1. Turn OFF the ignition.
  2. Remove the canister hose from the EVAP canister vent solenoid.
  3. Apply the specified value of vacuum to the canister side of the EVAP canister vent solenoid with the hand vacuum pump.

Does the solenoid hold vacuum?

15 in. Hg

Go to Step 22

Go to Step 15

15

  1. Turn ON the ignition, leaving the engine OFF.
  2. Use a scan tool in order to command the EVAP canister vent solenoid ON.
  3. Apply the specified value of vacuum to the canister side of the EVAP canister vent solenoid with the hand vacuum pump.

Did the solenoid hold vacuum?

15 in. Hg

Go to Step 16

Go to Step 17

16

While the EVAP canister vent solenoid is still holding vacuum from step 15, use the scan tool to command the EVAP canister vent solenoid OFF.

Did the vacuum drop to the specified value?

0.0 in. Hg

Go to Diagnostic Aids

Go to Step 24

17

  1. Turn OFF the ignition.
  2. Disconnect the EVAP canister vent solenoid electrical connector.
  3. Turn ON the ignition, leaving the engine OFF.
  4. Probe terminal 2 (harness side) of the EVAP canister vent solenoid with a test lamp connected to ground.

Did the test lamp illuminate?

--

Go to Step 18

Go to Step 19

18

  1. Use a scan tool in order to command the EVAP canister vent solenoid ON.
  2. Probe terminal 1 (harness side) of the EVAP canister vent solenoid with a test lamp connected to battery positive.

Did the test lamp illuminate?

--

Go to Step 23

Go to Step 20

19

Repair the open or the short in the WHT/BLU wire between terminal 2 and the main relay.

Is the action complete?

--

Go to Step 29

--

20

  1. Check for an open in the EVAP canister vent solenoid control circuit between the EVAP canister vent solenoid and the PCM.
  2. Repair as necessary.

Was a repair necessary?

--

Go to Step 29

Go to Step 25

21

Clean the sensor air passage(s).

Is the action complete?

--

Go to Step 29

--

22

  1. Inspect the EVAP canister vent solenoid vacuum hoses for restrictions.
  2. Repair as necessary.

Was a repair necessary?

--

Go to Step 29

Go to Step 23

23

Replace the EVAP canister vent solenoid. Refer to Evaporative Emission Canister Vent Solenoid Replacement .

Is the action complete?

--

Go to Step 29

--

24

  1. Check for a short to ground in the EVAP canister vent solenoid control circuit between the EVAP canister vent solenoid and the PCM.
  2. Repair as necessary.

Was a repair necessary?

--

Go to Step 29

Go to Step 25

25

Replace the PCM. Refer to Powertrain Control Module Replacement .

Is the action complete?

--

Go to Step 29

--

26

  1. Check for a short in the fuel tank pressure sensor signal circuit between the fuel tank pressure sensor and the PCM.
  2. Repair as necessary.

Was a repair necessary?

--

Go to Step 29

Go to Step 27

27

Replace the fuel tank pressure sensor. Refer to Fuel Tank Pressure Sensor Replacement .

Is the action complete?

--

Go to Step 29

--

28

Replace the fuel tank pressure control valve. Refer to Fuel Tank Pressure Control Valve Replacement .

Is the action complete?

--

Go to Step 29

--

29

  1. Clear the scan tool information and road test the vehicle within the Freeze Frame conditions that set the DTC.
  2. Review the scan tool data and check for DTCs. The repair is complete if no DTCs are stored.

Are any DTCs displayed on the scan tool?

--

Go to the Applicable DTC Table

System OK