GM Service Manual Online
For 1990-2009 cars only
Figure 1:

DLC, Ground and Power


Object Number: 1576315  Size: FS
Master Electrical Component List
Transmission Component and System Description
Control Module References
Shift Solenoids, TCC and TFT
Automatic Transmission Schematic Icons
Underhood Fuse Block IBCM 1, Body Control Module (BCM), AIRBAG (BATT), CLUSTER/THEFT, HVAC CTRL (BATT), IGN SENSOR and RADIO Fuses
Underhood Fuse Block IBCM 1, Body Control Module (BCM), AIRBAG (BATT), CLUSTER/THEFT, HVAC CTRL (BATT), IGN SENSOR and RADIO Fuses
Underhood Fuse Block - B+
G109
G109
Shift Solenoids, TCC and TFT
Power, Ground, Serial Data, High Speed GMLAN
G103, G104 and G105
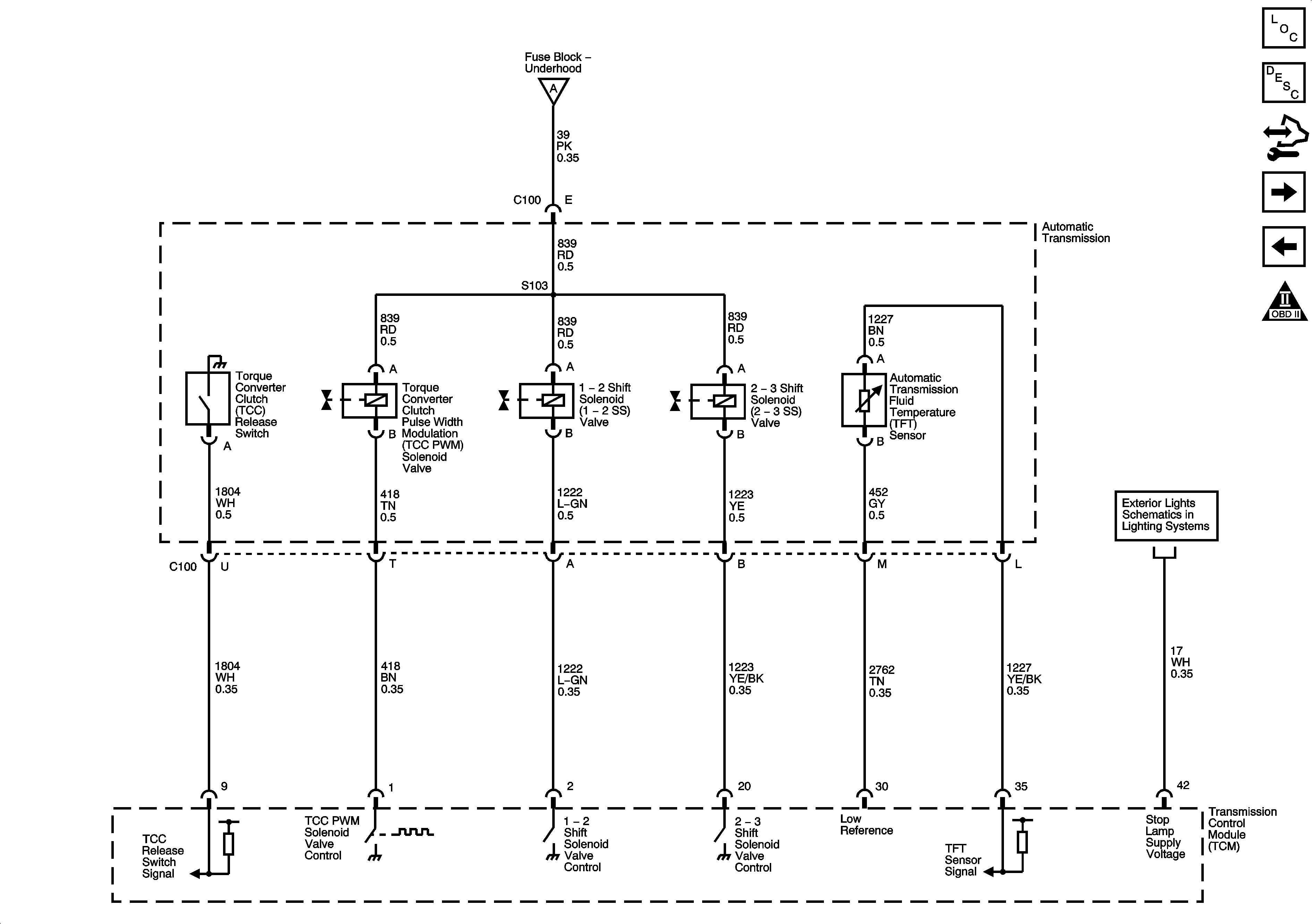
Figure 2:

Shift Solenoids, TCC and TFT


Object Number: 1576318  Size: FS
Master Electrical Component List
Transmission Component and System Description
Control Module References
ISS, Pressure Control and VSS
DLC, Ground and Power
Automatic Transmission Schematic Icons
DLC, Ground and Power
Turn Signals and Stop Lamps
Figure 3:

ISS, Pressure Control and VSS


Object Number: 1576320  Size: FS
Master Electrical Component List
Transmission Component and System Description
Control Module References
Internal Mode Switch (IMS)
Shift Solenoids, TCC and TFT
Automatic Transmission Schematic Icons
Automatic Transmission Schematic Icons
Automatic Transmission Schematic Icons
Figure 4:

Internal Mode Switch (IMS)


Object Number: 1576323  Size: FS
Master Electrical Component List
Transmission Component and System Description
Control Module References
Tap Up/Tap Down Switch
ISS, Pressure Control and VSS
Automatic Transmission Schematic Icons
G103, G104 and G105
Figure 5:

Tap Up/Tap Down Switch


Object Number: 1576328  Size: FS
Master Electrical Component List
Transmission Component and System Description
Control Module References
Internal Mode Switch (IMS)
Automatic Transmission Schematic Icons
Underhood Fuse Block RUN RLY, IBCM (RUN/CRANK), Body Control Module (BCM) AIRBAG (IGN) EPS and RUN/CRANK Fuses
Underhood Fuse Block RUN RLY, IBCM (RUN/CRANK), Body Control Module (BCM) AIRBAG (IGN) EPS and RUN/CRANK Fuses
Seats and Center Console
Shift Lock Control Schematics
G303