GM Service Manual Online
For 1990-2009 cars only
Figure 1:

Window Switches - Convertible


Object Number: 1828384  Size: FS
Master Electrical Component List
Power Windows Description and Operation
Control Module References
Front Window Motors - Coupe
Underhood Fuse Block IBCM 2, Body Control Module (BCM) ACCESSORY Relay, DOOR LOCK, POWER WINDOWS, ROOF/HEAT SEAT and WPR SW Fuses
Underhood Fuse Block IBCM 2, Body Control Module (BCM) ACCESSORY Relay, DOOR LOCK, POWER WINDOWS, ROOF/HEAT SEAT and WPR SW Fuses
Steering Wheel and Doors
Front Window Motors - Coupe
Front Window Motors - Coupe
Rear Window Motors - Convertible
Rear Window Motors - Convertible
G303
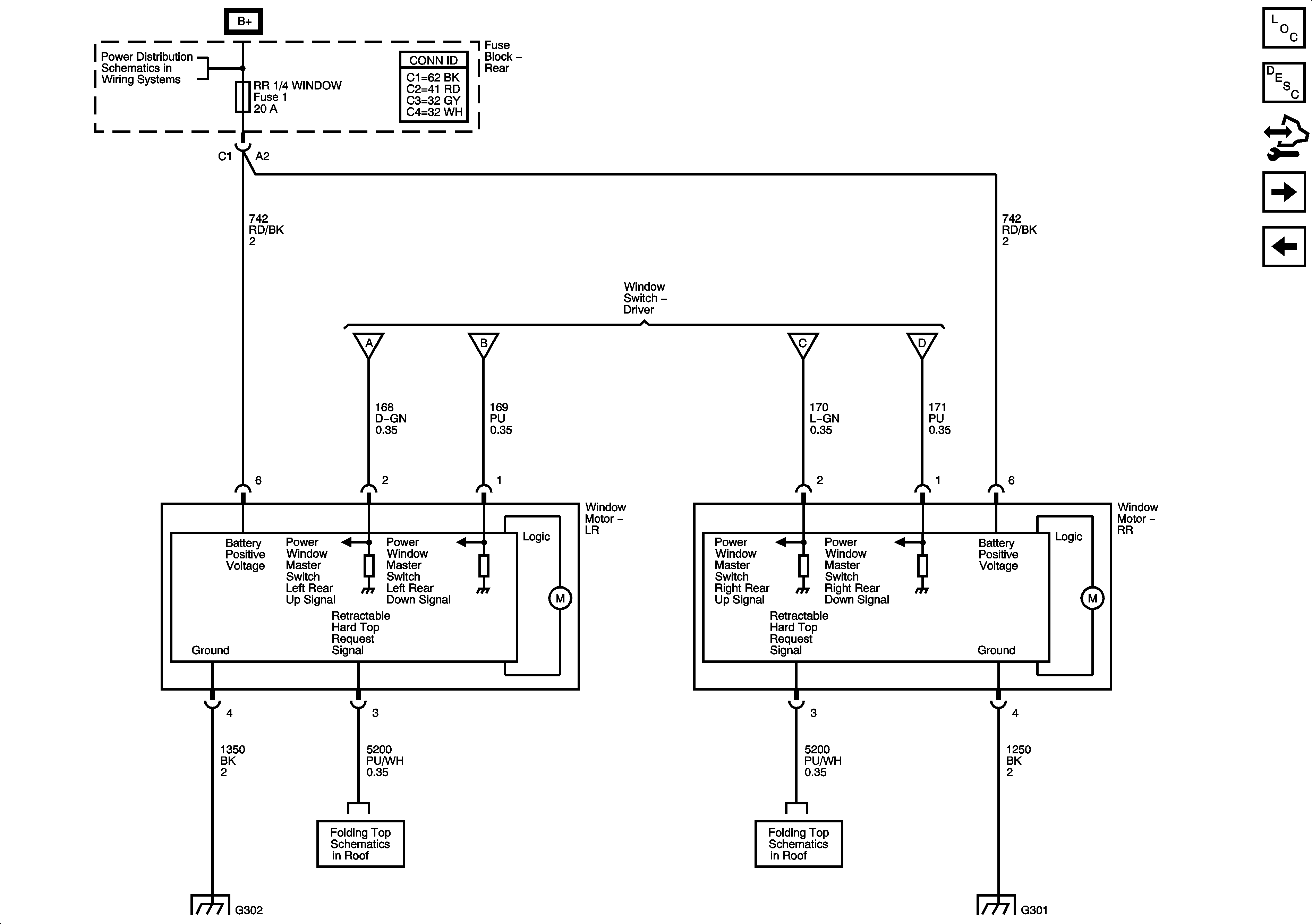
Figure 2:

Rear Window Motors - Convertible


Object Number: 1828388  Size: FS
Master Electrical Component List
Power Windows Description and Operation
Control Module References
Front Window Motors - Coupe
Underhood Fuse Block RBEC 2, RUN RLY, Body Control Module (BCM), HVAC BLOWER HIGH Relay, RUN Relay, HVAC BLOWER, HVAC CTRL (IGN) Rear Fuse Block FUEL Relay, PARK LP Relay, TRUNK Relay, DRV ST, EMISSIO
Window Switches - Convertible
G302
DLC, Ground, Power and References
DLC, Ground, Power and References
G301
Figure 3:

Body Rear End Schematics


Object Number: 1659051  Size: FS
Master Electrical Component List
Luggage Compartment Description and Operation (Sedan)
Control Module References
Underhood Fuse Block RBEC 2, RUN RLY, Body Control Module (BCM), HVAC BLOWER HIGH Relay, RUN Relay, HVAC BLOWER, HVAC CTRL (IGN) Rear Fuse Block FUEL Relay, PARK LP Relay, TRUNK Relay, DRV ST, EMISSIO
Low Speed Serial Data
Steering Wheel and Doors
G303
Inputs
G302