GM Service Manual Online
For 1990-2009 cars only
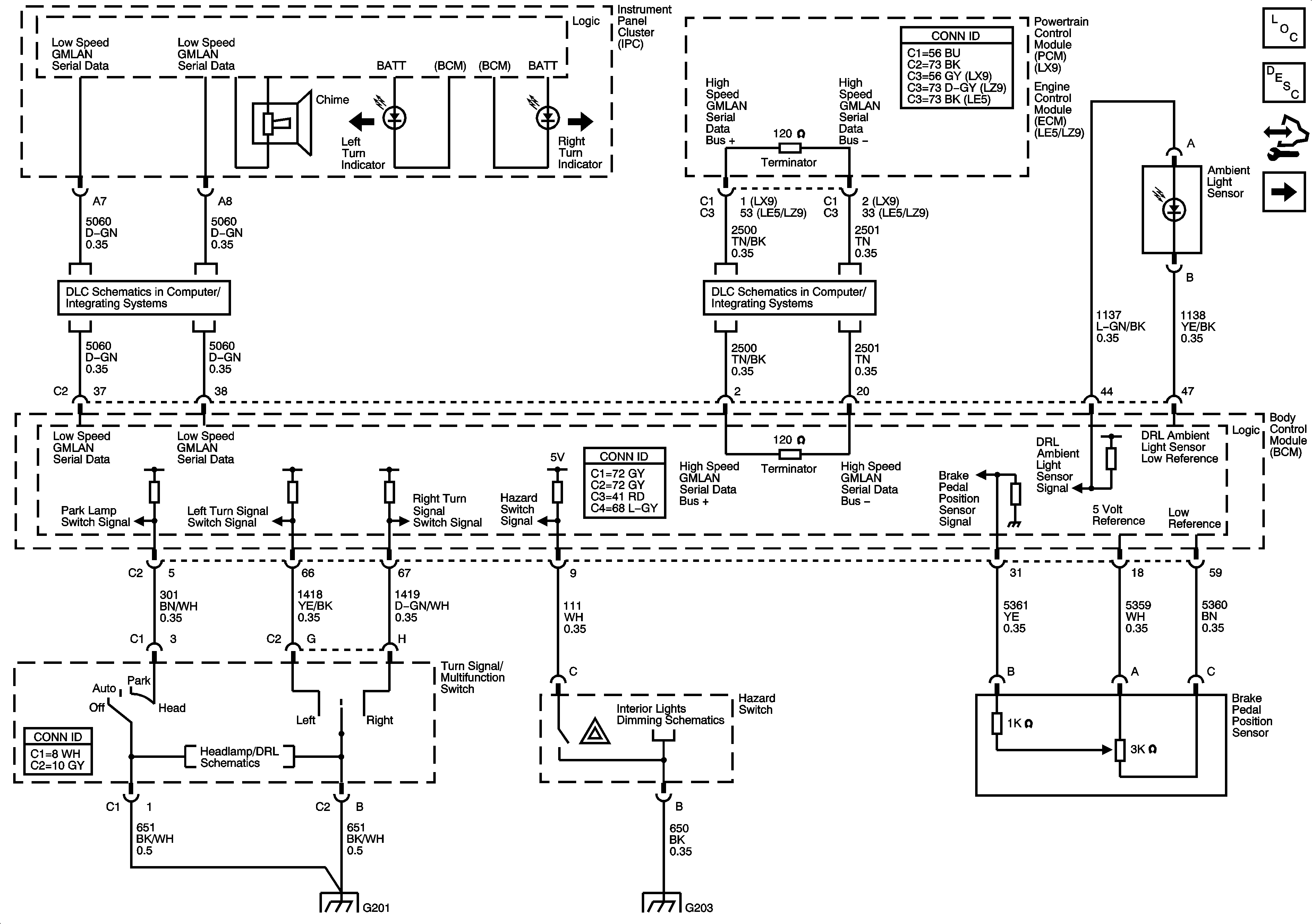
Figure 1:

Ambient Light Sensor, Brake Pedal Position Sensor, Hazard Switch and Turn Signal/Multifunction Switch


Object Number: 1667186  Size: FS
Master Electrical Component List
Exterior Lighting Systems Description and Operation
Control Module References
Turn Signals and Stop Lamps
Low Speed Serial Data
Power, Ground, Serial Data, High Speed GMLAN
G201
G203
Figure 2:

Turn Signals and Stop Lamps


Object Number: 1583838  Size: FS
Master Electrical Component List
Exterior Lighting Systems Description and Operation
Control Module References
Park Lamps
Ambient Light Sensor, Brake Pedal Position Sensor, Hazard Switch and Turn Signal/Multifunction Switch
Underhood Fuse Block - B+
MAF, VSS and Extended Brake Travel Switch
Electronic Throttle Controls
MAF, VSS and Extended Brake Travel Switch
G101 and G102
G101 and G102
G109
G302
Figure 3:

Park Lamps


Object Number: 1667187  Size: FS
Master Electrical Component List
Exterior Lighting Systems Description and Operation
Control Module References
License Lamps and Backup Lamps
Turn Signals and Stop Lamps
Underhood Fuse Block RBEC 2, RUN RLY, Body Control Module (BCM), HVAC BLOWER HIGH Relay, RUN Relay, HVAC BLOWER, HVAC CTRL (IGN) Rear Fuse Block FUEL Relay, PARK LP Relay, TRUNK Relay, DRV ST, EMISSIO
License Lamps and Backup Lamps
G101 and G102
G101 and G102
G101 and G102
G401 and G403
G401 and G403
G401 and G403
G401 and G403
Figure 4:

License Lamps and Backup Lamps


Object Number: 1667194  Size: FS
Master Electrical Component List
Exterior Lighting Systems Description and Operation
Control Module References
Park Lamps
Park Lamps
Underhood Fuse Block RBEC 1 Fuse and Rear Fuse Block AUDIO AMP, BACK UP LP, CIG/AUX, HTD ST, RKE/XM/DVD/VGD, RR DEFOG RR DEFOG and SUN RF Fuses