GM Service Manual Online
For 1990-2009 cars only
Makes
🢒
Pontiac
🢒
2006
🢒
G6
🢒
Restraints
🢒
Seat Belts
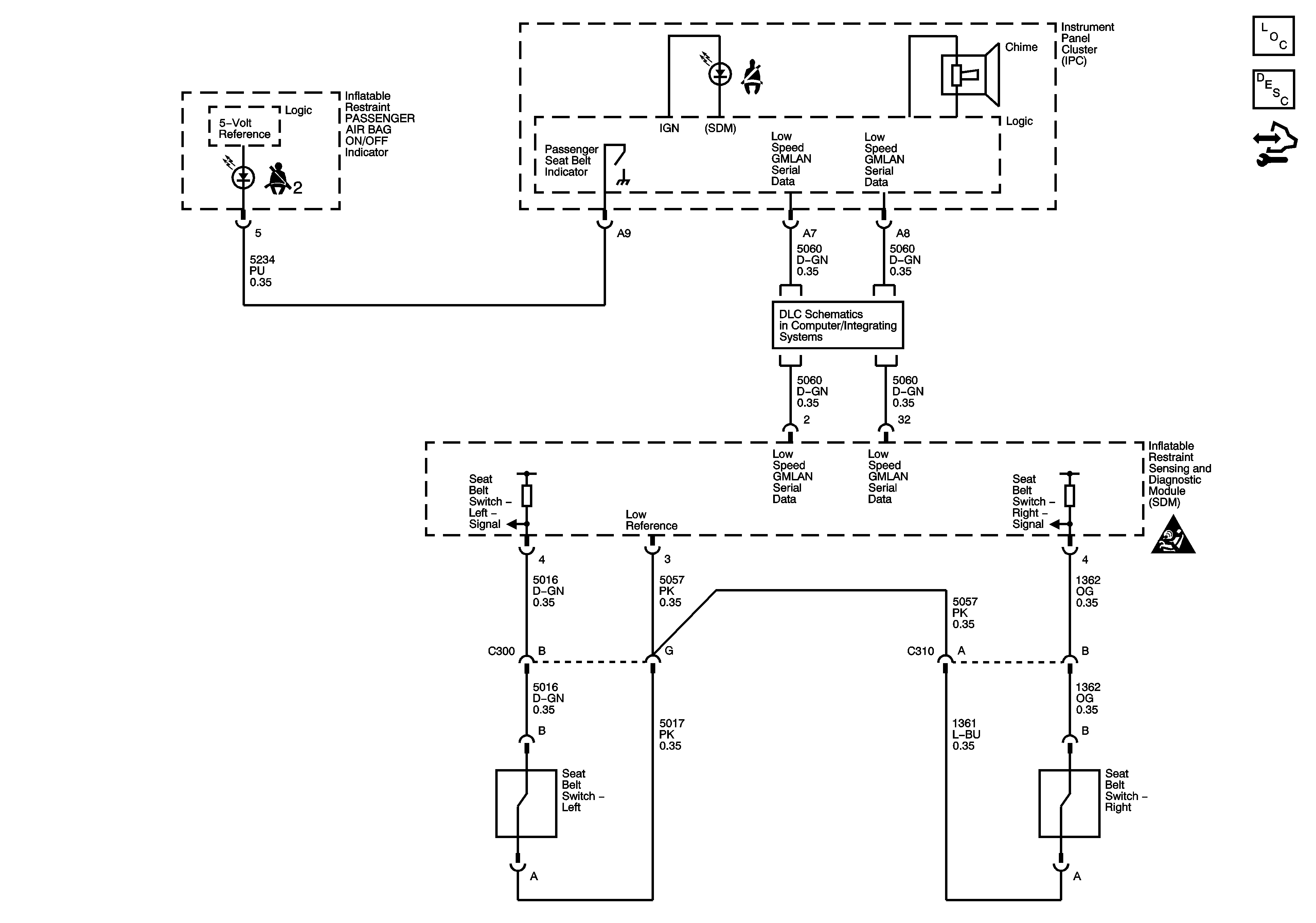
🢒 Seat Belt Schematics
Master Electrical Component List
Seat Belt System Description and Operation
Control Module References
Low Speed Serial Data
Seat Belt Schematic Icons