| Figure 1: |
Forward Lamp
|
| Figure 2: |
Headlamp Splices
|
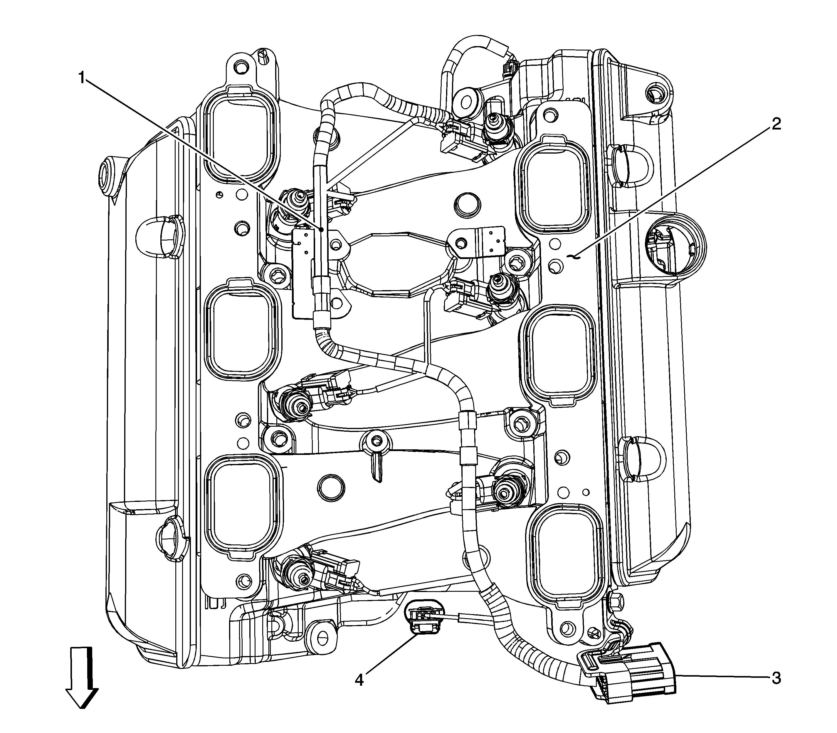
| Figure 3: |
Front ABS Harness
|
| Figure 4: |
Body Harness - Engine Compartment (Coupe)
|
| Figure 5: |
Body Harness Routing - Engine Compartment (without Coupe)
|
| Figure 6: |
Front of the Engine (LE5)
|
| Figure 7: |
Engine Front (LZ4)
|
| Figure 8: |
Front of the Engine (LZ9+MT2)
|
| Figure 9: |
Front of the Engine (LZ9+M15)
|
| Figure 10: |
Front View of Engine - (LY7)
|
| Figure 11: |
Rear of Engine (LZ9+M15)
|
| Figure 12: |
Rear of the Engine (LE5)
|
| Figure 13: |
Engine Rear (LZ4)
|
| Figure 14: |
Rear of the Engine (LZ9 +MT2)
|
| Figure 15: |
Rear View of Engine - (LY7)
|
| Figure 16: |
Left Side of Engine (LZ4/LZ9)
|
| Figure 17: |
Left Rear of Engine Compartment
|
| Figure 18: |
Instrumet Panel Harness Left Side of Console
|
| Figure 19: |
Instrument Panel Harness Right Side of Console
|
| Figure 20: |
Body Harness Routing (Coupe and Convertible similar)
|
| Figure 21: |
Body Harness Routing Front Compartment (Sedan)
|
| Figure 22: |
Lower Left Side of Instrument Panel
|
| Figure 23: |
Under Driver / Passenger Seats
|
| Figure 24: |
Underneath Front Passenger Seat
|
| Figure 25: |
Left Front Door Harness (Sedan)
|
| Figure 26: |
Left Front Door Harness (Coupe/Convertible)
|
| Figure 27: |
Left Front Door Trim Pad
|
| Figure 28: |
Right Front Door Harness (Sedan)
|
| Figure 29: |
Right Front Door Harness (Coupe/Convertible)
|
| Figure 30: |
Right Front Door Trim Pad
|
| Figure 31: |
Driver Seat
|
| Figure 32: |
Headliner Harness (Coupe +CF5)
|
| Figure 33: |
Headliner Harness (Sedan -CF5)
|
| Figure 34: |
Headliner Harness (Sedan +CF5)
|
| Figure 35: |
Left Rear Door
|
| Figure 36: |
Right Rear Door
|
| Figure 37: |
Body Harness Routing (Sedan)
|
| Figure 38: |
Rear Lamp Harness (Coupe)
|
| Figure 39: |
Rear Fascia
|
| Figure 40: |
Under Vehicle, Forward of Right Rear Wheel
|