GM Service Manual Online
For 1990-2009 cars only

SPEEDOMETER & PRINTED CIRCUIT POWER FEED - CHARTS CORRECTED

1985 GRAND AM

CONDITION:

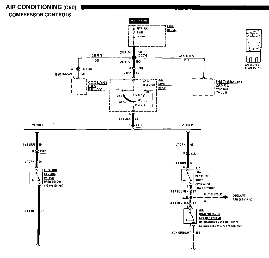
---------- On the 1985 Pontiac Grand Am, the technician may not be able to correctly diagnose the speedometer 12 volt battery feed.

CAUSE:

----- The 12 volt battery power feed is on circuit no. 50, the heater and air conditioning 25 amp fuse circuit. It is spliced into S274 along with the coolant fan relay, A/C control head, and battery power.

CORRECTION:

----------- Use the attached numbered electrical diagnosis charts in place of the same numbered diagnosis charts in the 1985 Grand Am Service Manual.


Object Number: 75613  Size: FS


Object Number: 75805  Size: FS


Object Number: 80613  Size: FS

General Motors bulletins are intended for use by professional technicians, not a "do-it-yourselfer". They are written to inform those technicians of conditions that may occur on some vehicles, or to provide information that could assist in the proper service of a vehicle. Properly trained technicians have the equipment, tools, safety instructions and know-how to do a job properly and safely. If a condition is described, do not assume that the bulletin applies to your vehicle, or that your vehicle will have that condition. See a General Motors dealer servicing your brand of General Motors vehicle for information on whether your vehicle may benefit from the information.